6363
HCD-C700/C900
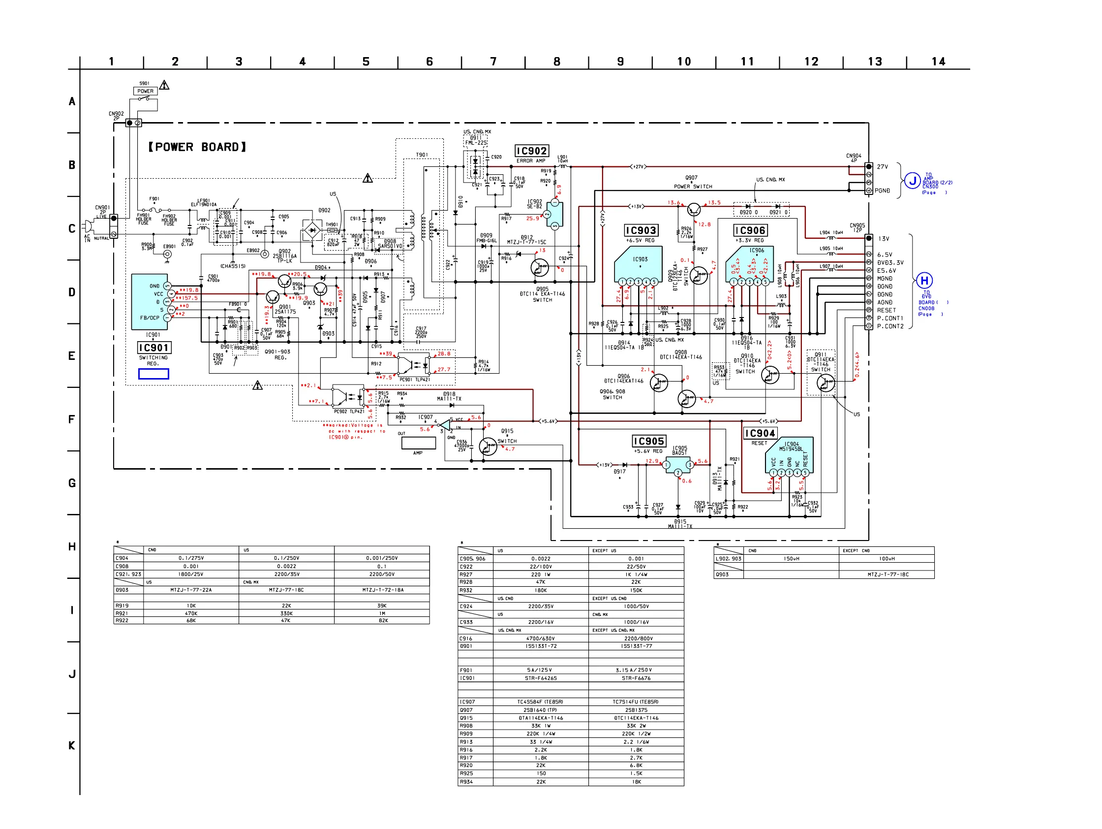
5-30. SCHEMATIC DIAGRAM – POWER SECTION – • See page 66 for IC Block Diagrams.
IC B/D
IC907
EXCEPT US, CND
RBV-604
US, CND,
MX
200V
0.01
0.1 0.1
US
EXCEPT MX
5.6k
220p
4.7k
0.01
4/9
42
51
EXCEPT US, CND
EXCEPT US, CND
C900C700 : US, CND, MX
AEP, UK, E, MY, SP, HK, AUS
D905-907,910 11EQS10-TA1 11EQS10-TA2
C700
2SD1616A-TP-LK
C900
D917 11ES2-NTA1B 11ES2-NTA2B
IC903 SI-8050JF SI-8050S-LF1101
IC906 SI-8033JF SI-8033S
Ver 1.1 2002.03