EasyManua.ls Logo

Sony HCD-C900 - Page 83

Sony HCD-C900
128 pages
Print Icon
To Next Page IconTo Next Page
To Next Page IconTo Next Page
To Previous Page IconTo Previous Page
To Previous Page IconTo Previous Page
Loading...
65
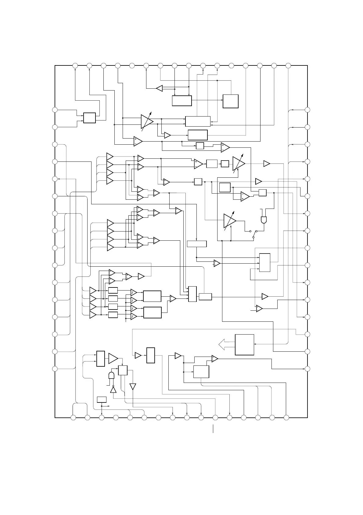
HCD-C700/C900
IC001 SP3728AC (RF-240 BOARD)
1
2
3
4
5
6
7
8
9
10
11
12
13
14
15
16
48
47
46
45
44
43
42
41
40
39
38
37
36
35
34
33
49505152535455565758596061626364
32313029282726252423222120191817
RFIN
CP
WIN
WPP
CN
A2
B2
C2
D2
D
C
B
A
E
F
RFIP
SDEN
SCLK
SWD
SRD
MON
TPH
FE
TE
TZIN
VCI
DFT
TZC
PI
PII
BYP2
MIRR
V33
RX
TPA
MEV
VNA
FNN
FNP
DIP
DIN
BYP
SIGO
VPA
AIP
AIN
ATON
ATOP
G
H
VC
VPB
DVDPD
CDPD
VNB
LDSELO
DVDLD
CDLD
LDON
MEVO
MIN
MP
MB
MLPF
ATT
GCA
GCA
GCA
GCA
APC
GCA
GCA
GCA
GCA
GCA
GCA
GCA
GCA
FULL WAVE
RECTIFIER
BOTTOM
ENV
AGC
CHARGE
PUMP
PROGRAMABLE
EQ FILTER
GCA
LEVEL
DAC
LPF
LPF
LPF
BEL
SEL
SERIAL
PORT
REGISTER
MUX
MUX
MUX
PHASE
DETECTOR
PHASE
DETECTOR
EQ
EQ
EQ
EQ
VC
LD
SEL
WOBLE BPF
PEAK/
BOTTOM
HOLD
MON
SEL
VC
VC
VPC
VREF
LDEN
CONTROL
SIGNALS
RF HOLD EN

Table of Contents

Related product manuals