EasyManua.ls Logo

Sony HCD-DP1000D - Front Amp Section

Sony HCD-DP1000D
104 pages
Print Icon
To Next Page IconTo Next Page
To Next Page IconTo Next Page
To Previous Page IconTo Previous Page
To Previous Page IconTo Previous Page
Loading...
4545
HCD-DP1000D
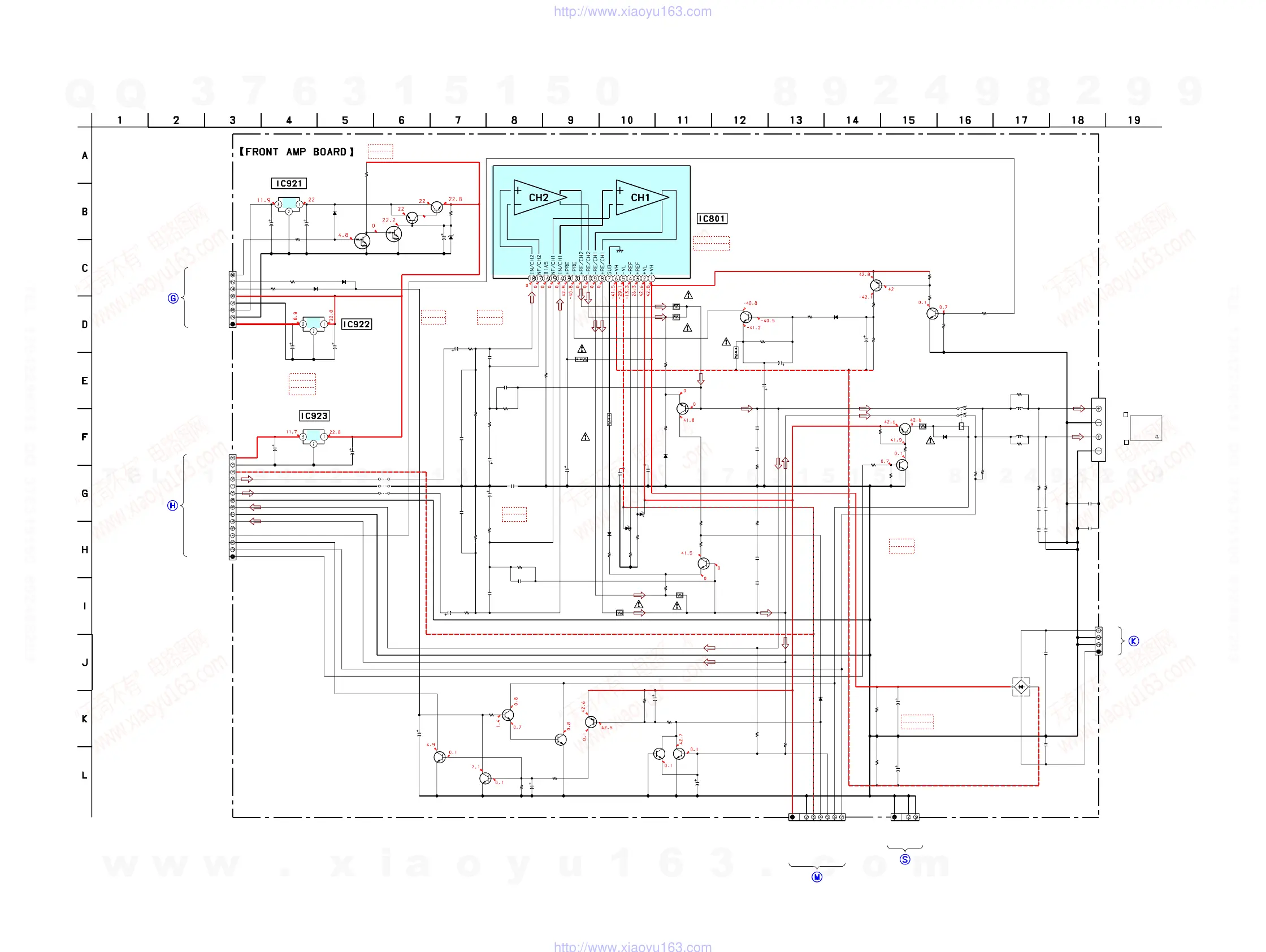
6-23. SCHEMATIC DIAGRAM FRONT AMP SECTION
C
N
8
02
IC
9
2
2
C
92
3
C
9
24
IC
92
3
µ
P
C
7
81
2A
C
926
C
925
C
N
801
JW
845
JW
844
JW
8
43
C
802
C
852
R
80
2
R
8
52
C
816
R
82
0
R
854
C
8
55
R
851
R
8
31
C
831
Q
831
Q
8
32
R
833
Q
83
3
Q
83
4
R
835
R
8
34
C
832
Q
8
35
R
836
C
833
R
8
37
Q
837
Q
836
R
839
R
840
C
8
34
C
N
8
03
C
N
80
4
R
8
30
R
872
R
87
1
C
872
C
8
71
D
871
N
O
871
C
8
84
C
883
R
8
84
R
88
3
C
8
82
C
881
R
88
2
L882
R
885
L
88
1
TM
80
1
R
Y
88
1
Q
882
Q
88
1
R
886
R
888
R
889
R
890
R
887
R
8
24
R
82
3
R
82
2
R
82
1
Q
8
21
Q
8
22
R
82
6
C
8
21
D
8
21
R
8
27
Q
8
23
R
8
28
C
82
2
R
80
5
R
80
6
R
82
5
C
85
8
R
86
1
R
81
1
D891
R
8
01
C
80
5
R
8
0
4
R
8
19
C
808
D
802
D
852
R
812
R
862
D
851
R
85
8
R
8
07
Q
8
01
C
8
07
C
806
R
810
R
860
C
856
C
8
57
R
859
R
80
9
R
856
R
857
R
855
C
81
2
D
801
R
808
C862
R
8
81
D
88
1
D
8
30
D
8
31
C
885
C
886
Q
851
C
9
22
R
9
24
Q
9
21
R
9
25
C
92
0
IC
92
1
µ
PC
24
A
12
AH
F
D
9
2
2
Q
92
4
Q
9
22
D
92
1
Q
9
2
3
C
8
01
C
851
C8
03
C
853
R
853
C
804
C
854
R
803
IC
8
0
1
R
8
80
C
873
C
874
C
9
21
R
9
2
1
8P
B-TO
-B
N
JM
7
80
9FA
10
50
V
1
00
0
1
0V
100
16V
10
50V
1
5P
B
-TO
-B
680p
680p
56
k
56
k
10000
p
1
1/4W
FR
56k
3p
1k
4
.7
k
10
5
0V
2S
C
278
5-H
FE
2S
C
2
785-H
FE
4.7
k
2S
C
2785
-H
FE
2S
C
278
5-H
FE
3
3k
22k
1
00
10V
2S
A
988-P
A
FA
EA
10k
2.2
50
V
1
0k
2S
C
278
5-H
FE
2S
C
278
5-H
FE
47k
5
6k
1
00
1
0V
7P
3P
4
.7
k
10
0k
100k
0.1
1
00V
0.1
100V
D
5S
B
A
2041
01
3P
S
C
N
0.1
0.1
10
1/2W
1
0
1/2W
0.1
0.1
10
1/2W
47k
4
P
24
V
2S
C
1841-P
A
FA
E
A
2
S
A
11
75
-H
FE
47k
47k
10k
100k
10k
2
.2
k
10
k
22
k
2.2k
2S
A
9
88
-P
A
FA
EA
2
S
C
1
84
1-P
A
FA
E
A
5
.6
k
4
7
1
0
0V
1
S
S
1
19
-2
5
1
5k
2
S
C
1
84
1-P
A
F
AE
A
33
k
10
0
5
0
V
0.22
2W
0.22
2
W
6
8k
22
10
0V
10
0
1
/4W
1
00
1/4
W
1SS119-25
1
k
3
p
5
6k
10
k
22
100V
M
TZJ-T-72-16B
M
T
ZJ-T-72-16B
1.5k
1/2W
1.5k
1
/2W
1S
S
119-25
15k
1
k
2S
C
1841
-P
A
FA
EA
0.068
0.0
68
10
1/2W
1
0
1/2W
0.068
0.0
68
100k
1
00k
0.22
2W
1k
0.22
2W
0.1
1S
S
1
19-25
15k
0.1
1
0
1
/2W
1S
S
11
9-25
1
SS
11
9-25
1
SS
1
19
-2
5
0.01
0.01
2S
C
18
41P
A
FA
EA
1
0
00
16
V
10
k
2
S
B
13
75
6
.8k
0
.1
50
V
M
TZ
J-T-72
-2
4A
D
TC
1
14
ES
D
T
C
1
14
ES
R
B
4
41
Q
-40
T
-7
7
2S
C
2
78
5
-H
FE
1
0k
*1
*1
*
2
*2
*4
*
3
*3
*
4
*
5
*6
*7
*7
*8
S
TK
M
U
T
E
FR
O
N
T R
Y
C
H
A
S
S
IS
G
N
D
FA
N
D
ETEC
T
H
P
L
H
P
G
N
D
H
P
R
FR
O
N
T L
FR
O
N
T G
N
D
FR
O
N
T R
S
P
P
R
O
TEC
T
G
N
D
A
C
1
A
C
1
L
-G
N
D
R
-G
N
D
L-C
H
R
-C
H
A
+
12V
A
-G
N
D
-B
GND
+B
-B
(C
H
A
S
S
IS
G
N
D
)
P
R
O
TEC
TO
R
L
R
FR
O
N
T
S
P
EA
K
ER
IM
P
ED
A
N
C
E
U
S
E 8-16
A
+1
2V
P
O
W
ER
A
M
P
+V
H
-V
H
C-GND
RL-GND
RR-GND
R
E
G
R
EG
G
N
D
Q
831-835
D
C
D
E
TEC
T
P
O
W
ER
A
M
P
Q
836,837
P
R
O
TEC
TO
R
P
R
O
T
EC
TO
R
M
U
T
E D
R
IV
ER
Q
8
21
,8
22
M
U
TE
S
IG
N
A
L
D
EL
A
Y
Q
881,882
R
ELA
Y
D
R
IV
E
R
PROTECT
DC DETECT
FAN DETECT
OVERLOAD DETECT
M
+9
V
U
N
R
EG
G
N
D
D
V
D
-G
N
D
U
N
R
E
G
+1
0V
A
C
3
AC
3
D
V
D
12
V
D
V
D
PO
W
ER
1
2V
R
EG
+
B SW
ITC
H
Q
9
21
-Q
9
24
U
S
,C
N
D
E
XC
E
P
T
U
S,C
N
D
*
8 C9
21
1
0/1
0
0V
1
0/50
V
U
S
,C
N
D
E
XC
E
P
T
U
S
,C
N
D
*
1 C
80
1
,C
8
5
1
1
0/1
0
0V
1
0/50
V
U
S
,C
N
D
E
XC
EP
T
U
S
,C
N
D
*
2 C8
03
,C
85
3
22
0P
10
0P
U
S
,C
N
D
E
X
C
EP
T
U
S
,C
N
D
*3 C
804,C
854
47/50V
10
0/16
V
U
S
,C
N
D
A
EP
,U
K
A
U
S
,E
,E
91
,E
A
,M
X
,S
P
,M
Y
,TH
4
70
3
30
18
0
*
4 R
8
0
3,R
8
53
EX
C
E
P
T
*
5 IC8
0
1
S
TK
41
2
-09
0
A
EP
,U
K
A
EP
,U
K
S
T
K
41
2-02
0
A
EP
,U
K
A
U
S
,E,E9
1,EA
,M
X
,S
P
,M
Y
,TH
U
S
,C
N
D
,
*6 R
880
220/2W
320/2
W
A
E
P
,U
K
A
U
S
,E,E91,E
A
,M
X
,S
P
,M
Y
,T
H
U
S
,C
N
D
,
*
7 C
87
3,C
8
74
2
200/6
3V
2
200/7
1V
M
AIN
BOARD(2/3)
(Page38)
M
AIN
BOARD(2/3)
(Page38)
BOARD
SURRPUND AM
P
BOARD
SURRPUND AM
P
(Page47)
(Page47)
BOARD
TRANS
(Page53)
w
w
w
.
x
i
a
o
y
u
1
6
3
.
c
o
m
Q
Q
3
7
6
3
1
5
1
5
0
9
9
2
8
9
4
2
9
8
T
E
L
1
3
9
4
2
2
9
6
5
1
3
9
9
2
8
9
4
2
9
8
0
5
1
5
1
3
6
7
3
Q
Q
TEL 13942296513 QQ 376315150 892498299
TEL 13942296513 QQ 376315150 892498299
http://www.xiaoyu163.com
http://www.xiaoyu163.com

Related product manuals