EasyManua.ls Logo

Sony HCD-DP1000D - Panel Section (2;2)

Sony HCD-DP1000D
104 pages
Print Icon
To Next Page IconTo Next Page
To Next Page IconTo Next Page
To Previous Page IconTo Previous Page
To Previous Page IconTo Previous Page
Loading...
HCD-DP1000D
5050
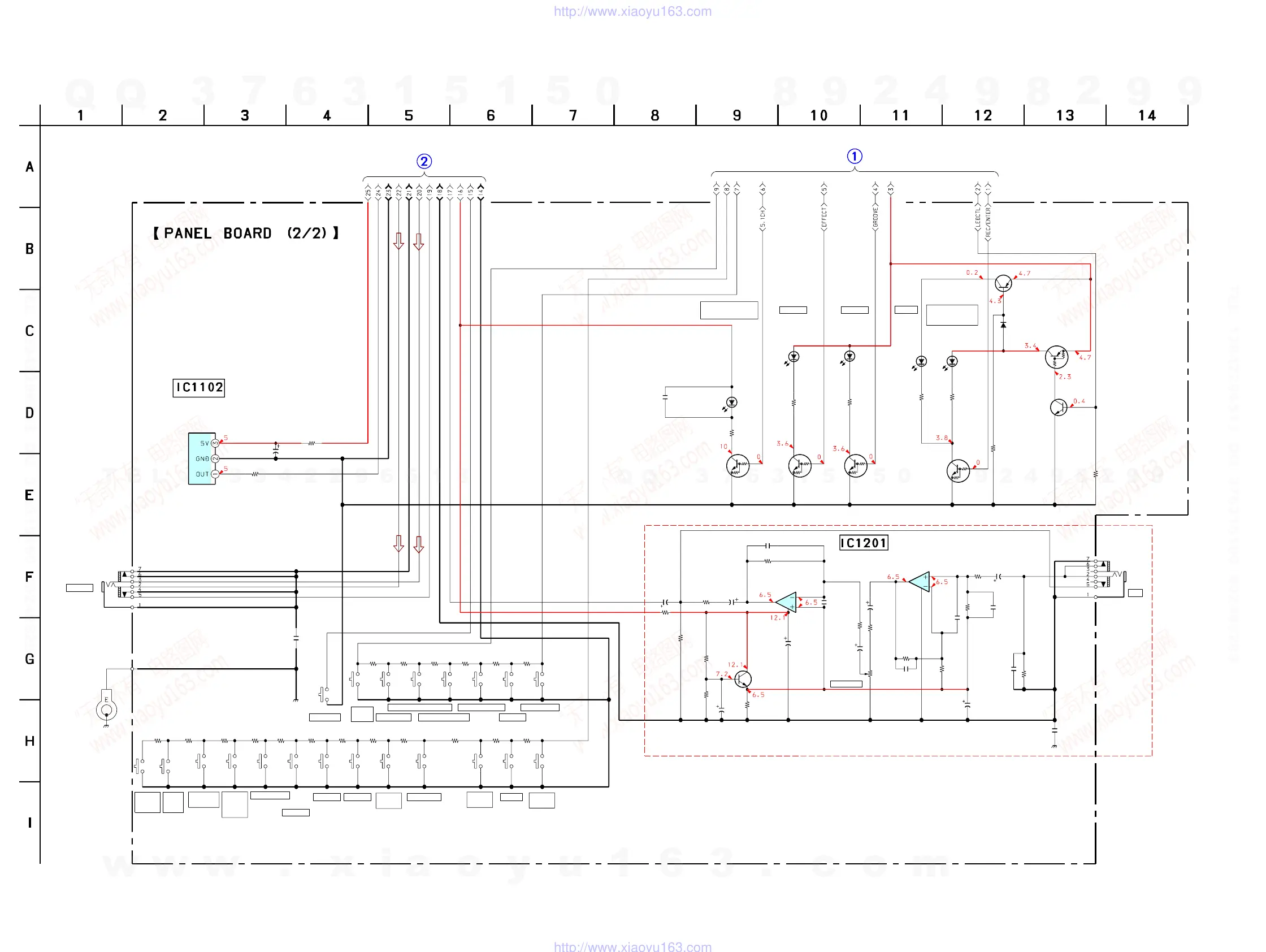
6-28. SCHEMATIC DIAGRAM PANEL (2/2) SECTION
C1135
R1185
R1186
S1129
S1130
S1131
S1132
S1133
S1134
S1135
S1137
S1139
S1141
S1144
R1179
R1180
R1181
R1174
R1182
R1167
R1172
R1168
R1173
R1169
R1175
R1170
R1176
R1171
R1177
R1178
J1101
S1147
S1146
S1145
S1143
S1142
S1140
S1138
S1136
R1131
R1137
R1198
R1134
R1132
R1136
R1135
C1137
C1140
IC1102
Q1109
Q1112
Q1108
Q1111
Q1107
C1206
R1206
R1207
C1207
R1205
R1203
C1208
R1208
J1202
R1204
C1204
RV1201
C1215
C1210
R1210
R1211
R1215
R1214
R1212
C1209
R1209
C1211
C1212
C1213
Q1201
C1216
IC1201(2/2)
IC1201(1/2)
C1203
C1250
D1113
D1108
D1111
D1112
D1107
D1110
Q1110
Q1113
EP1101
C1205
R1231
R1213
C1214
S1148
S1149
R1183
R1184
47
6.3V
47
47
2.2k
2.7k
3.9k
1.5k
5.6k
470
470
560
560
820
820
1k
1k
1.2k
1.2k
1.5k
390
150
100k
10k
150
150
150
0.001
0.1
NJM-63H400A-1
UN4111
DTC114ES
DTC114ES
DTC114ES
DTC114ES
47p
1k
22k
470p
100k
10k
0.1
50V
100
1k
0.22
50V
50k
47p
150p
150k
100
100k
15k
1k
2.2
50V
10k
2.2
50V
100
10V
10
10V
2SC2785TP-HFE
10
10V
M5218AFP-TE1
M5218AFP-TE1
0.01
0.1
SLR325VC-N-T32
RED
SLR325VC-N-T32
RED
SEL5923A-TP15
SEL5923A-TP15
SEL5E23C-TP15
BLUE
RB441Q-40T-77
2SA1175-HFE
2SC2785-HFE
0.001
1k
8.2k
10
16V
8.2k
15k
ENTER
GROOVE
SPECTRUM
REPEAT
ENTER
MIC
GROOVE
EFFECT
EFFECT
SIRCS
PHONES
DISPLAY
TIMER SELECT
HI-DUB
REC
PAUSE/
START
2CH/MULTI
GAME
MODE
MODE
TOOL
MODE
MULTI CHANNEL
LED SWITCH
LED SWITCH
LED SWITCH
LED SWITCH
LED DRIVE
LED DRIVE
MODE
MUSIC
MIC AMP
KEY1
KEY0
REG
MIC LEVEL
PAUSE/START
REC
MOVIE
DSP EDIT
P FILE
CD SYNC
CLOCK/TIMER SET
DECODING
DVD DISPLAY
PLAY MODE
MENU
DVD
TITLE
DVD
(CHASSIS)
AUS,E,E91,EA,MX,SP,MY,TH
5
6
7
8
1
2
3
4
(Page49)
(Page49)
w
w
w
.
x
i
a
o
y
u
1
6
3
.
c
o
m
Q
Q
3
7
6
3
1
5
1
5
0
9
9
2
8
9
4
2
9
8
T
E
L
1
3
9
4
2
2
9
6
5
1
3
9
9
2
8
9
4
2
9
8
0
5
1
5
1
3
6
7
3
Q
Q
TEL 13942296513 QQ 376315150 892498299
TEL 13942296513 QQ 376315150 892498299
http://www.xiaoyu163.com
http://www.xiaoyu163.com

Related product manuals