EasyManua.ls Logo

Sony HCD-DZ370 - Schematic Diagram -S-AIR-CON Board

Sony HCD-DZ370
102 pages
Print Icon
To Next Page IconTo Next Page
To Next Page IconTo Next Page
To Previous Page IconTo Previous Page
To Previous Page IconTo Previous Page
Loading...
HCD-DZ370/DZ560/DZ570/DZ660/DZ777
HCD-DZ370/DZ560/DZ570/DZ660/DZ777
6363
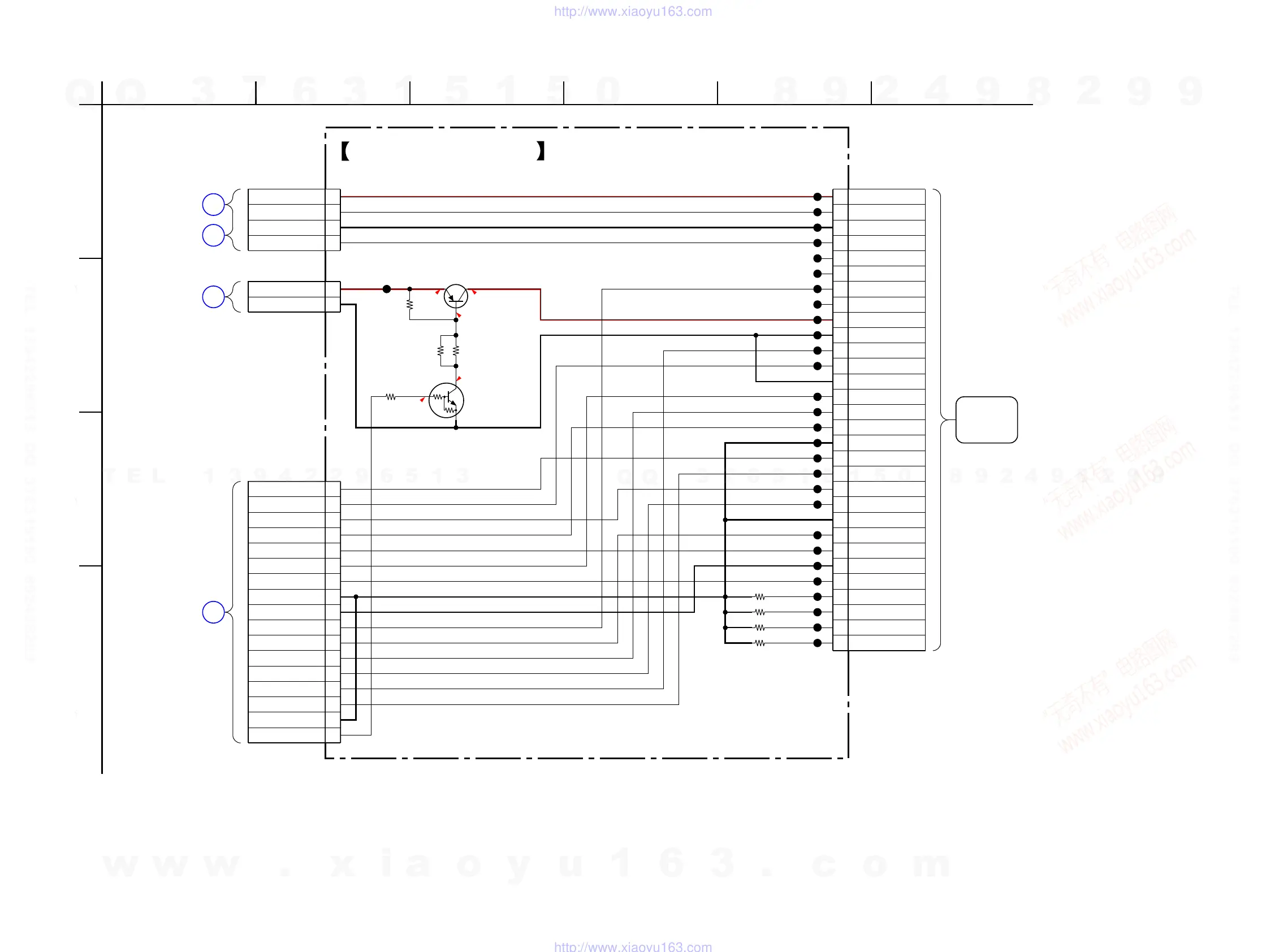
6-26. SCHEMATIC DIAGRAM – S-AIR-CON Board –
CN409
IO-COMPONENT
BOARD
CN908
BOARD
POWER
IO-SCART
BOARD
CN409
S
T
S
BOARD
MAIN
(7/9)
CN651
K
4.1
3.3
0.1
4.1
4.9
(DZ560/DZ660)
(DZ370/DZ570/DZ777)
CL226
CL236
CL233
470
R194
CL240
CL213
CL212
CL239
CL228
CL224
CL214
CL217
CL232
CL222
CL220
CL227
CL218
CL221
CL219
CL235
CL216
CL223
CL238
CL215
CL242
CL230
470
R193
CL231
CL241
2SB1690KT146
Q121
RT1N441C-TP-1
Q120
47k
R195
470
R196
10kR197
10kR198
10kR199
10kR200
1
2
3
4
5
6
7
8
9
10
11
12
13
14
15
16
17
18
19
20
21
22
23
24
25
26
27
28
29
30
30P
CN113
CN112
17P
CL229
CL237
CN110
4P
2P
CN111
S-AIR-CON BOARD
Q120,121
B+ SWITCH
B
3
A
D
5614
C
2
A+5V
GND
I2C_SDA
RESET
IFMT0
BCK1
LRCK2
GPIO2
S-AIR_DET
GND
SD2
LRCK1
BCK2
SD1
SRC_MUTE
ADC_SEL
I2C_SCL
1
2
3
4
5
6
7
8
9
10
11
12
13
14
15
16
17
1
2
3
4
1
2
STS-Lin
A-GND
STS-Rin
A+5V
GND
E4V
A5V
Rch
AGND
Lch
GPI00
GPI01
GPI02
GPIO3
4V
GND
RESN
ADC_SEL
GND
LRCK1
BCK1
SD1
GND
I2C_SCL
I2C_SDA
SRC_MUTE
IFMT0
GND
LRCK2
BCK2
GND
SD2
SD3
SD4
SPDIF
SPDIF_SEL
EZW-T100
(S-AIR TRANSMITTER)
(Page 55)
(Page 57)
(Page 65)
(Page 51)
w
w
w
.
x
i
a
o
y
u
1
6
3
.
c
o
m
Q
Q
3
7
6
3
1
5
1
5
0
9
9
2
8
9
4
2
9
8
T
E
L
1
3
9
4
2
2
9
6
5
1
3
9
9
2
8
9
4
2
9
8
0
5
1
5
1
3
6
7
3
Q
Q
TEL 13942296513 QQ 376315150 892498299
TEL 13942296513 QQ 376315150 892498299
http://www.xiaoyu163.com
http://www.xiaoyu163.com

Table of Contents

Related product manuals