EasyManua.ls Logo

Sony HCD-EC59 - PT-SWITCH Board Schematic

Sony HCD-EC59
44 pages
Print Icon
To Next Page IconTo Next Page
To Next Page IconTo Next Page
To Previous Page IconTo Previous Page
To Previous Page IconTo Previous Page
Loading...
HCD-EC59
HCD-EC59
2929
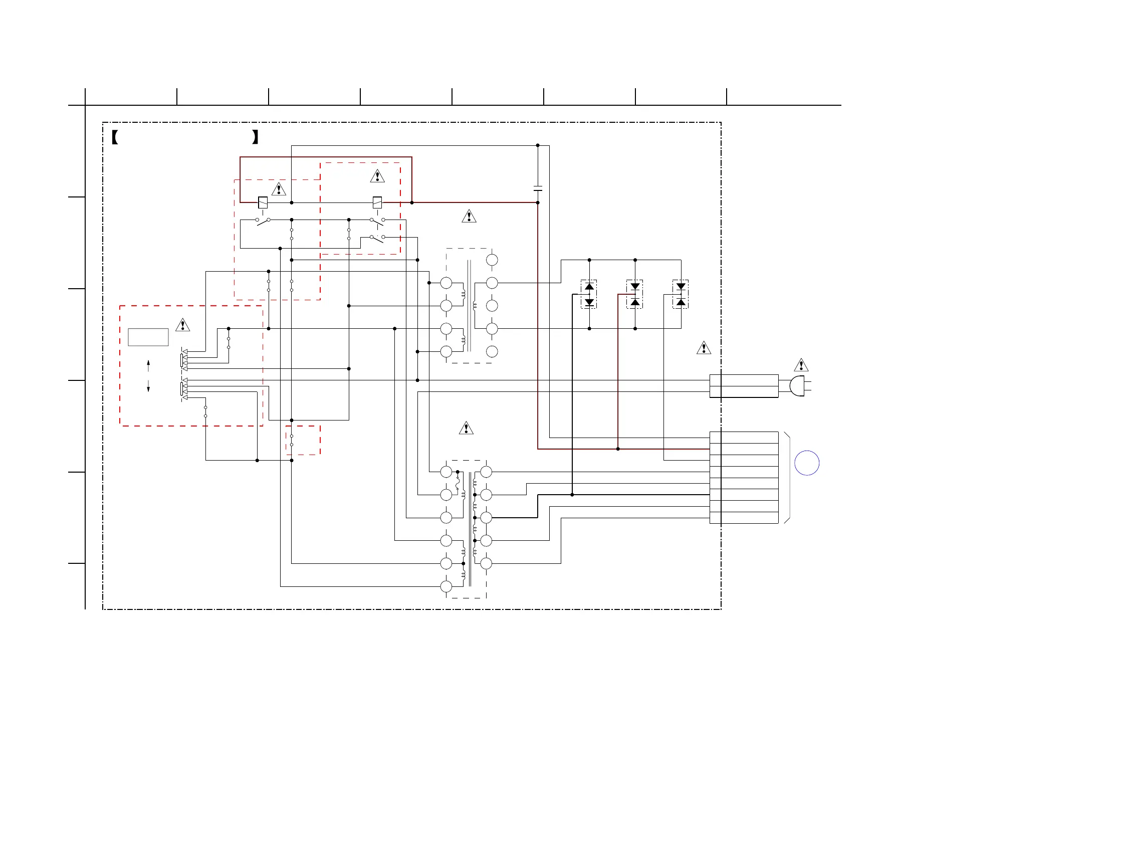
5-12. SCHEMATIC DIAGRAM - PT-SWITCH Board -
E
BOARD
MAIN
CN604
RY051
MC2838-T112-1
D053
JW006
JW007
1
3
4
5
6
7
8
9
2
PT051
JW008
JW003
1
3
3P
CN051
LIVE
NEUTRAL
S051
MC2838-T112-1
D052
PT054
3
11
12
13
14
5
10
2
4
6
JW004
C051
0.1
MC2836-T112-1
D051
RY052
JW009
1
2
3
4
5
6
7
8
8P
W052
RELAY ON/OFF
V STBY
AC DETECT
VH(AC)
VL(AC)
GND
VL(AC)
VH(AC)
JW011
1
SUB POWER
TRANSFORMER
TRANSFORMER
MAIN POWER
BUILT IN TRANSFORMER
NOT REPLACEABLE:
220V
230-240V
120V
PT-SWITCH BOARD
-1
-2
VOLTAGE
SELECTOR
(E2, E4, E51)
(AR)
(EXCEPT MX)
(MX)
(AC IN)
E
3
D
F
87
A
C
426
B
51
PT054
(Page 23)

Related product manuals