EasyManua.ls Logo

Sony HCD-EX600 - Diagrams; Block Diagram -CD Section

Sony HCD-EX600
72 pages
Print Icon
To Next Page IconTo Next Page
To Next Page IconTo Next Page
To Previous Page IconTo Previous Page
To Previous Page IconTo Previous Page
Loading...
HCD-EX600/EX700/EX900
HCD-EX600/EX700/EX900
1717
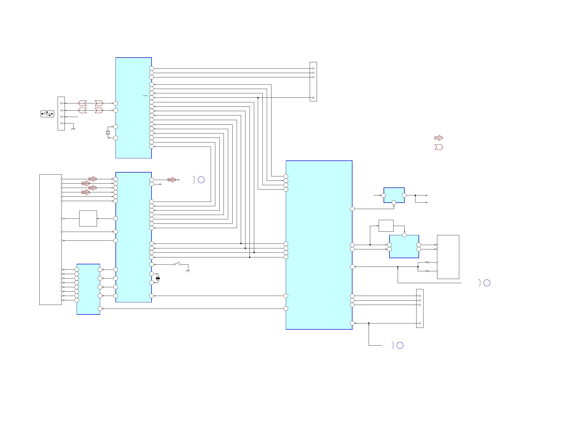
OPTICAL PICK-UP BLOCK
(DA11MMVGP)
B
C
D
E
A
F
SP+
SP-
LD
MD
VREF
AUTOMATIC
POWER
CONTROL
Q201
FOCUS/TRACKING COIL DRIVE,
SLED/SPINDLE MOTOR DRIVE
IC301
CD-MP3 PROCESSOR
IC101
VO1+2
VO1-
1
IN1
3
SL+
SL-
VO2+11
VO2-
12
IN2’
9
T+
T-
VO3+18
VO3-
17
IN3’
20
F+
F-
CD
MECHANISM
DECK
LOADING
MOTOR
DRIVE
IC303
M+
OPEN SW
CLOSE SW
M–
VO4+26
VO4-
27
IN4’
24
MUTE
7
7
BIN
6 CIN
8 DIN
EIN
5 AIN
14
13
FIN
18 LDD
LDS
11 VREF
25 SPDO
19
24 SLDO
23 TDO
22 FDO
XOUT
XIN
X101
16.934MHz
S001
(LIMIT)
72
73
LIMIT-SW
32
LCHO CD/USB-L76
RCHO R-CH78
USB CONTROLLER
IC901
37 UHD-
38 UHD+
6
CF1
VBUS+5V
7
CF2
URX1
44
DBGP2 25
DBGP1
24
DBGP0
23
P71
47
RES 2
SO0 9
SI0
10
SCK0 11
P16 15
P23 32
SDAT
26
BCLK
27
LRCK
28
P22
31
P24
33
P70
46
UTX1 45
STREQ
33
STCK 34
STDATA 35
PCMLRSY
62
O-USB-TXD93
I-USB-RXD94
O-USB-SLEEP
92
RESB
47 O-CD-RST1
O-CD-M-MUTE
100
O-USB-RST
4
O-CD-CL
98
O-CD-CE
3
O-CD-DI
2
I-CD-DO
99
O-CD-ON 91
+9V
AVDD3.3V
DVDD3.3V
A
O-CD-M- 87
O-CD-M+
88
7
1
9
2
4
2
1
4
I-CD-OP/CL 18
DBGP0
DBGP1
DBGP2
DBGP0
RESET
DBGP1
DBGP2
95
96
97
I-RST 11
3
D+
D-
CN304
(USB)
X901
12MHz
2
1
4
TUNER/
AUDIO
SECTION
I-HP/CD-SW
B
TUNER/
AUDIO
SECTION
SYSTEM CONTROL
IC302 (1/3)
63PCMBCK
64PCMDATA
65PCMREQ
44CL
43CE
46DO
45DI
2
CN301
FLASH
PROGRAMMING
3
( )
CN901
FLASH
PROGRAMMING
( )
5
1
6LJQDOSDWK
5FKLVRPLWWHGGXHWRVDPHDV/FK
: CD
: USB
8
7
5
9
DBGP0
DBGP1
DBGP2
TRESET
I-RST
C
DISPLAY/POWER
SECTION
+3.3V
IC304
MOTOR
CONTROL
Q305
VREF
FIN
RIN
OUT2
OUT1
5-1. BLOCK DIAGRAM –CD Section –
(Page 18)
SECTION 5
DIAGRAMS
(Page 19)
(Page 18)

Table of Contents

Related product manuals