EasyManua.ls Logo

Sony HCD-FR1 - Page 91

Sony HCD-FR1
138 pages
Print Icon
To Next Page IconTo Next Page
To Next Page IconTo Next Page
To Previous Page IconTo Previous Page
To Previous Page IconTo Previous Page
Loading...
11
HCD-FR1/FR8/FR9
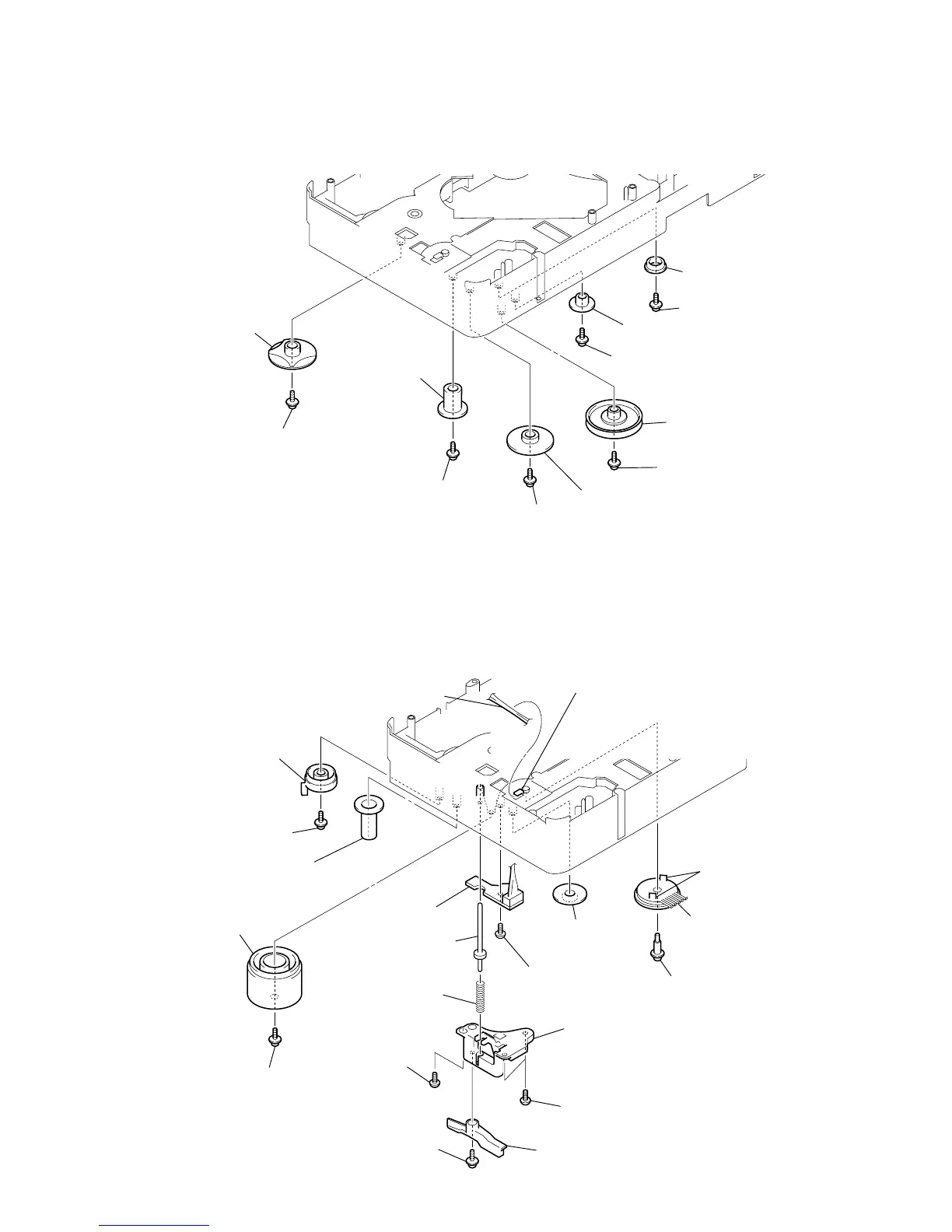
1
screw
(PTPWH2.6
×
8)
3
screw
(PTPWH2.6
×
8)
7
screw
(PTPWH2.6
×
8)
9
screw
(PTPWH2.6
×
8)
qa
screw
(PTPWH2.6
×
8)
qs
cam (gear)
: Note
5
screw
(PTPWH2.6
×
8)
2
pulley
(mode deceleration)
4
gear
(mode 5)
8
gear (mode 3)
0
gear
(mode 2)
:Note
6
gear (mode 4)
Note: Refer to assembly (Section 2).
8
screw
(PTPWH2.6
×
8)
1
screw
(PTPWH2.6
×
8)
9
cam
(eject lock)
: Note
qs
gear
(eject lock)
qd
gear
(mode 1)
qg
two claws
0
screw
(PTPWH2.6
×
8)
ql
screw
(BVTP2.6
×
8)
3
screw
(BVTP2.6
×
8)
7
shaft
(shutter)
6
compression spring
(shutter)
4
two screws
(BVTP2.6
×
8)
5
base (shutter) block
2
lever shutter (A)
w;
SENSOR board
qf
screw
(PTPWH2.6
×
8)
qh
rotary encoder
(S701)
qj
claw
qk
harness
qa
cam
(BU U/D)
Note: Refer to assembly (Section 2).
1-18. CAM (GEAR)
1-19. SENSOR BOARD

Table of Contents

Related product manuals