EasyManua.ls Logo

Sony HCD-GNX70 - Main Board Schematic Diagram Part 3; Main Board Audio Processing Stages

Sony HCD-GNX70
86 pages
Print Icon
To Next Page IconTo Next Page
To Next Page IconTo Next Page
To Previous Page IconTo Previous Page
To Previous Page IconTo Previous Page
Loading...
3838
HCD-GNX60/GNX70/GX9900
HCD-GNX60/GNX70/GX9900
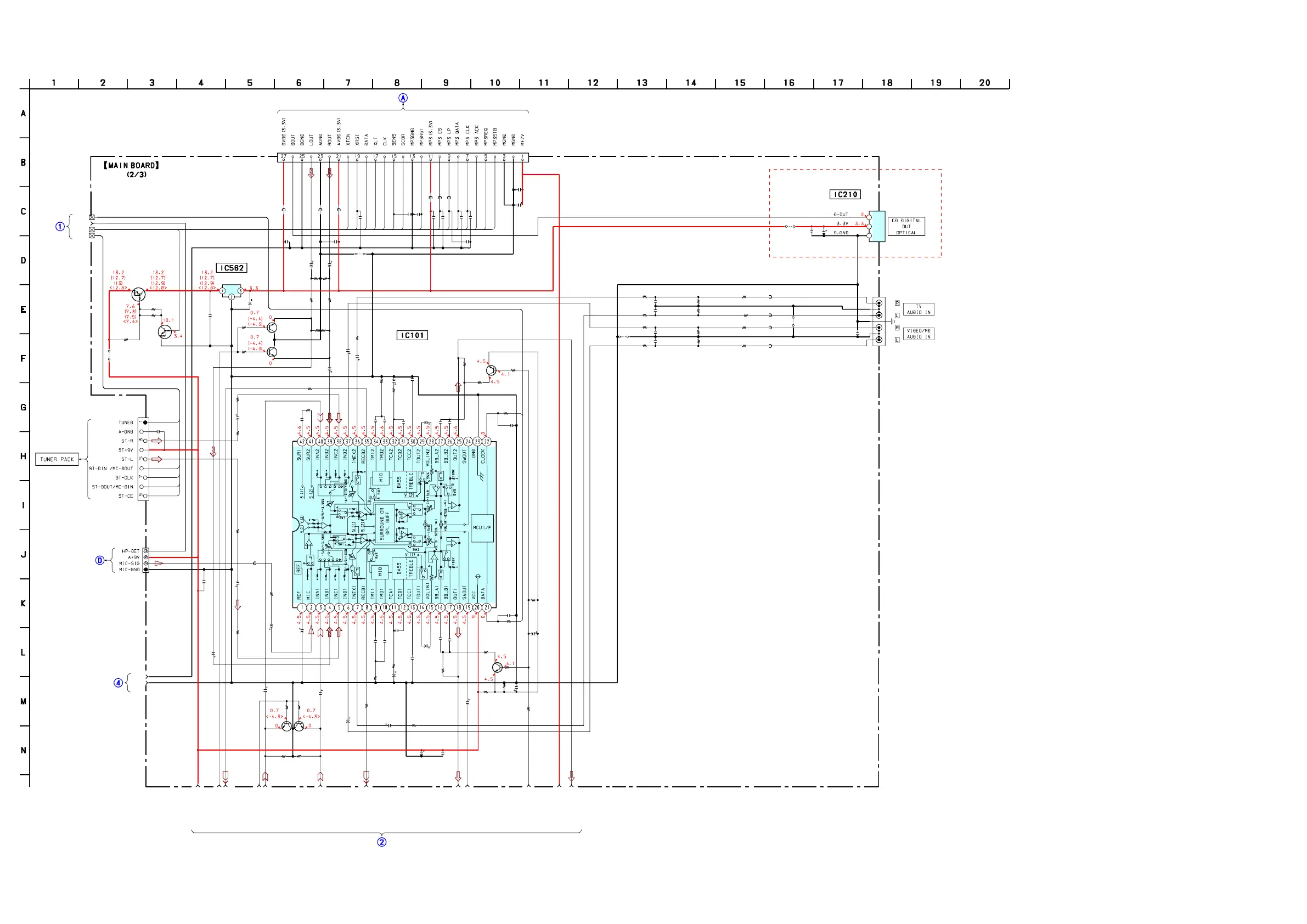
7-13. SCHEMATIC DIAGRAM – MAIN BOARD (2/3)
C161
R156
C251
R257
R250
C250
C534
R255
R251
R252
R256
FB
5
06
FB
50
7
FB
51
0
FB512
C535
FB
5
08
C
54
7
C
546
R254
R253
FB260
FB261
FB263
FB262
R270
R271
R269
R268
R263
R262
R261
R260
C261
C260
C262
C263
R267
R266
R265
R264
JR261
J101
JW419
C210
C211
C568
C567
R563
R562
R560
R155
C160
C159
R151
C158
R152
C
15
7
C
1
56
C155
C154
C152
C140
R140
C281
C280
R281
R285
R282
R286
C104
C103
C150
C100
C102
C105
C130
R131
C121
R121
R106
R105
C109
R102
C110
C108
C111
C
10
7
C
10
6
CN100
FB150
R130
R133
R132
C131
C115
C116
FB
509
C122
R122
R101
JW260
C264
C149
R157
R150
R104
C
11
2
C
11
3
R103
R107
R116
C
11
4
C162
C163
R153
R166
CN505
C
52
0
C
521
C
52
2
C523
C
52
4
C
525
JR032
C537
C538
JW560
C539
CN506
R532
Q280
Q281
IC101
Q560
Q561
IC562
Q101
Q151
Q250
Q251
IC210
R154
C153
R582
JW266
10
50V
10k
10
50V
1k
1k
10
50V
0.1
10k
10k
33k
33k
0
U
H
0U
H
0U
H
0UH
3300
10V
0
U
H
2
20
p
2
20
p
10k
10k
0
0
0
0
1k
1k
1k
1k
0
0
0
0
220p
220p
220p
220p
100k
100k
100k
100k
0
4P
JW
0.1
100
10V
1000
6.3V
0.1
2.2k
2.2k
2.7k
47k
0.01
1
50V
2.2k
0.033
10k
0
.022
0.02
2
10
50V
10
50V
10
50V
0.068
10k
10
50V
10
50V
10k
10k
33k
33k
10
50V
10
50V
10
50V
100
10V
10
50V
10
50V
10
50V
2.2k
220p
1k
10k
47k
1
50V
10k
0.01
0.033
10
50V
0
.0
22
0
.0
22
4P
0
2.2k
100k
1M
0.47
50V
0.1
220
10V
0U
H
220p
1k
2.2k
JW
0.47
0.1
200
100
1k
0
.2
7
0
.2
7
560
220
100
1
0
3
5V
0.27
0.27
560
100
27P
0
.1
22
0p
220p
220p
2
20
p
22
0
p
0
0.1
0.1
0.1
9P
FFC-R
0
2SC3661
MUTE
2SC3661
MUTE
M61529FP-D60G
RT1P137P
B+ SWITCH
DTC114EKA
B+ SWITCH
TA78033LS
2SC1623
SWITCH
2SC1623
SWITCH
2SC3661
MUTE
2SC3661
MUTE
TOTX141F
GNX60/GNX70
1k
10
50V
0
JW
BUS7
BUS8
BUS9
A
+9
V
C
D
M
U
TE
T
C
M
U
TE
GND
S
P
E
A
N
A
T
C
R
TC
L
R
E
C
R
R
E
C
L
D
B
FB
FB
M
+
7
V
R
IN
L IN
M GND
HP DET
1
2
3
19
2
1
2
2
23
2
4
25
26
27
2
8
5
7
32
82
18
88
87
86
85
84
81
OPTICAL OUT
BOARD
BOARD
MIC
CD
BOARD
MAIN
(3/3)
MAIN
BOARD
(1/3)
BOARD
MAIN
(1/3)
(3/3)
MAIN
BOARD
INPUT SELECT SWITCH,
GRAPHIC EQUALIZER CONTROL,
ELECTRICAL VOLUME
REGULATOR
+3.3V
(Page39)
(Page37)
(Page37)
(Page39)
(Page33)
(Page43)

Table of Contents