EasyManua.ls Logo

Sony HCD-GNZ7D - Schematic Diagrams - DMB10 Section

Sony HCD-GNZ7D
108 pages
Print Icon
To Next Page IconTo Next Page
To Next Page IconTo Next Page
To Previous Page IconTo Previous Page
To Previous Page IconTo Previous Page
Loading...
45 45
HCD-GNZ7D/GNZ8D/GNZ9D
HCD-GNZ7D/GNZ8D/GNZ9D
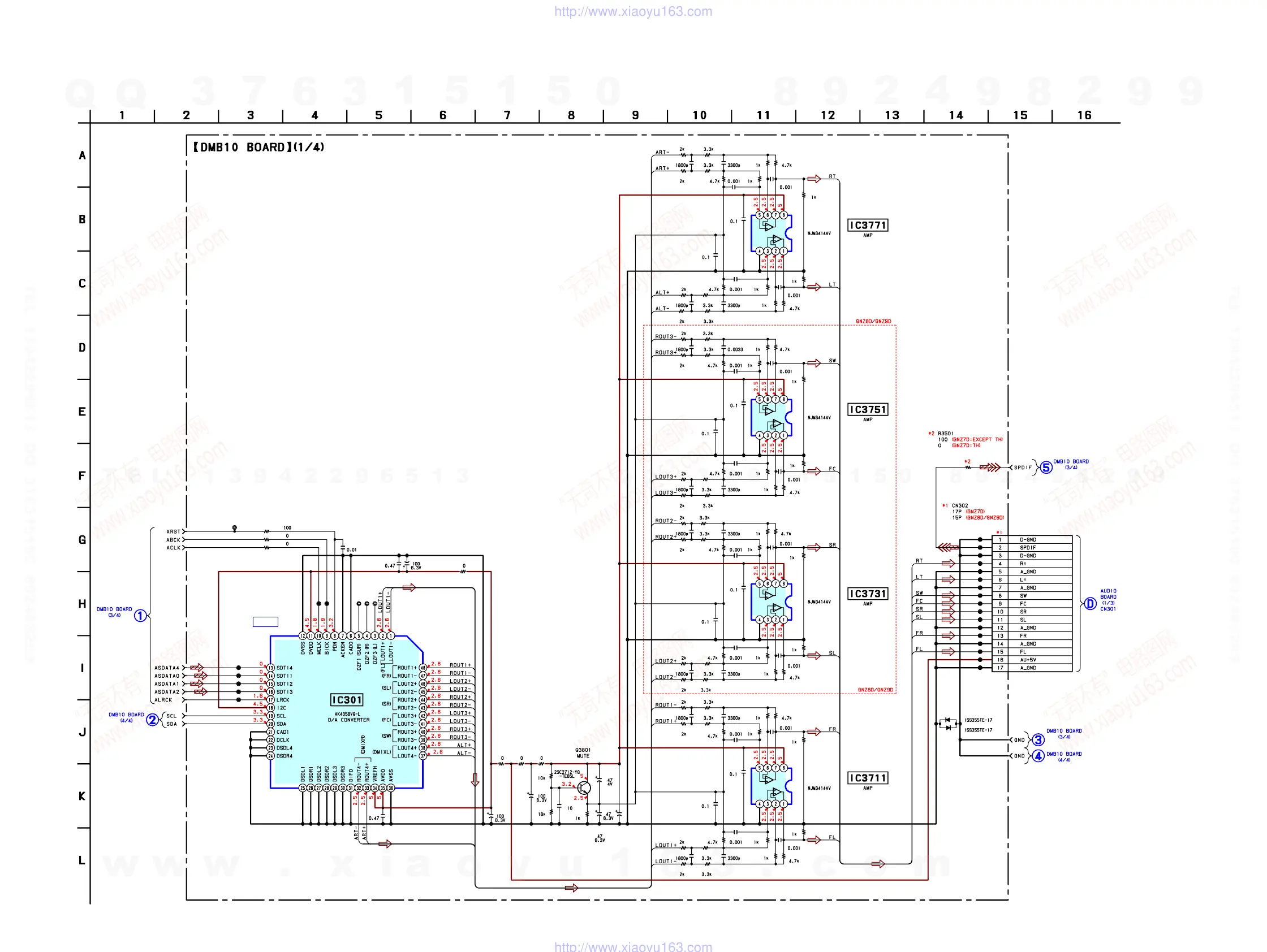
7-10. SCHEMATIC DIAGRAM — DMB10 SECTION (1/4) —
IC B/D
(Page 50)
(Page 47)
(Page 48)
JL3505
JL3506
JL3507
JL3508
JL3509
JL3510
JL3511
JL3512
JL3513
JL3514
JL3515
JL3517
JL3516
R319
R318
ICT301
C3804
R3802
C3803
JL3504
JL3503
JL3502
JL3501
C3805
C306
C307
IC3711
Q3801
IC3731
IC3751
IC3771
C3801
C301
C305
JL344
JL343
JL3653
JL3652
JL3651
JL345
JL346
JL347
JL348
JL349
C302 R3805
R3804
R3803
R3781 R3783
R3782
R3784 C3782C3781
C3783R3785 R3786
R3787 R3788
C3708
C3707
C3773R3775
R3774
R3772
C3771
R3771 R3773
C3772
R3776
R3777
C3774
R3761 R3763
C3761
R3762
R3764 C3762 R3767
R3765 R3766C3763
R3768
C3764
C3706
C3705
R3752
R3754C3751
R3751 R3753
C3752
R3755 C3753
C3754
R3756
R3758
R3757
R3741 R3743
C3741
R3742
R3744 C3742 R3747
R3746R3745 C3743
C3744
C3704
R3748
C3703
R3732
R3734
R3735 C3733
C3732
R3736
R3737
R3733R3731
R3721 R3723
C3721 C3722
R3722
R3724 R3727
R3726
R3725
C3723
C3702
C3701
R3712
R3714C3711 C3712
R3715 C3713
R3711 R3713
R3717
R3716
R3718
C3714
R3719
R3729
C3724
R3728
R3738
C3734
R3739
R3749
R3759
R3769
R3778
R3779
R3789
C3784
R3801
C3802
R3653
R3652
R314
IC301
D3501
D3502
CN302
C3731
R3501
(Page 47)
(Page 48)
(Page 47)
• See page 70 for IC Block Diagrams.
w
w
w
.
x
i
a
o
y
u
1
6
3
.
c
o
m
Q
Q
3
7
6
3
1
5
1
5
0
9
9
2
8
9
4
2
9
8
T
E
L
1
3
9
4
2
2
9
6
5
1
3
9
9
2
8
9
4
2
9
8
0
5
1
5
1
3
6
7
3
Q
Q
TEL 13942296513 QQ 376315150 892498299
TEL 13942296513 QQ 376315150 892498299
http://www.xiaoyu163.com
http://www.xiaoyu163.com

Table of Contents

Related product manuals