EasyManua.ls Logo

Sony HCD-GRX7 - Schematic Diagram - TAPE DECK Section

Sony HCD-GRX7
86 pages
Print Icon
To Next Page IconTo Next Page
To Next Page IconTo Next Page
To Previous Page IconTo Previous Page
To Previous Page IconTo Previous Page
Loading...
HCD-GRX7/GRX7J/R700/RX77/RX77S
51
52
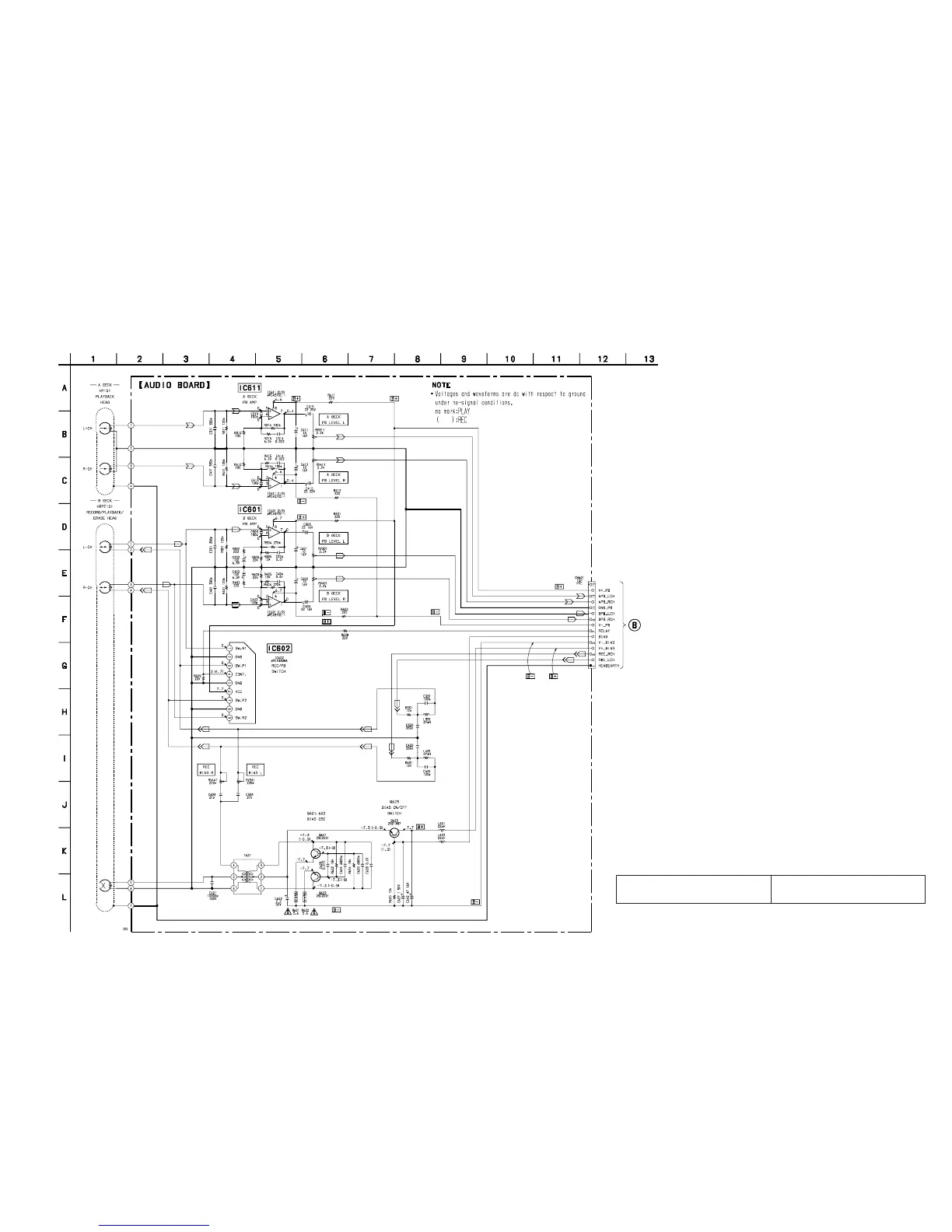
7-16. SCHEMATIC DIAGRAM – TAPE DECK Section –
• See page 33 for Note on Schematic Diagram.
See page 81 for IC Block Diagram.
(Page 61)
MAIN BOARD
CN106
The components identified by mark 0 or dotted
line with mark 0 are critical for safety.
Replace only with part number specified.
Les composants identifiés par une marque 0 sont
critiques pour la sécurité. Ne les remplacer que
par une piéce portant le numéro spécifié.

Table of Contents

Related product manuals