EasyManua.ls Logo

Sony HCD-GRX80 - Schematic Diagram - Main (2;4) Section

Sony HCD-GRX80
72 pages
Print Icon
To Next Page IconTo Next Page
To Next Page IconTo Next Page
To Previous Page IconTo Previous Page
To Previous Page IconTo Previous Page
Loading...
HCD-GRX80/RXD8/RXD8S
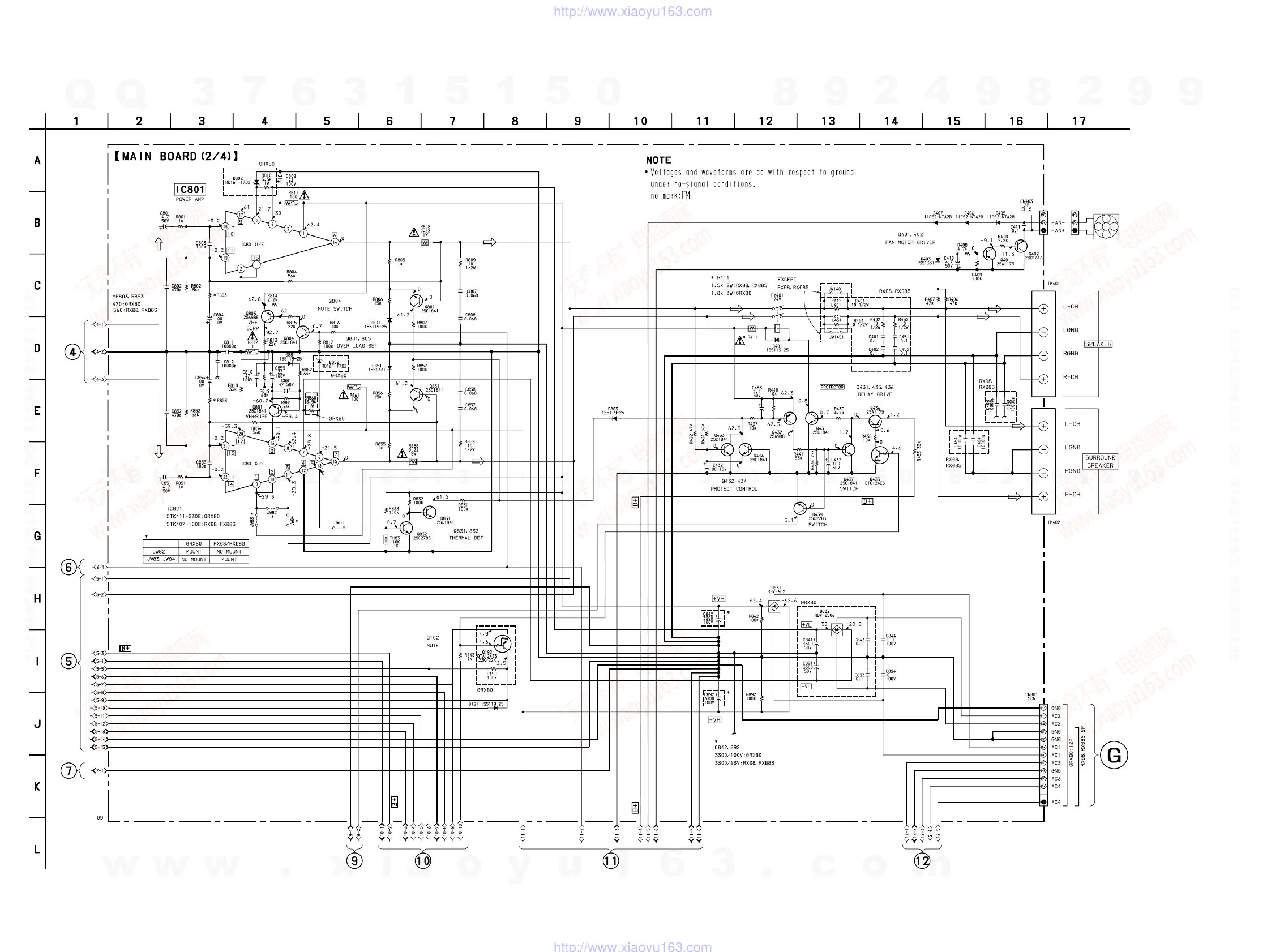
7-7. SCHEMATIC DIAGRAM – MAIN (2/4) SECTION –
• See page 35 for Printed Wiring Board.
– 39 – – 40 –
(Page
38)
(Page
42)
(Page
38)
(Page
42)
(Page 43)
(Page 43)
(Page 44)
(Page 44)
(Page 63)
w
w
w
.
x
i
a
o
y
u
1
6
3
.
c
o
m
Q
Q
3
7
6
3
1
5
1
5
0
9
9
2
8
9
4
2
9
8
T
E
L
1
3
9
4
2
2
9
6
5
1
3
9
9
2
8
9
4
2
9
8
0
5
1
5
1
3
6
7
3
Q
Q
TEL 13942296513 QQ 376315150 892498299
TEL 13942296513 QQ 376315150 892498299
http://www.xiaoyu163.com
http://www.xiaoyu163.com

Table of Contents

Related product manuals