EasyManua.ls Logo

Sony HCD-GRX80 - Schematic Diagram - Sub Trans Section

Sony HCD-GRX80
72 pages
Print Icon
To Next Page IconTo Next Page
To Next Page IconTo Next Page
To Previous Page IconTo Previous Page
To Previous Page IconTo Previous Page
Loading...
HCD-GRX80/RXD8/RXD8S
– 65 –
– 66 –
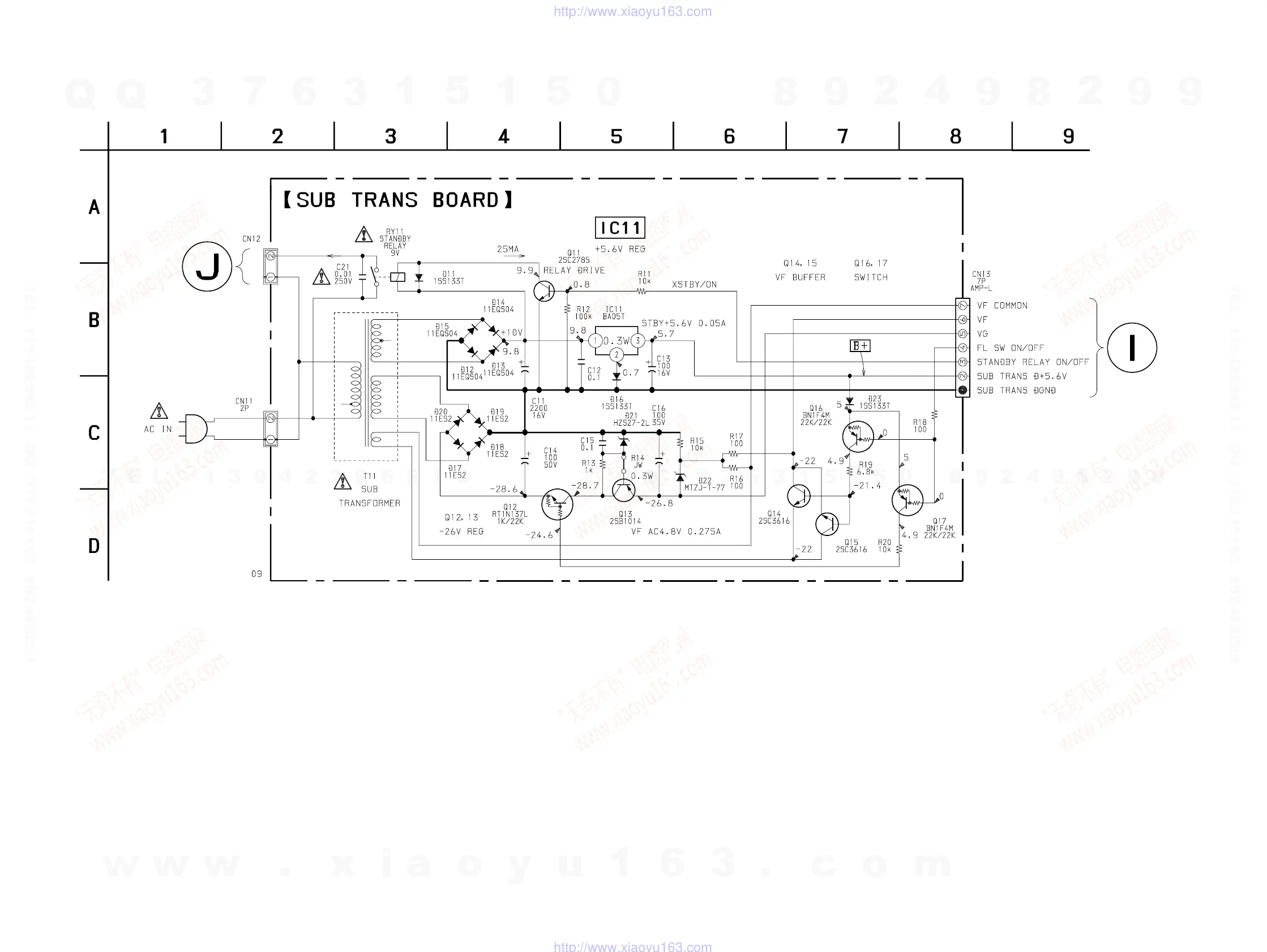
7-21. SCHEMATIC DIAGRAM – SUB TRANS SECTION – (RXD8/RD8S ONLY)
• See page 68 for Printed Wiring Board.
(Page 64)
(Page 43)
w
w
w
.
x
i
a
o
y
u
1
6
3
.
c
o
m
Q
Q
3
7
6
3
1
5
1
5
0
9
9
2
8
9
4
2
9
8
T
E
L
1
3
9
4
2
2
9
6
5
1
3
9
9
2
8
9
4
2
9
8
0
5
1
5
1
3
6
7
3
Q
Q
TEL 13942296513 QQ 376315150 892498299
TEL 13942296513 QQ 376315150 892498299
http://www.xiaoyu163.com
http://www.xiaoyu163.com

Table of Contents

Related product manuals