EasyManua.ls Logo

Sony HCD-R770 - Block Diagram - CD SERVO Section; 7 Diagrams

Sony HCD-R770
71 pages
Print Icon
To Next Page IconTo Next Page
To Next Page IconTo Next Page
To Previous Page IconTo Previous Page
To Previous Page IconTo Previous Page
Loading...
HCD-GRX50/R770/RXD7
– 19 – – 20 –
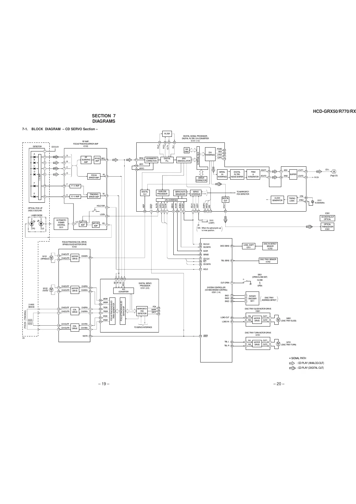
SECTION 7
DIAGRAMS
7-1. BLOCK DIAGRAM – CD SERVO Section –
SQSO
SQCK
A/D
CONVERTER
CH1OUTF
CH1OUTR
5
4
7
2
1
5
10
6
6
7
8
16
14
13
10
11
22
4
3
51
49
48
43
24
41
40
39
64 15
28
29
30
31
32
33
24
25
23
5
6
2
3
17
18
15
16
E
B
C
D
A
CD D+5V
F
DETECTOR
A
B
C
D
RF
SUMMING
AMP
FOCUS
ERROR AMP
RF EQ
AMP
TRACKING
ERROR AMP
RFO
FE
RF AMP,
FOCUS/TRACKING ERROR AMP
IC103
TE
E
F
F I-V AMP
E I-V AMP
AUTOMATIC
POWER
CONTROL
Q101
APC LD
AMP
APC PD
AMP
LD
LD
PD
LASER DIODE
RFAC
ASYO
ASYI
ASYMMETRY
CORRECTION
DIGITAL
PLL
DIGITAL SIGNAL PROCESSOR,
DIGITAL FILTER, D/A CONVERTER
IC101 (1/2)
DATA
XLAT
CLOK
14 5 6
MDP
26
7
8
XLON
3
XRST
DIGITAL
CLV
D/A
INTERFACE
SE
TE
FE
RFDC
FOCUS/TRACKING/SLED
SERVO DSP
FOCUS/TRACKING/SLED
PWM GENERATOR
SFDR
CH3FIN
CH4SIN
CH3RIN
CH3OUTF
CH3OUTR
CH2FIN
CH2RIN
CH1FIN
CH1RIN
20
MUTE
SRDR
TFDR
TRDR
FFDR
FRDR
S101
(LIMIT)
EMPH
WFCK
GFS
MIRR/DFCT/
FOK
DETECTOR
SERVO AUTO
SEQUENCER
SERVO
INTERFACE
CPU INTERFACE
18
63
62
61
19
SENS
20
35
57
58
37
56
19
SCOR
SQ-DATA
SQ-CLK
CD-DATA
XLT
CD-CLK
SENSE
SCOR
1 2
32
33
SCLK
COUT
9 21
SSTP
27
FOK
22
23
MIRR
DFCT
TO SERVO INTERFACE
CH4OUTF
CH4OUTR
M101
(SPINDLE)
MOTOR
DRIVE
MOTOR
DRIVE
COIL
DRIVE
CH2OUTF
CH2OUTR
COIL
DRIVE
M
M
M102
(SLED)
05
FOCUS/TRACKING COIL DRIVE,
SPINDLE/SLED MOTOR DRIVE
IC102
2-AXIS
DEVICE
(TRACKING)
(FOCUS)
DIGITAL SERVO
PROCESSOR
IC101 (2/2)
OPTICAL PICK-UP
(KSS-213D/Q-NP)
LDON
21
HOLD SW
PD
I-V AMP
12
11
13
14
54 56
53
55
FILTER
FILO
PCO
CLTV
FILI
EFM
DEMODULATOR
SERIAL
IN
INTERFACE
DIGITAL
FILTER,
NOISE SHAPER
PWM
&
INTEGRATOR
BUFFER
CLOCK
GENERATOR
OPTICAL
TRANSCEIVER
IC381
IC381
CD DIGITALOUT
OPTICAL
TIMING
LOGIC
DIGITAL
OUT
INTERNAL BUS
16K
RAM
ERROR
CORRECTOR
SUBCODE
PROCESSOR
60
HOLD
59
XRST
XTAI
X101
16.9344MHz
AIN1
AIN2
R-CH
CD-L
AOUT1
AOUT2
TO MIRR/DFCT/
FOK DETECTOR
PCMD
BCK
LRCK
C2PO
DOUT
66
XTAO
67
70
77
LOUT1
LOUT2
72
75
71
76
SIGNAL PATH
: CD PLAY (ANALOG OUT)
: CD PLAY (DIGITAL OUT)
SYSTEM CONTROLLER
(CD MECHANISM CONTROL)
IC501 (1/4)
When the optical pick-up
is inner position.
ON :
DISC TRAY
ADDRESS DETECT
(Page 23)
A
TBL-L
TBL-R
M
3
6
7
2
MOTOR
DRIVE
DISC TRAY TURN MOTOR DRIVE
IC701
OUT1
OUT2
IN1
IN2
M701
(DISC TRAY TURN)
LEVEL SHIFT
Q701
DISC IN DETECT
SENSOR
IC703
DISC TRAY SENSOR
IC702
ROTARY
ENCODER
S811
DISC-SENS
OUT-OPEN
S801
(OPEN/CLOSE DET)
ENC1
ENC2
ENC3
60
TBL-SENS
61
470
CLOSE
OPEN
71
69
68
2
3
63
65
LOAD-OUT
LOAD-IN
M
10
2
7
4
MOTOR
DRIVE
DISC TRAY SLIDE MOTOR DRIVE
IC801
OUT1
OUT2
FIN
RIN
M801
(DISC TRAY SLIDE)
66
67
All manuals and user guides at all-guides.com