EasyManua.ls Logo

Sony HCD-R770 - Schematic Diagram - MAIN Board (3;4)

Sony HCD-R770
71 pages
Print Icon
To Next Page IconTo Next Page
To Next Page IconTo Next Page
To Previous Page IconTo Previous Page
To Previous Page IconTo Previous Page
Loading...
HCD-GRX50/R770/RXD7
– 49 –
– 50 –
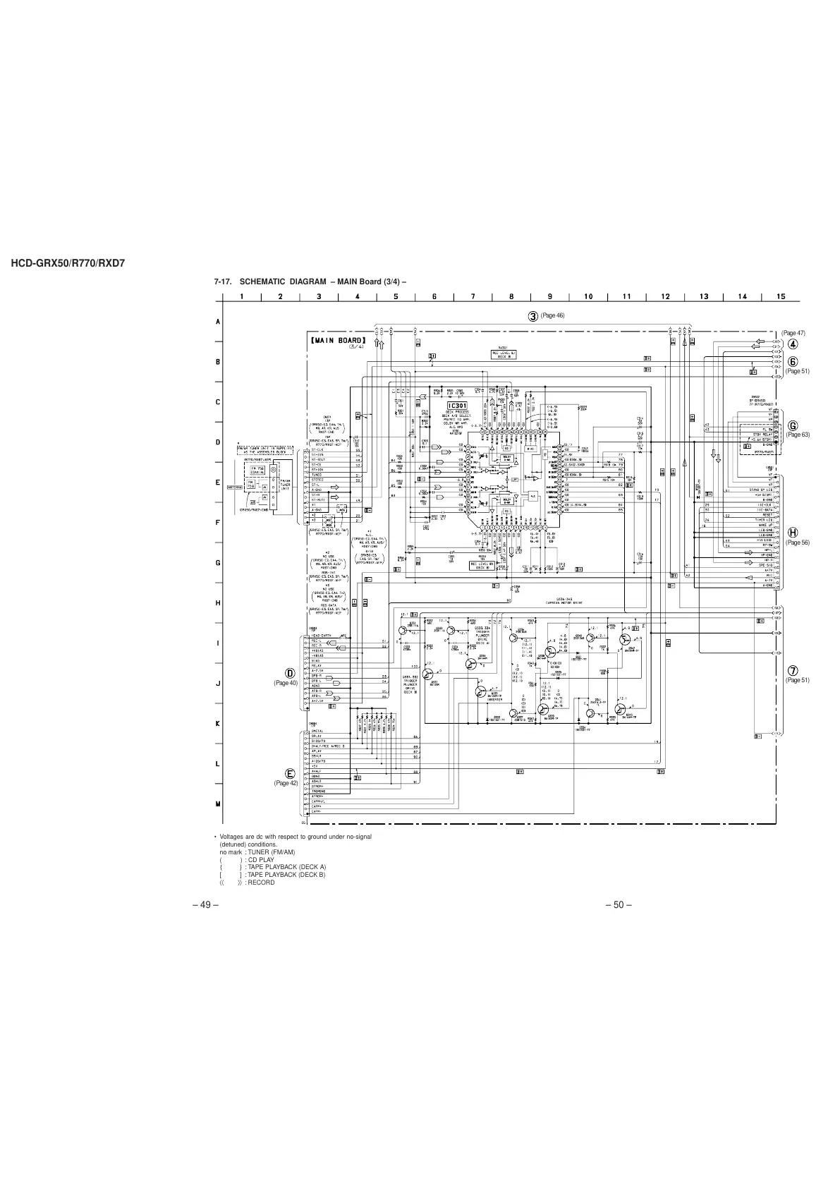
7-17. SCHEMATIC DIAGRAM – MAIN Board (3/4) –
Voltages are dc with respect to ground under no-signal
(detuned) conditions.
no mark : TUNER (FM/AM)
( ) : CD PLAY
{ } : TAPE PLAYBACK (DECK A)
[ ] : TAPE PLAYBACK (DECK B)
〈〈 〉〉 : RECORD
(Page 47)
(Page 51)
(Page 63)
(Page 56)
(Page 51)
(Page 46)
(Page 42)
(Page 40)
All manuals and user guides at all-guides.com

Related product manuals