EasyManua.ls Logo

Sony HCD-R770 - BLOCK DIAGRAM - DISPLAY;KEY CONTROL;POWER SUPPLY Section

Sony HCD-R770
71 pages
Print Icon
To Next Page IconTo Next Page
To Next Page IconTo Next Page
To Previous Page IconTo Previous Page
To Previous Page IconTo Previous Page
Loading...
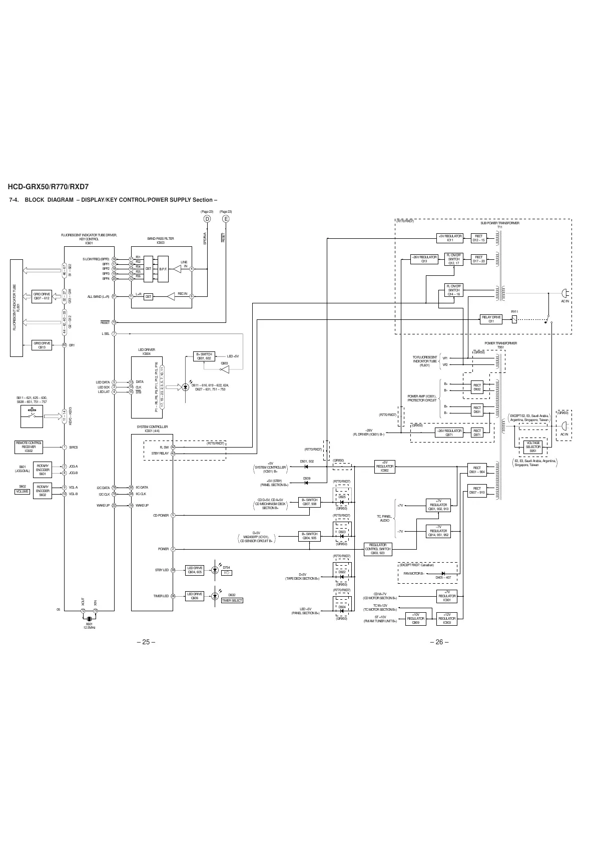
HCD-GRX50/R770/RXD7
7-4. BLOCK DIAGRAM – DISPLAY/KEY CONTROL/POWER SUPPLY Section –
– 25 –
– 26 –
REGULATOR
CONTROL SWITCH
Q903, 923
D925
D501, 502
+7V
REGULATOR
IC901
–26V
(FL DRIVER (IC601) B–)
+12V
REGULATOR
IC903
+10V
REGULATOR
Q909
–7V
REGULATOR
Q914, 951, 952
+7V
REGULATOR
Q901, 902, 913
ST +10V
(FM/AM TUNER UNIT B+)
TC M+12V
(TC MOTOR SECTION B+)
CD M+7V
(CD MOTOR SECTION B+)
B+ SWITCH
Q907, 908
D509
B+ SWITCH
Q904, 905
+5V
REGULATOR
IC902
+5V REGULATOR
IC11
RECT
D907 – 910
RECT
D901 – 904
RECT
D12 – 15
AC IN
POWER AMP (IC801),
PROTECTOR CIRCUIT
POWER TRANSFORMER
T951
RECT
D17 – 20
RECT
D832
RECT
D831
VOLTAGE
SELECTOR
S951
RECT
D971
RELAY DRIVE
Q11
FL ON/OFF
SWITCH
Q12, 17
FL ON/OFF
SWITCH
Q14 – 16
–26V REGULATOR
Q13
–26V REGULATOR
Q971
AC IN
SUB POWER TRANSFORMER
T11
RY11
+7V
TC, PANEL,
AUDIO
–7V
FAN MOTOR B–
VF1
TO FLUORESCENT
INDICATOR TUBE
(FL601)
VF2
B+
B–
B+
B–
REMOTE CONTROL
RECEIVER
IC602
GRID DRIVE
Q607 – 612
FLUORESCENT INDICATOR TUBE DRIVER,
KEY CONTROL
IC601
SYSTEM CONTROLLER
IC501 (4/4)
LED DRIVER
IC604
BAND-PASS FILTER
IC603
Q603
LED +5V
S LOW FREQ (BPF0)
18
BPF2
19
BPF3
20
BPF4
GRID DRIVE
Q613
DET
DET
B.P.F.
21
ALL BAND (L+R)
REC IN
LINE
IN
1
SIRCS
ROTARY
ENCODER
S601
ROTARY
ENCODER
S602
2
JOG-A
9
VOL-A
8
JOG-B
10
72
70
VOL-B
XOUT
XIN
B+ SWITCH
Q601, 602
LED DRIVE
Q606
KEY0 – KEY3
BPF1
F01
F04
F05
F06
F02
GR1
(Page 23)(Page 23)
D
D611 – 616, 619 – 622, 624,
D627 – 631, 751 – 753
SPEANA
L SEL
7
TIMER LED
26
LED DATA
5
LED SCK
3
LED LAT
DATA
CLK
4
13
14
15
45
I2C DATA
I2C CLK
IIC-DATA
FL SW
IIC-CLK
RESET
RESET
17
79
78
29
WAKE UP
WAKE UP
22
18
30
42
STBY RELAY
43
CD-POWER
5
POWER
2
73
16
14
13
12
L+R
11
16
17
4
6
11 – 14
S1 – S22
46 – 67
G13 – G18
32 – 27
G2 – G12
44 – 42, 40 – 33
17, 19 – 23, 2, 3, 5, 7, 10, 11
P1 – P6, P8, P9, P11, P12, P15, P16
S601
(JOG DIAL)
S611 – 621, 625 – 630,
S638 – 651, 751 – 757
05
S602
VOLUME
X601
12.5MHz
E
STB
LED DRIVE
Q604, 605
STBY LED
39
D632
TIMER SELECT
D754
I/u
(R770/RXD7)
(GRX50)
(GRX50)
(GRX50)
(GRX50)
(GRX50)
(R770/RXD7)
(R770/RXD7)
(R770/RXD7)
(R770/RXD7)
EXCEPT E2, E3, Saudi Arabia,
Argentina, Singapore, Taiwan
E2, E3, Saudi Arabia, Argentina,
Singapore, Taiwan
CD D+5V, CD A+5V
CD MECHANISM DECK
SECTION B+
+5V
SYSTEM CONTROLLER
(IC501) B+
D+5V
M62493FP (IC101),
CD SENSOR CIRCUIT B+
D923
D405 – 407
(GRX50)
(R770/RXD7)
D+5V
(TAPE DECK SECTION B+)
+5V (STBY)
(PANEL SECTION B+)
LED +5V
(PANEL SECTION B+)
D922
(GRX50)
(EXCEPT RXD7: Canadian)
(R770/RXD7)
D924
(GRX50)
(R770/RXD7)
FLUORESCENT INDICATOR TUBE
FL601
All manuals and user guides at all-guides.com

Related product manuals