EasyManua.ls Logo

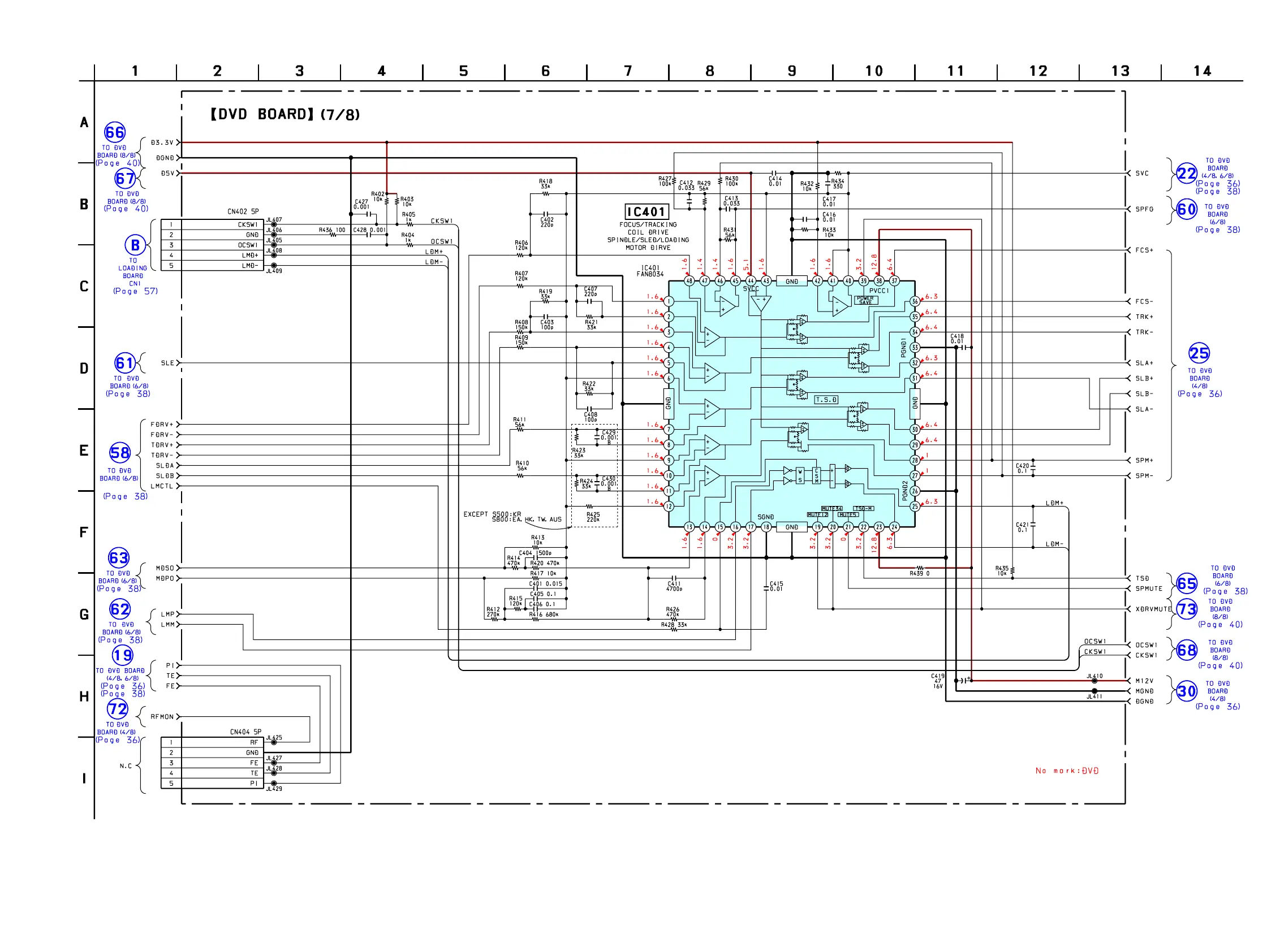
Sony HCD-S500 - Schematic Diagram - DVD (7;8) Section

Sony HCD-S500
108 pages
Print Icon
To Next Page IconTo Next Page
To Next Page IconTo Next Page
To Previous Page IconTo Previous Page
To Previous Page IconTo Previous Page
Loading...
3939
HCD-S500/S800
6-12. SCHEMATIC DIAGRAM DVD (7/8) SECTION

Related product manuals