EasyManua.ls Logo

Sony HCD-S500 - Schematic Diagram - I;O Section (2;2)

Sony HCD-S500
108 pages
Print Icon
To Next Page IconTo Next Page
To Next Page IconTo Next Page
To Previous Page IconTo Previous Page
To Previous Page IconTo Previous Page
Loading...
4747
HCD-S500/S800
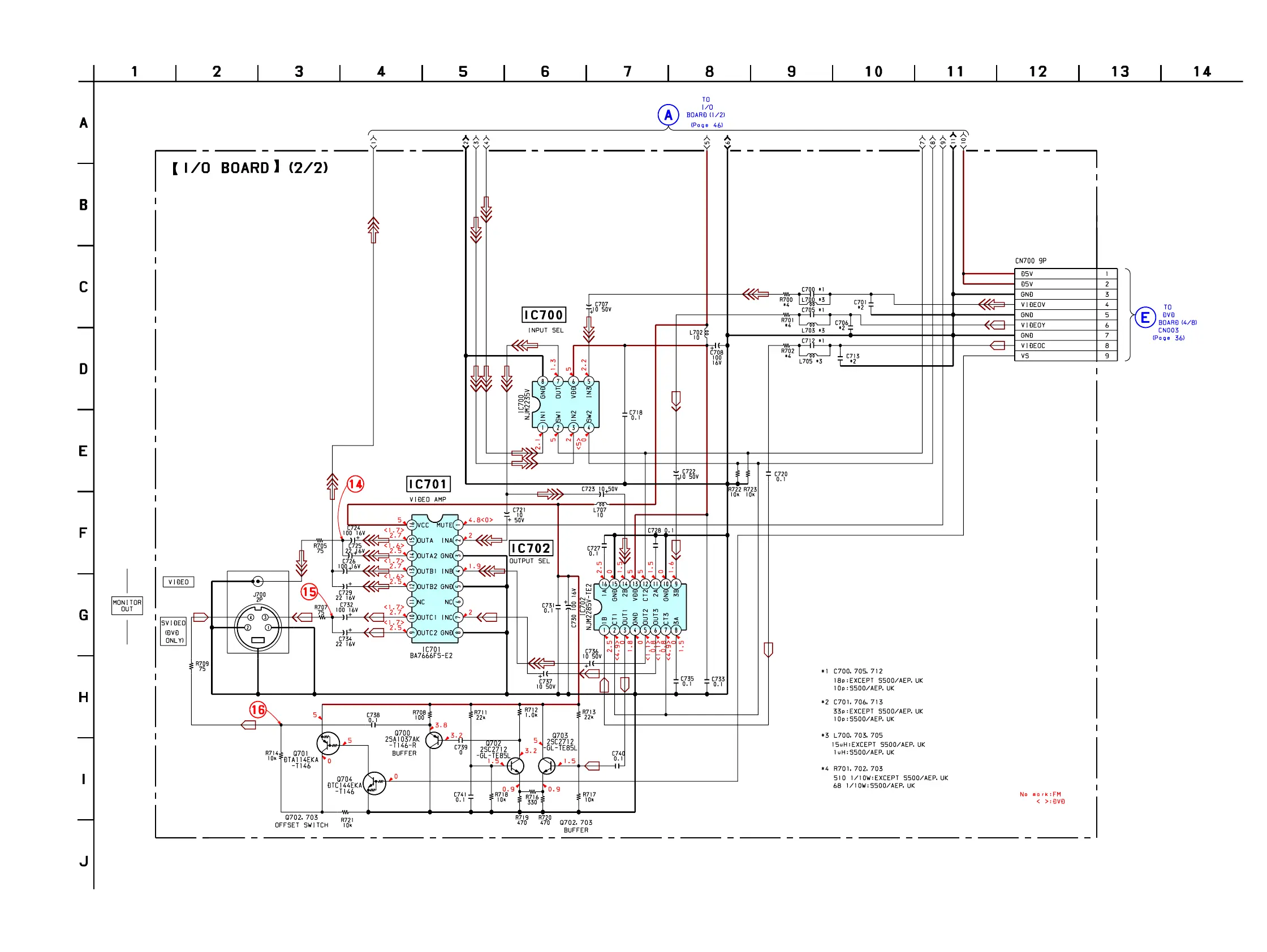
6-20. SCHEMATIC DIAGRAM I/O SECTION (2/2)
See page 25 for Wavefoms.

Related product manuals