EasyManua.ls Logo

Sony HCD-VX8J - Schematic Diagram - Video (1;3) Section

Sony HCD-VX8J
84 pages
Print Icon
To Next Page IconTo Next Page
To Next Page IconTo Next Page
To Previous Page IconTo Previous Page
To Previous Page IconTo Previous Page
Loading...
HCD-VX8/VX8J
– 43 –
– 44 –
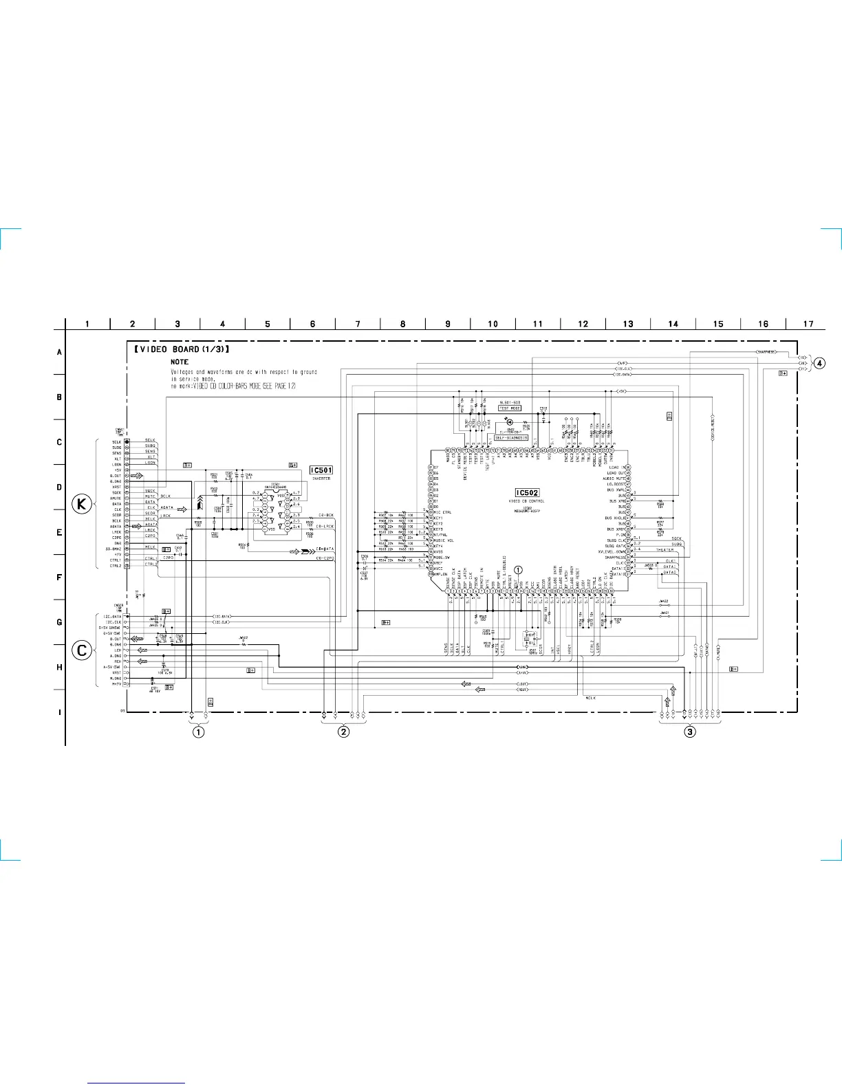
8-8. SCHEMATIC DIAGRAM – VIDEO (1/3) SECTION –
• See page 32 for Waveforms.
• See page 82 for IC Pin Functions.
(Page
47)
(Page 47)
(Page 45)
(Page 45)
(Page 51)
(Page 35)

Table of Contents

Related product manuals