EasyManua.ls Logo

Sony HCD-VX8J - CD Mechanism Deck Section-2 (CDM38 L-5 BD34 L)

Sony HCD-VX8J
84 pages
Print Icon
To Next Page IconTo Next Page
To Next Page IconTo Next Page
To Previous Page IconTo Previous Page
To Previous Page IconTo Previous Page
Loading...
– 94 –
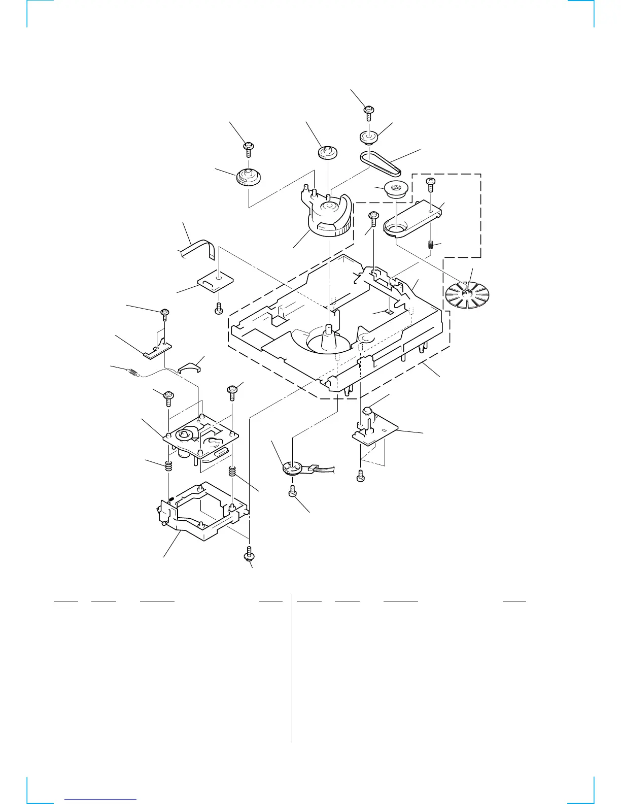
9-5. CD MECHANISM DECK SECTION-2 (CDM38L-5BD34L)
Ref. No. Part No. Description Remark Ref. No. Part No. Description Remark
251 4-981-789-11 BRACKET (2), YOKE
252 4-977-954-01 PULLEY (SL)
253 4-977-953-01 GEAR (SL-A)
254 4-977-955-01 GEAR (SL-B)
255 4-977-942-01 BELT (SL) (1.4)
256 X-4946-667-1 CAM ASSY, BU
257 1-452-925-21 MAGNET ASSY
258 1-776-042-11 WIRE (FLAT TYPE) (8 CORE)
* 259 1-658-575-11 CONNECTOR BOARD
260 4-900-743-01 SPRING, COMPRESSION
261 4-985-672-01 SCREW (+PTPWHM2.6), FLOATING
* 262 1-658-578-11 MOTOR (SLIDE) BOARD
263 4-982-447-01 SPRING (BU), COMPRESSION
264 4-951-620-41 SCREW (2.6), +BVTP
265 X-4949-570-1 HOLDER (BU) ASSY
266 4-989-494-01 SCREW (SLIDER), STEP
267 4-989-492-11 SLIDER (38)
268 4-989-819-02 SPRING, TENSION
269 4-989-491-11 COVER, LENS
270 4-993-142-21 PULLEY (L), PRESS
* 271 4-900-718-01 BRACKET (ADJUSTMENT)
272 X-4950-020-2 CHASSIS (CDM) ASSY
S811 1-473-335-11 ENCODER, ROTARY
M801 A-4672-004-A MOTOR ASSY (SLIDE)
251
251
251
252
253
254
255
257
251
270
256
258
259
260
271
261
261
BU-5BD32L
#2
#7
#2
S811
M801
not supplied
not supplied
262
272
263
264
265
263
266
269
268
267

Table of Contents

Related product manuals