EasyManua.ls Logo

Sony HD-IS10 - Schematic Diagram - DVD Section (4;5)

Sony HD-IS10
82 pages
Print Icon
To Next Page IconTo Next Page
To Next Page IconTo Next Page
To Previous Page IconTo Previous Page
To Previous Page IconTo Previous Page
Loading...
HCD-IS10
3636
HCD-IS10
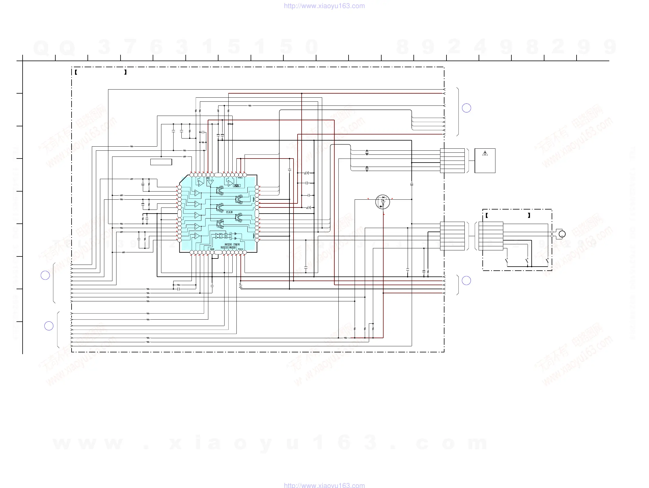
6-7. SCHEMATIC DIAGRAM – DVD Section (4/5) –
(Page 33)
(Page 35)
(Page 34)
(Page 33)
BOARD
10
DMB-IVHD
(2/5)
BOARD
11
DMB-IVHD
(3/5)
DMB-IVHD
(1/5)
BOARD
7
DMB-IVHD
3
BOARD
(1/5)
1.4
1.4
1.4
1.4
1.4
3.2
3.2
2.2
1.4
1.4
1.4
1.4
4.2
4.2
4.2
5
4.2
4.2
4.2
4.2
4.2
3.30
0
4.2
8.7
3.3
3.2
3.2
3.2
3.2
3.2
0
1.4
1.4
3.6
4.2
8.7
8.7
2.6
3.3
3.3
1.4
4.9
0
2.4
2.4
1.4
0.01
C212
100k
R223
4.7k
R239
16V
47
C217
33k
R208
220p
C205
56k
R221
15k
R231
27k
R219
16V
10
C218
100
R243
1.2k
R204
0.033
C211
0.01
C203
1000p
C226
12k
R216
0.01
C219
1
2
3
4
5
6
6P
CN201
SP-
SP+
LIMIT
(GND)LIMIT
SL-
SL+
15k
R214
56k
R226
0.01
C213
0.01C210
1k
R237
4700p
C233
16V
10
C220
33k
R209
10k
R205
10k
R206
0
R228
18k
R232
1000p
C225
82k
R230
0
R227
100k
R225
0.033
C209
0.1
C223
1k
R236
10k
R224
0.01
C208
1k
R247
47k
R210
33k
R222
10k
R234
0.01
C224
10k
R212
4.7k
R238
6.8k
R213
12k
R215
4.7k
R246
1k
R220
220p
C206
0.01
C215
1000p
C214
2.7k
R207
1
2
3
4
5
6
7
8
9
10
11
12
13 14 15 16 17 18 19 20 21 22 23 24
25
26
27
28
29
30
31
32
33
34
35
36
373839404142434445464748
GND
GND
GND
GND
IC201
FAN8036L
SPFG
SW+5V
TRO
VREFO
CKSW
FMO
SW+3.3V
IOP
OCSW
DMO
IOPMON
OCSW1
TROPENPWM
FCS-
GND
LIMITSW
FWD
FCS+
REV
TRK+
MUTE123
FOO
TRK-
RF+3.3V
MUTE
REG01
TSD_M
REG02
SW+9V
MTR_GND
0.1
C222
0.1
C221
33k
R233
C2501
1000p
TRG_SW
S
2SK1828TE85L
Q2001
R2501
4.7k
R2502
1k
1
2
3
4
5
6
7
7P
CN202
TRG_SW
NC
LDM+
LDM-
GND
CKSW1/FWD
OCSW1/REV
7
6
5
4
3
2
1
OCSW1/REV
CKSW1/FWD
GND
LDM-
LDM+
NC
TRG_SW
FCS-
FCS-
FCS+
TRK+
TRK-
SL+
SP-
SP+
SL-
SL-
FCS+
TRK+
TRK-
SP+
SL+
SP-
(4/5)DMB-IVHD BOARD
IC201
FOCUS/TRACKING
COIL DRIVE,SPINDLE
SLED/LOADING MOTER DRIVE
(KHM-313CAB)
BLOCK
PICK-UP
OPTICAL
(2/2)
SWITCH
A
1012
H
B
1311
C
78
I
14
F
964 1815 163
G
D
5 17
E
12
CN001
S001
7P
(DISC IN/OUT)
S002
(CHUCKING)
S003
(TRIGGER)
MS-214 BOARD
M001
(LOADING)
M
w
w
w
.
x
i
a
o
y
u
1
6
3
.
c
o
m
Q
Q
3
7
6
3
1
5
1
5
0
9
9
2
8
9
4
2
9
8
T
E
L
1
3
9
4
2
2
9
6
5
1
3
9
9
2
8
9
4
2
9
8
0
5
1
5
1
3
6
7
3
Q
Q
TEL 13942296513 QQ 376315150 892498299
TEL 13942296513 QQ 376315150 892498299
http://www.xiaoyu163.com
http://www.xiaoyu163.com

Table of Contents