EasyManua.ls Logo

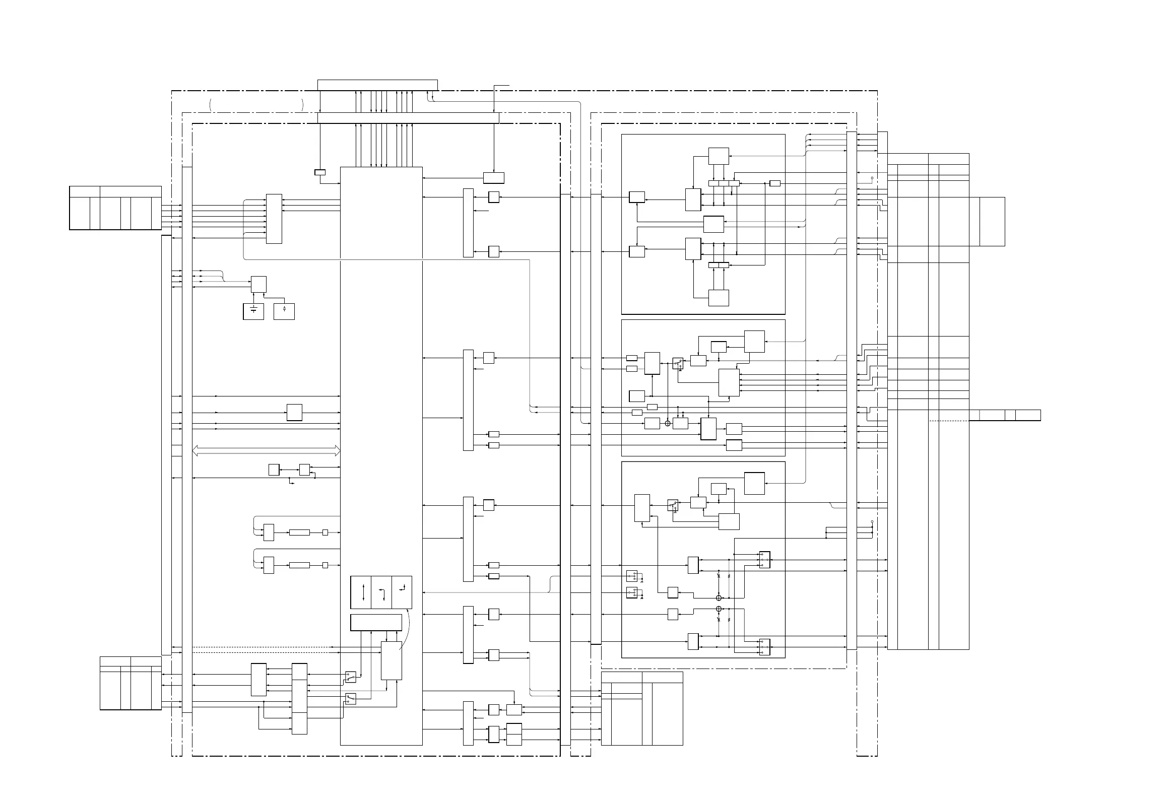
Sony HDC1550 - AU-298; DAP-33

Sony HDC1550
550 pages
Print Icon
To Next Page IconTo Next Page
To Next Page IconTo Next Page
To Previous Page IconTo Previous Page
To Previous Page IconTo Previous Page
Loading...
3-5
HDC1000/V2 (J, E)
3-5
ATT
AMP
IC402
5,6 MIC1
SEL
14,15
12,2
13,1
3W
(4)
MODE
10,11IC401
11-F/R
IC12(1/2)
AB PH 48V
32
18,19
1-AB
ON/OFF
ON/OFF
1-PH
F-MIC1 IN
AUDIO1 IN
FRONT-MIC PH-ON/OFF
PHANTOM(+48V)
3W,CLK,LD
GAIN
(4+4)
3W-1,2
IC13
3W,CLK,LD
18,19
IC411
10,11
14,15
SEL
MIC25,6
IC412
AMP
ATT
IC12(2/2)
2-F/R
4
3W
(4)
MODE
2-PH
ON/OFF
ON/OFF
2-AB
56
PHAB
13,2
12,1
AUDIO2 IN
F-MIC2 IN
17
3W-DOUT
MIC
INCOM1
SEL
IC202
MIC1
OUT
OUT
MIC2
INCOM
IT OUT
INCOM OUT
STANDBY
STANDBY
DETECT
IC18
IC207
SEL
BUFF
E-VR
7
6
IC15
IC16
BUFF
AMP
IC206IC204
Q218,219
1
IC208
AMP
7
1
2
2
1
7
AMP
IC209
MIC
ON/OFF
CONT
IC19
MIC SW ON
AMP
IC201
5,6
MIC-ON/OFF(REAR)
MIC-ON/OFF(RET-CN)
MIC-ON/OFF(LENS)
MIC-ON/OFF(DEMAND)
POWER
3W
CONT
POW
IC11
1-4,6UNBAL-ON/OFF
GAIN CONT,
5
INCOM1 TALK IN
18-20
3W_LD,CLK,
DIN
1
VOL1
FVOL
STANDBY
INCOM IN
RCV IN
INCOM1
PGM IN
INCOM1
INCOM2
3W_CLK,LD
18,19
GAIN CONT
POW
CONT
(6)
POWER
IC302(2/2)
SEL
TALK OUT
INCOM2
7
IC301
AMP
IC302(1/2)
INCOM2 TALK IN5,6
MIC ON/OFF
IC12(2/2)
CONT
ON/OFF
MIC
4
11
3W
IC13
RTS ON/OFF
RTS-POW
RTS
S1(1/2)
AMP
4W
7
1
IC304
2
BUF
IC305
IC307
BUF
S2(1/2)
CANCEL
CANCEL
2
IC306
1
7
4W
AMP
RTS
RTS-POW
RECEIVE
INCOM2
OUT
RTS1
PGM IN
INCOM2
IN
AU-298
3W
3W
3W
3W
79
77
75
73
CN1
57
59
63
65
CN101
164
102
193
185
155
163
143
145
82
80
76
78
87
85
103
101
97
95
3W DIN
3W CLK
3W LD
3W DOUT
VOL1
FVOL(AU)
INCOM1 RECEIVE(X)OUT
INCOM1 RECEIVE(Y)OUT
INCOM1 PGM(X)OUT
INCOM1 PGM(Y)OUT
+48V
NC
HDC1000/1100
/1580/1400/1450
CN2
10
CN-2617
FRONT SW
NC FRONT MIC CN
CN-2615
1
CN3
6
CN1
24
CN-2621CN1 CN-2606
16 21
NC
CN3
4
CN-2615
FRONT MIC CN
CN-2603
INCOM PANEL
2
CN1
CN1
19
SW-1273
INCOM PANEL
16 20
7
23
12
10
CN1
CN17
NC
RET CONT
CN-2604
MB-1060
LENS
CN-2621
EXT CN
CN1
16
MB-1059
BUILT UP
CN17
9
CN-2617
FRONT SW
CN9
5
NC
4
CN3
FRONT SW
SW-1239
INCOM PANEL
CN-26036
CN1
INCOM PANEL
SW-1273
22
CN1
20
4
18
23
25
26
(X)
(Y)
63
65
15
29 29
28
96
98
100
+26V
19
17
INCOM2 RECEIVE(X)OUT
RTS1 IN/OUT
INCOM2 RECEIVE(Y)OUT
11
25 32
31
13
11
INCOM2 PGM(Y)OUT
INCOM2 PGM(X)OUT
RTS2 IN/OUT
13
27 35
34
CN1
175
167
137
131
88
86
129
125
121
57
51
41
47
147
143
47
41
51
57
121
125
54
56
137
LPF
CN1
MIC1
IC272
IC273
MIC2
LPF
A/D
RS422
RECEIVER
113
28 MIC1/2
AES1/2
IC201
BCK(64FS)
LRCK(FS=48K)
PGM1/2
SPARE1/2
INCOM1/2
TRUNK1/2
MIC1/2
AES1/2
INCOM1/2
TRUNK1/2
160
158
161
159
157
155
171
169
167
165
AES/EBU(X)(Y)
IC75
IC271
PDN
IC302
LPF
INCOM1 TALK IN
IC301
A/D
D/A
PDN
VOL1
FVOL
AMP
IC303
IC304
AMP
INCOM1 RECEIVE OUT
INCOM1 PGM OUT
97
32
INCOM1
INCOM1-R/P
INCOM2-R/P
INCOM2
29
94
INCOM2 PGM OUT
INCOM2 RECEIVE OUT
AMP
IC354
IC353
AMP
PDN
D/A
A/D
IC351
INCOM2 TALK IN
LPF
IC352
IC402
LPF
RTS1 IN
IC401
88 RTS1
PDN
A/D
D/A
AMP
IC403-405
EARPHONE23 EARPHONE-L OUT
ERAPHONE-R OUT
29
33
L
R
/1580/1400/1450
HDC1000/1100
NC
NC
CN1
19
21
8
7
CN1
23
25
AMP
O/-20dB
TRACKER TALK(X)IN
TRACKER TALK(Y)IN
87 TRACKER IN GAIN
IC451
D/A
A/D
LPF
IC453
PDN
IC454,455
LPF
AMP
AMP
IC456
TRACKER RECEIVE OUT
TRACKER PGM OUT
17
13
5
1
CN-2604
TRACKER CN
EARPHONE
CN-2619
TRACKER CN
15
17
11
12
TRACKER36
TRACKER-R/P21
164
27MCLK
NOMAL
232C
(a)
(c)
(b)
(c)
(a)
(b)
(c)
(a)
(b)
DEBUG
CRANE
CCU DEBUG
422A-2CH
TRUNK
ENC/DEC
(a)
(b)
(c)
TRUNK1-422TX
59
120
422A
232C
TRUNK1-TX
TRUNK2-TX
TRUNK1-RX
TRUNK2-RX
422A
TRUNK1-RX
IC82(2/2)
TRUNK1
422TX-X
422TX-Y
TRUNK1-TX
TRUNK2-TX
SEL
IC82(1/2)
422RX-X
TRUNK1
TRUNK2
422RX-Y
195
193
TRUNK1 IN(CRANE)
TRUNK2 IN(CRANE)
TRUNK1 OUT(CRANE)
TRUNK2 OUT(CRANE)
191
189
183
185
PLL 24.576M
X1
IC212
135
64,66
125,127
186
IC214
X2
24.576MPLL
PLL1
PLL2
ROM
EPR
CN
CN2 IC202
CPU BUS
25XRESET(AT)
XCS(AT)
3.3V
POWER
DET
76XRE-CONFIG
IC203
XRE-CONFIG(AT)
XMUTE
SEL
156
172
95
71
89
24
90
SEL1
SEL2
SEL3
PLD
DIGITAL
MATRIX
SEL
IC61
VOL1
VOL2
VOL3
VOL4
VOL5
VOL6
FVOL(DAP)
VOL SEL
58
60
62
64
66
50
REAL
TIME
CLOCK
IC81
97
99
101
103
RTC-CLK
RTC-DATA
RTC-CS
BATTERY LEVEL
BATTERY
BT1
SUPER CAP
C74
30
32
38
36
137
66
154
152
156
154
152
CN101
HDC1000/1100
/1580/1400/1450
CN1 CN1SW-1241
10
8
12
9
7
30
26
12
21
17
CN-2603
INCOM
PANEL PANEL
INCOM
CRANE
CNCN
CRANE
CN-2604
21
22
19
20
3
4
1
2
CN-2619 CN1CN1
/1580/1400/1450
HDC1000/1100
177
179
CN1
CN101
123
20
22
24
26
28
32
34
36
38
7
8
CN-2606,11-18,19(HDC1000/1100)
CN-2621,1-17,18(HDC1500/1600/1550/1580/1400/1450)
DAP-33
CN1
MB-1060
MB-1059
DPR-265
162
SEL*
7
7
16
3
+30V IN(RTS)
AT-163
AT-163
HDC1500/1600/1550
HDC1500/1600/1550
HDC1500/1600/1550
HDC1500/1600/1550
IC213
26
7
5
138,139 RTS-DETECT
IC452
7
5
IC213
IC213
Q449
GAIN-CONT[3:0]
GAIN-CONT[3:0]
IC205
IC203
IC204
(Y)
(X)
(Y)
(X)
(Y)
(X)
(Y)
(X)
(Y)
(X)
191
183
153
161
NC
7 25 EXT CNMIC PANEL
2
CN8
5
CN-2621GA
4 EXT CN
15 22
1
2
NC 5
9-12
UNBAL
RTS1-DET
RTS2-DET
S1
S2
RV2
RV1
73
||
73
8888
106
PDN
174164
CONF_DONE
CN1SW-1241B
10
NC
12
9
7
PANEL
INCOM
(HDC1000/1100)
/1400/1450
HDC1500/1600/1550/1580
CN1
7
SW-1241 CN1
11
SW-1241B
AU-298, DAP-33AU-298, DAP-33
AU-298, DAP-33

Table of Contents

Related product manuals