EasyManua.ls Logo

Sony HDC1550 - AT-163

Sony HDC1550
550 pages
Print Icon
To Next Page IconTo Next Page
To Next Page IconTo Next Page
To Previous Page IconTo Previous Page
To Previous Page IconTo Previous Page
Loading...
3-6
HDC1000/V2 (J, E)
3-6
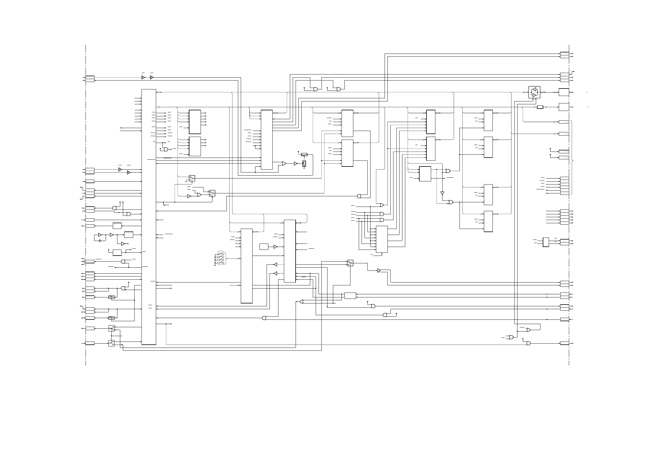
AT-163 (1/2)AT-163 (1/2)
AT-163 (1/2)
MS XINS-in
MS POWER-out
5 61312
IC144
IC109
CPU
AN0
AN1
AN2
AN3
AN4
AN5
AN6
AN7
D0-31
A0-21
118
119
120
121
122
123
125
126
AN7
AN6
AN5
AN4
AN3
AN2
AN1
AN0
TXD1
RXD1
133
134LENS TX
LENS RX
CS0
CS1
CS2
CS3
49
CS3
CS2
CS1
CS0
54
53
50
48
1
3
47
WRHH
WRHL
WRH
WRL WRL
WRH
WRHL
WRHH
RD
43
RD
IC108
A18
A19
A20
A21
CS2
1
2
3
5
4
ADDRESS
DECODER
15
14
13
12
11
CS2 TAC
CS2 BAR
CS2 SDI
CS2 VDA
CS2 DAP
DECODER
ADDRESS
4
5
3
2
1
CS2
A21
A20
A19
A18
IC110
CS2 9093B
CS2 9093A
CS2 PLD
13
14
15
110
109
111
DRAK MS
DREQ MS
INTR MS
DRAK0-2
DREQ0-2
PE2
TCLKD
TCLKC
52
51
IC144
21
4
3RE A
RE B
BUSY BCS 114
PE4
SCK BCS
RXD BCS
TXD BCS
132
130
131
SCK0
RXD0
TXD0
TXD R-PNL
RXD R-PNL
101-21
101-35
101-18
101-16
101-44
101-50
101-48
101-46
101-159
101-161
7
1
2
5
6
143
TXD3
142
TXD3
IC146
IC146
+3.3V
+3.3V
CoPro-IRQ 116
PE6101-99
FAN FULL
101-19
PLUSE
GEN
100
PA16
Q102,103
1/2
DIVIDE
IC113
96
EXATL
IC130
26
IC130
53
EXTAL-CLK
IC130
71
X101
16.934MHz
RESET
IC117,144
108
RES
RES
+3.3V
RESET
101-95
3
6
5
IC136
RES
RESET RESET
4
RTC-CS
RTC-CLK
RTC-DATA
144
2
5
PE13
PE14
PE15
101-32
101-36
101-38
33
PA18
3
5
6
IC120
+3.3V
31
SCL0
SCL-SW
SCL-SW(R)
101-49
101-53
SCL-OHB
101-45
IC106
17
5
SDA-SW
SDA-SW(R)
101-51
101-55
32
SDA0
SDA-OHB
101-47
IC107
17
5
7
6
SUB-TRUNK-RX
140
TXD2
101-154
DeBUG TX
IC103
1
7
6
SUB-TRUNK-TX
137
RXD2
101-152
DeBUG RX
1
DeBUG/Sub-TRUNK
5
5
103
MD0
JIG DET
A21 2
1
6
IC114
5
138
PE8
136
IRQ1
139
PE9
CONF-DONE
ReCONFIG
36
IRQ3-1
34
IRQ2-1
101
WAI-2
107
CK
CPU CLK
32
A1
A2
A3
38
37
36
IC143
MEMORY
STICK
CONTROL
30
29
11
20
35
34
33
32
12
13
28
MS CS3
WRL
WRH
RD-2
RESET
CPU CLK
16
D0-15
16
17
15
27
26
24 2
1
IC131
4
2
IC129
4
+3.3V
Q105
Q104
A2-20
19
FLASH
MEMORY
IC118
11
28
12
WRHH
RD
RES
9
26
A2-20
19
FLASH
MEMORY
IC122
11
28
12
WRH
RD
RES
9
26
2
1
6
IC115
5
CS0
CS1
1
2
IC134
7
CS0(ROM)
1
IC129
7A21
16
15
16
15
3
5
6
IC116
113
PE3
D16-31
D0-15
SRAM
IC127
18
A2-19
RD-2
41
6
17
40
39
SRAM
IC128
18
A2-19
RD-2
41
6
17
40
39
A16
ADDRESS
DECODER
IC125
A20
A21
1
2
4
CS3
16
16
D16-31
D0-15
FRAM
IC133
15
A1-15
WRH
27
22
FRAM
IC139
15
A1-15
8
8
D8-15
D0-7
27
22
20
20
RD
WRL
RD
IC132
2
1
3
MS CS3
6
2
9
10
8
IC129
IC132
15
14
FRAM
IC141
15
A1-15
WRH
27
22
FRAM
IC142
15
A1-15
8
8
D8-15
D0-7
27
22
20
20
RD
WRL
RD
+3.3V
IC126
1
2
7
+3.3V
IC126
5
6
3
MS SDIO
MS CLK
MS BS
101-31
101-33
101-23
101-25
101-27
MS-LED-R
MS-LED-G
101-74,76
78,80,82
84,86,88
88
119
8
D0-7D0-7
101-73,75
77,79,81
83
BUFF
IC123
66
A0-5
102-31
A0-5
A1-20 A1-20
20
D0-15
16
2
1
IC138
7
6
5
IC137
3
1
2
7
CS1
WRHL
WRHH
WRL
WRH
IC124
SRAM
2
3
5
6
11
10
14
13
RD
1
4
7
9
12
UB1
LB1
UB0
LB0
PLD
(1/2)
IC404(1/2)
8
41
42
43
40
WRL
RD-2
CS2-PLD
EXTAL-CLK
123,11
13,72
4
S201
74
4
Board-ID
0-3
A0
SERIAL
I/F
IC301
4
A0-3
13
15
WRL
RD-2
VCO
27MHz
X301
IC305
71
69
19
15 COM RESET
IC305
3565
IC305
6266
17
3
1
2
IC302
8
D0-7
8
D0-7
CS2 9093A
73
CS2 9093B
74
RESET
70
29
54
33
34
49
TVDA
TVDB
RVDA
RVDB
RVDA
RX
RECEIVER
PH301
1
2
IC304
130
166
4
2
1
Sub-Trunk/SIO
101-72
101-11
101-13
+5V
IC308
1
2
4
101-7
+3.3V
IC307
1
2
4
101-5
+3.3V
1
2
7
IC120
101-93
CPU CK
1
2
7
IC135
RD-2
CN102
IC134
5
6
3A21
CS2
102-32
102-33
102-34
102-51
102-52
+3.3V
+5V
CSO
RD-2
WRH
WRL
UP_DATE
JIG DET
101-71
101-70
101-69
101-67
101-66
101-87
101-85
WR
RDBUFF
8
9
12
11
WRL
RD
IC123
101-15
101-17
1
2
3
IC306
5
6
22
3
15
PE5 PLD_IRQ
PA20
UP_DATE
PA19
Portable/Studio-ID-in
115
29
30
PLD-VD
READY/BUSY
A21
DECODER
D0-15
IC112
MEMORY STICK
DPR,101-18
DC-DC CONV.-109
AU,1-81
DAP,1-95
VDA,101-95
DAP,1-185
DAP,1-183
CN-2608,2-2(HDC1000/1100)
CN-2608,2-4(HDC1000/1100)
CN-2608,2-5(HDC1000/1100)
CN-2608,2-1(HDC1000/1100)
DPR,101-92
DPR,101-108
102-11
102-35
+3V
+5V
102-53
102-5
For Tool
CS2 TAC
CS2 BAR
CS2 SDI
CS2 VDA
CS2 DAP
DPR,101-109
DPR,101-107
DPR,101-105
VDA,101-71
DAP,1-71
VDA,101-85
VDA,101-87
RCP RX(X)
RCP RX(Y)
CCU TX
CCU RX
RCP TX(X)
RCP TX(Y)
CN-2605,1-1(HDC1000/1100)
CN-2605,1-2(HDC1000/1100)
CN-2605,1-3(HDC1000/1100)
CN-2605,1-4(HDC1000/1100)
DPR,101-15
DPR,101-13
DPR,101-103
DPR,101-119
DAP,1-101
DAP,1-97
DAP,1-99
WAIT
CN-2617,6-6
CN-2617,9-7(HDC1500/1600/1550/1580/1400/1450)
CN-2617,9-9(HDC1500/1600/1550/1580/1400/1450)
CN-2617,9-10(HDC1500/1600/1550/1580/1400/1450)
CN-2617,9-6(HDC1500/1600/1550/1580/1400/1450)
CN-2621,1-30(HDC1500/1600/1550/1580/1400/1450)
CN-2621,1-31(HDC1500/1600/1550/1580/1400/1450)
CN-2621,1-28(HDC1500/1600/1550/1580/1400/1450)
CN-2621,1-29(HDC1500/1600/1550/1580/1400/1450)
CN-2608,2-3(HDC1000/1100)
CN-2617,9-8(HDC1500/1600/1550/1580/1400/1450)
133V 1
2
7
RD2
IC104
6
7
IC116
(HDC1500/1600/1550/1580/1400/1450)
CN-2608,2-8(HDC1000/1100)
CN-2617,6-3,9(HDC1500/1600/1550/1580/1400/1450)
CN-2608,2-9(HDC1000/1100)
NC(HDC1000/1100)
NC(HDC1000/1100)
CN-2617,3-1(HDC1500/1600/1550/1580/1400/1450)
CN-2617,3-2(HDC1500/1600/1550/1580/1400/1450)
CN-2609,3-4(HDC1000/1100)
CN-2579,1-9(HDC1500/1600/1550/1580/1400/1450)
CN-2609,3-2(HDC1000/1100)
CN-2579,1-11(HDC1500/1600/1550/1580/1400/1450)
CN-2609,3-3(HDC1000/1100)
CN-2579,1-10(HDC1500/1600/1550/1580/1400/1450)
CN-2609,3-1(HDC1000/1100)
CN-2579,1-12(HDC1500/1600/1550/1580/1400/1450)
MB-1059,17-12(HDC1500/1600/1550/1580/1400/1450)
MB-1059,17-13(HDC1500/1600/1550/1580/1400/1450)
AT-166,6-2(HDC1000/1100)
AT-166,6-3(HDC1000/1100)
MB-1060,105-53(HDC1000/1100)
NC(HDC1000/1100)
CN-2609,3-7(HDC1000/1100)
CN-2617,9-3(HDC1500/1600/1550/1580/1400/1450)
CN-2621,1-22(HDC1500/1600/1550/1580/1400/1450)
CN-2579,3-79(HDC1500/1550/1580/1400/1450)
CN-2723,3-79(HDC1600)
MB-1060,105-55(HDC1000/1100)
CN-2617,9-1(HDC1500/1600/1550/1580/1400/1450)
NC(HDC1000/1100)
CN-2609,3-8(HDC1000/1100)
SW-1273,4-6(HDC1500/1600/1550/1580/1400/1450)
CN-2579,3-78(HDC1500/1550/1580/1400/1450)
CN-2723,3-78(HDC1600)

Table of Contents

Related product manuals