EasyManua.ls Logo

Sony HDC1550 - Page 283

Sony HDC1550
550 pages
Print Icon
To Next Page IconTo Next Page
To Next Page IconTo Next Page
To Previous Page IconTo Previous Page
To Previous Page IconTo Previous Page
Loading...
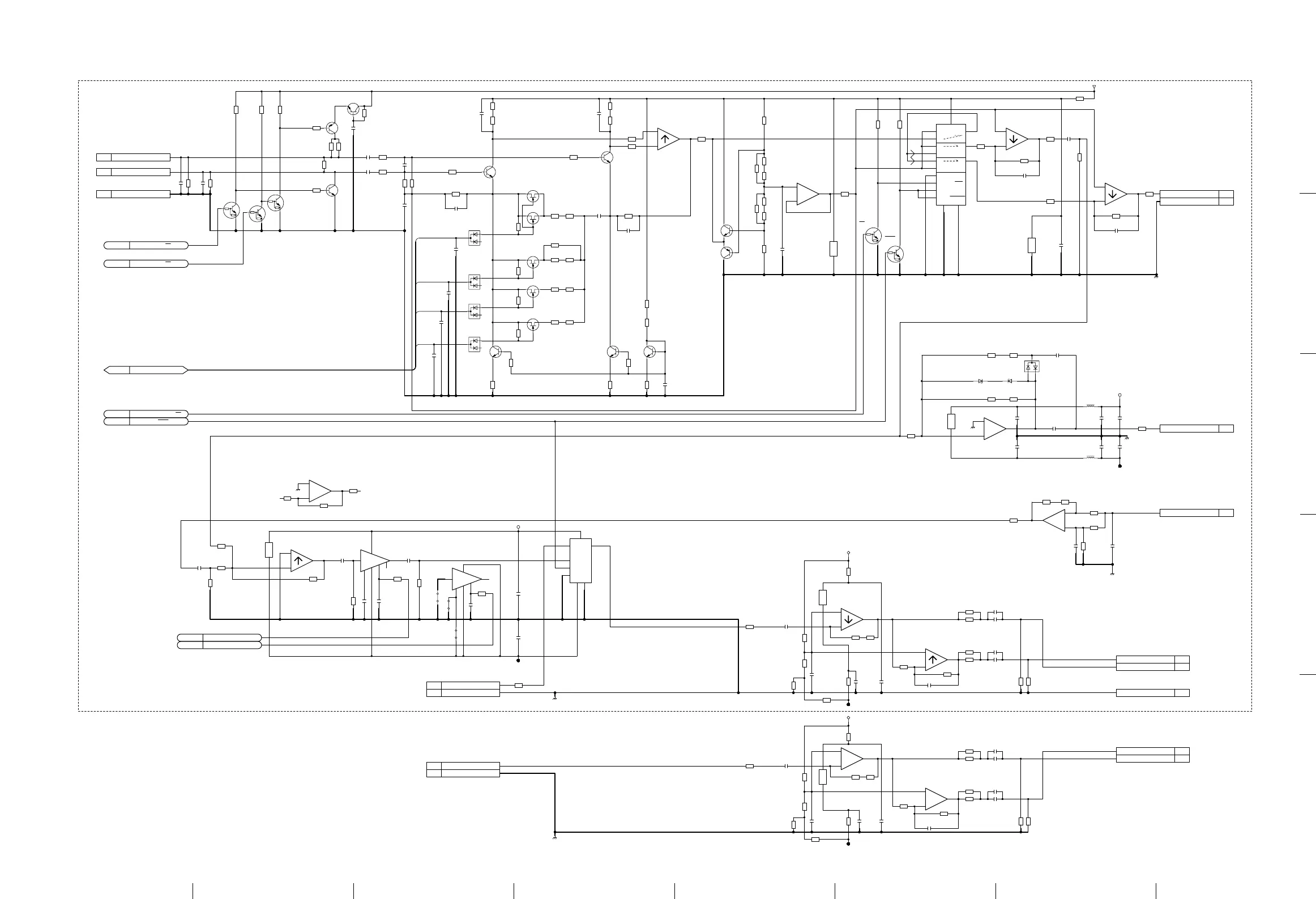
HDC1000/V2 (J, E)
4-13 (a) 4-13 (a)
2
3
4
5
1
ABCDEFGH
AU-298 (2/4)
BOARD NO. 1-865-933-13, 31
HDC-1500_AU-298_013_2
AU-298 (2/4)
SUFFIX: -13, 31
AU-298 (2/4)
SUFFIX: -13, 31
GND
CN1
119
incom1PGM(G)_in
M51132FP-E1
IC206
(1/2)
IN1
15
4
1
16
14
2
5
+16V(STBY)
CN1
137
incom1T(X)_out
-5V(STBY)
incom1-UNBAL-ON/OFF
001
CN1
121
incom1PGM(X)_in
incom1-pow-ON/OFF
001
CN1
101
incom1RCV(Y)-EXT_out
CN1
123
incom1RCV(G)_in
+16V
CN1
143
incom1T(Y)-EXT_in
-5V
CN1
99
incom1RCV(G)-EXT_out
MC14053BDTR2
IC202
1A
12
2A
13
VSS
8
4A
14
4B
15
1B
2
2B
1
INH
6
VDD
16
3A
11
VEE
7
1C
5
2C
3
4C
4
3B
10
3C
9
CN1
145
incom1T(X)-EXT_in
CN1
97
incom1PGM(X)-EXT_out
+5V(STBY)
+7.5V(STBY)
CN1
129
STBY-incom_in
incom1-GAIN
001
CN1
103
incom1RCV(X)-EXT_out
Fvol
001
CN1
147
incom1T(G)-EXT_in
CN1
95
incom1PGM(Y)-EXT_out
-5V(STBY)
-5V(STBY)
M51132FP-E1
IC206
(2/2)
IN2
11
8
10
6
9
7
CN1
135
incom1T(G)_out
+5V(STBY)
CN1
125
incom1RCV(X)_in
CN1
131
STBY-incom_out
vol1
001
inc1-mic-SW-on
001
STBY/NRML
001
TC7W53FU(TE12R)
IC207
CH1
6
CH0
7
COM
1
VCC
8
VEE
3
A
5
INH
2
GND
4
R267
100k
R253
22k
C246
100pF
R250
1k
C213
0.1uF
R602
10k
R204
100k
R243
470
R258
10k
0.22uF
C202
D205
RD2.0SB-T1
R214
22k
220pF
C220
50V
1uF
C204
R231
2.2k
R260
10k
R210
680
C214
0.1uF
R207
47k
DTC144EE-TL
Q219
2SA1774TL-QR
Q204
R608
10k
R264
0
NM
C210
120pF
R283
470k
R289
100
16V
22uF
C252
R614
0
16V
22uF
C241
25V
10uF
C231
R268
100k
R292
47k
DTC144EE-TL
Q218
R603
1k
R275
10
DTC144EE-TL
Q201
R213
470
R610
220k
220pF
C215
6.3V
10uF
C229
R299
22k
R248
1k
C247
0.1uF
R202
47k
R219
22k
R201
100k
R256
100k
NM
R238
100
R240
3.3k
R222
3.3k
R251
0
R221
3.3k
C248
0.1uF
1uF
C223
R293
47k
C212
0.1uF
6.3V
10uF
C230
R282
47k
R269
0
R607
10k
R206
10k
R616
100k
R254
22k
R272
470k
16V
22uF
C233
R252
22k
NM
16V
10uF
C228
16V
22uF
C253
R277
10
R244
470
R212
470
R615
10k
R606
10k
DTC144EE-TL
Q203
C239
0.1uF
2SK880GR-TE85L
Q212
S
R203
4.7k
6.3V
47uF
C219
R611
220k
Q216
2SC4617TL-QR
R266
100k
R234
470
C216
0.1uF
R262
22k
R215
4.7k
L202
10uH
R211
680
R298
100k
2SK880GR-TE85L
Q211
S
C221
100pF
C243
0.047uF
R276
10
R271
470k
R241
1k
R242
22k
R217
100k
R235
0
R208
470
R246
10k
R259
10k
R270
0
1uF
C208
C209
47pF
R286
100
0
JC203
NM
25V
10uF
C232
R261
10k
100pF
C256
C222
0.1uF
R230
10k
16V
22uF
C234
16V
22uF
C254
R216
4.7k
R281
47k
16V
22uF
C207
R245
10
R224
10
0
JC201
R255
100k
NM
50V
1uF
C203
R284
47k
6.3V
10uF
C217
R205
10k
R265
100k
Q205
2SC3324
R291
47k
R285
47k
R609
22k
Q206
2SC3324
16V
22uF
C205
R257
22k
R288
100
R274
10
R278
0
R218
100
R263
0
NM
2SA1774TL-QR
Q217
R239
3.3k
R223
1k
D207
1SS302-TE85L
1
2
3
R617
470k
1uF
C240
R280
470k
16V
10uF
C227
R273
10
100pF
C257
1uF
C224
L201
10uH
16V
22uF
C235
C211
0.1uF
16V
22uF
C255
R249
470k
NM
C238
0.1uF
0
JC202
R232
4.7k
C206
0.1uF
R287
100
R237
10k
DTC144EE-TL
Q202
R290
22k
R233
10k
R209
4.7k
2SK880GR-TE85L
Q209
S
R220
22k
R247
4.7k
R294
47k
1uF
C201
R279
0
6.3V
10uF
C249
2SK880GR-TE85L
Q208
S
R613
0
R605
100k
R236
1k
R229
100
D206
RD2.0SB-T1
R297
22k
R601
100
0.1uF
C225
R295
22k
2SK880GR-TE85L
Q210
S
10V
47uF
C237
16V
22uF
C236
6.3V
10uF
C250
Q213
2SC3324
16V
1uF
C242
6.3V
10uF
C218
R604
100k
R296
100
NJM4580V(TE2)
IC208
(1/3)
+
3
-
2
1
NJM4580V(TE2)
IC208
(2/3)
+
5
-
6
7
NJM4580V(TE2)
IC208
(3/3)
4
V-
8
V+
NJM4580V(TE2)
IC209
(1/3)
+
3
-
2
1
NJM4580V(TE2)
IC209
(2/3)
+
5
-
6
7
NJM4580V(TE2)
IC209 (3/3)
4
V-
8
V+
NJM3414AV(TE2)
IC204
(1/3)
+
3
-
2
1
NJM3414AV(TE2)
IC204
(2/3)
+
5
-
6
7
NJM3414AV(TE2)
IC204
(3/3)
4
V-
8
V+
NJM4558V-TE2
IC205
(1/3)
+
3
-
2
1
NJM4558V-TE2
IC205
(2/3)
+
5
-
6
7
NJM4558V-TE2
IC205
(3/3)
4
V-
8
V+
NJM4558V-TE2
IC201
(1/3)
+
3
-
2
1
NJM4558V-TE2
IC201
(2/3)
+
5
-
6
7
NJM4558V-TE2
IC201
(3/3)
4
V-
8
V+
NJM4558V-TE2
IC203
(1/3)
+
3
-
2
1
NJM4558V-TE2
IC203
(2/3)
+
5
-
6
7
NJM4558V-TE2
IC203
(3/3)
4
V-
8
V+
R618
100
R619
100
R620
100
R621
100
1SS301-TE85L
D203
3
1
2
1SS301-TE85L
D201
3
1
2
1SS301-TE85L
D202
3
1
2
1SS301-TE85L
D204
3
1
2
R227
4.7M
R226
4.7M
R228
4.7M
R225
4.7M
220k
R622
220k
R623
4.7k
R624
47uF
C260
10
R625
220pF
C261
220pF
C262
2SC4617TL-QR
Q220
Q207
2SC4617TL-QR
Q215
2SC4617TL-QR
Q214
2SC4617TL-QR
100pF
C259
100pF
C258
iG1-3
iG1-0
iG1-1
iG1-2
DC=0,200mVpp
2.2Vpp
normal
1110=-50dB
stby
1100=-40dB
200mVpp
inv
200mVpp
H
stby/
vol
driver
1000=-30dB
L=1
0-5
0000=-20dB
3210
DC=3.75,200mV
2.2Vpp
DC=0,200mVpp
1111=-60dB
on/off
inv
L
0-5/LOW=ON
posi,200mVpp
posi
AL
(66)
(60)
(54)
(20)
(26)
:AL
STBY
mic
on/off
stby
normal
normal
04h
05h
03-00h
1Ah
9p:-5=VOL, 0=BAL
(side)

Table of Contents

Related product manuals