EasyManua.ls Logo

Sony HDR-SR1 - Power Block Diagram (4;4)

Sony HDR-SR1
90 pages
Print Icon
To Next Page IconTo Next Page
To Next Page IconTo Next Page
To Previous Page IconTo Previous Page
To Previous Page IconTo Previous Page
Loading...
3-9E
HDR-SR1/SR1E_L2
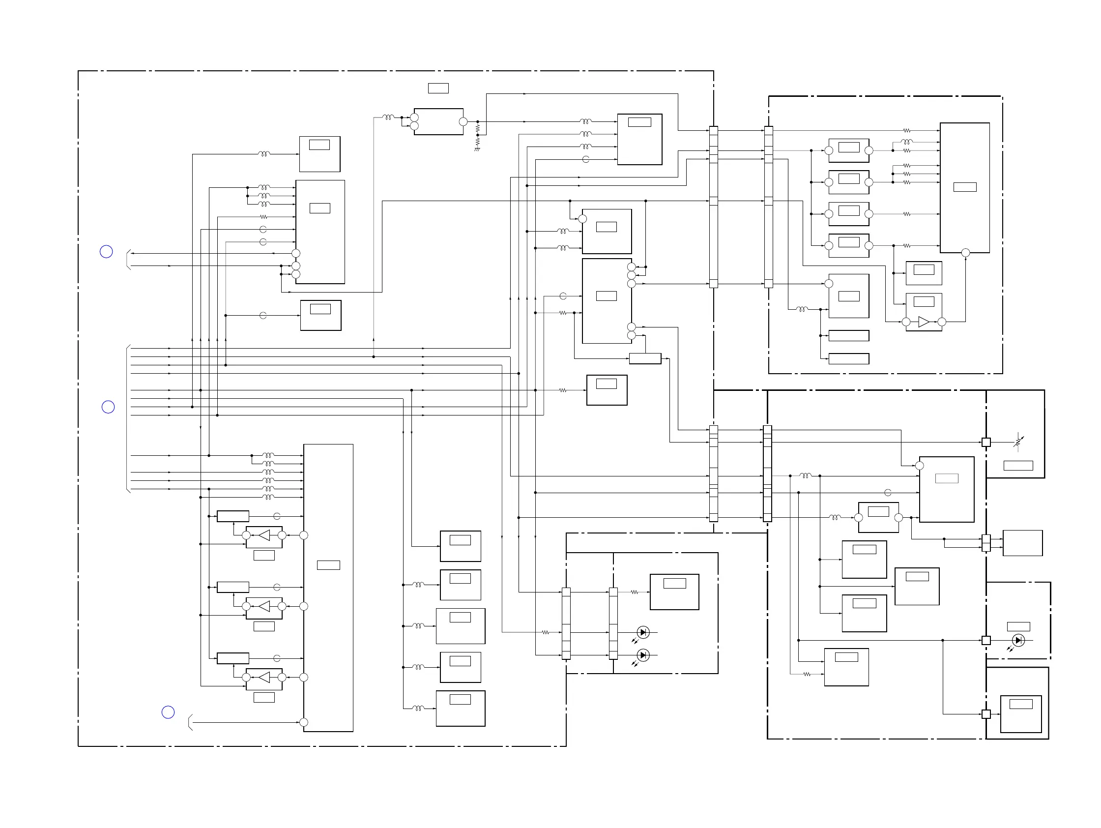
3-9. POWER BLOCK DIAGRAM (4/4)
( ) : Number in parenthesis ( ) indicates the division number of schematic diagram where the component is located.
4, 5
IC001
LENS COVER
OPEN/CLOSE
SENSOR
IC5201
FOCUS MOTOR
NOISE FILTER
(1/2)
IC5203
ZOOM MOTOR
NOISE FILTER
(1/2)
IC5202
ZOOM MOTOR
NOISE FILTER
(1/2)
IC5301
LENS COVER
MOTOR DRIVE
(2/2)
FLASH
CAM CTRL
D7201
CN5103
ST_LED_VDD
D_2.8V
D_2.8V
MT_5.0V
FP-469 FLEXIBLE
BOARD
FP-464
FLEXIBLE
BOARD
MOTOR UNIT
(LENS BARRIER)
5
CN5101
2
LENS BLOCK
Z_MR_VCC
CN5201
15
F_MR_VCC
20
MT_5.0V
MF_VCC
36
XIC_5204_RST
30
D_2.8V
3
A_4.6V
1
41, 42
MT_5.0V
10
16
D_2.8V
D_1.2V
D_2.8V
A_2.8V
A_2.8V
43
A_4.6V
45
CN5104
CN5105CN1009
CAM_-1.0V
15
CMOS_4.1V
14
A_2.8V
CMOS_4.1V
CMOS_4.1V
A_2.8V
D4_-2.8V
CAM_-1.0V
D_2.8V
A_4.6V
A_4.6V
10
XSYS_RST
XSYS_RST
11
VST_C_RESET
9
15
14
10
11
9
CN6501CN1201
MF_VCC
6
FB5201
IC5204
FOCUS/ZOOM/NF
MOTOR DRIVE,
ND FILTER DRIVE,
IRIS DRIVE
(1/2)
H11
XCLR
FB2602
L2603
L2602
IC2601
COMPONENT
OUT AMP,
D-TERMINAL
DRIVER
(10/17)
IC6001
CMOS IMAGER
17 CRST
FB1401
L2601
L6007
L5201
R5302
L6003
L6001
L6004
L6006
L5203
L1302
L1304
L1303
L1301
4 3
2.8V REG
(1/2)
IC5205
L1202
MT_5.0V
L1101
L1201
L6801
4 3
3.3V REG
IC6501
4 3
3.3V REG
IC6520
RV040, 041
CONTROL
SWITCH BLOCK
(MF20000)
LD-226 BOARD
CM-074 BOARD
VC-456 BOARD (2/2)
R1419
L6005
4 3
1.5V REG
IC6530
R6002
L6002
4 3
2.8V REG
PITCH SENSOR
SE6801
B+ SWITCH
Q1402
IC6510
PITCH/YAW
SENSOR AMP
IC6801
6 2
BUFFER
IC6540
BUFFER
IC6541
XCLR
27
CAMERA
CONTROL
(3/17)
IC1401
F4XINIT
F2XRST
T2VST_C_CHARGE
A3VOUT
K23
MF_LED
B14
RST_IC_5204
CAMERA SIGNAL
PROCESSOR
(2/17)
IC1302
F23
STRB0
AB4
XRST
T4 PLLRST
D6 RST
CDS,
A/D CONVERTER
(1/17)
IC1201
128K EEPROM
(3/17)
IC1402
E4 PVDD
DC/DC CONVERTER
(17/17)
IC1102
E3 SVDD
YAW SENSOR
SE6802
D_2.8V FB1301
D_2.5V
XSYS_RST
FB1302
FB1501
D_1.2V
A_1.2V
A_2.8V
R1319
R1421
128M SDRAM
(4/17)
IC1501
CLOCK
GENERATOR
(2/17)
IC1301
STROBE_ON
05
FR-256 BOARD
FP-465
FLEXIBLE
BOARD
D5903
(NIGHTSHOT)
NS_LED_A
D_2.5V
CN5901
D5902
(CAMERA RECORDING)
D_2.8V
D_2.8V
44
7, 8
7, 8
A_4.6V
A_4.6V
CN1002
22
REMOTE
COMMANDER
RECEIVER
IC5901
IC2001
AUDIO/VIDEO
CODEC
(8/17)
4 2
SCHMITT INVERTER
(8/17)
IC2102
C8 BGPIO5
FB2002
L2007
D_2.8V
L2002
L2003
B+ SWITCH
Q2103, 2104
4 2
SCHMITT INVERTER
(8/17)
IC2101
B8 BGPIO6
FB2001
B+ SWITCH
Q2101, 2102
4 2
SCHMITT INVERTER
(8/17)
IC2103
C9 BGPIO7
FB2003
B+ SWITCH
Q2107, 2108
M4 IHRSTX
PCI_XRESET
L2004
L2005
D_3.3V
L2001
L3001
AU_2.8V
MIC AMP
(14/17)
IC3001
D_2.8V
MULTIPLEXER
(14/17)
IC3204
L3202
WIRELESS MIC
A/D CONVERTER
(14/17)
IC3202
L3101
SUB MIC AMP
(15/17)
IC3101
L3203
AUDIO
A/D CONVERTER
(15/17)
IC3203
A_1.2V
D_1.2V
IC_2001_D_1.2V
D_1.8V
A_2.8V
AU_2.8V
D_2.8V
A_4.6V
D_2.5V
CMOS_4.1V
MT_5.0V
POWER (3/4)
(PAGE 3-8)
G
D_1.2V
A_2.8V
D_2.8V
A_4.6V
D_2.5V
CMOS_4.1V
MT_5.0V
POWER (3/4)
(PAGE 3-8)
E
POWER (3/4)
(PAGE 3-8)
F

Related product manuals