EasyManua.ls Logo

Sony HT-M7 - Connecting Speakers to HT-M5 and HT-M3

Sony HT-M7
64 pages
Print Icon
To Next Page IconTo Next Page
To Next Page IconTo Next Page
To Previous Page IconTo Previous Page
To Previous Page IconTo Previous Page
Loading...
18
GB
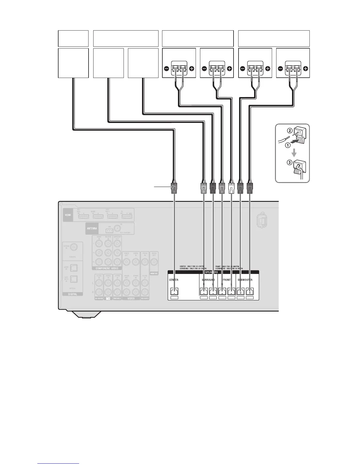
HT-M5
A Speaker cord (supplied)
Right
Center
speaker
Left
Surround speaker Front speaker Subwoofer
Connector
AA
Right Left

Table of Contents

Related product manuals