EasyManua.ls Logo

Sony HT-M7 - Page 19

Sony HT-M7
64 pages
Print Icon
To Next Page IconTo Next Page
To Next Page IconTo Next Page
To Previous Page IconTo Previous Page
To Previous Page IconTo Previous Page
Loading...
19
GB
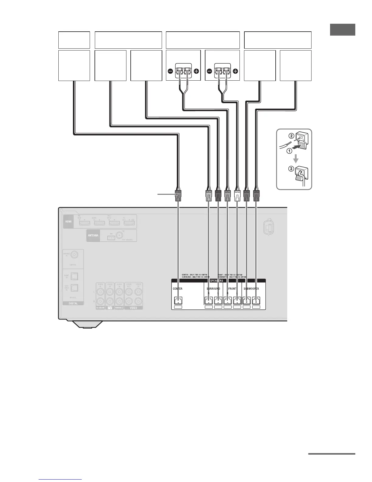
Connections
HT-M3
A Speaker cord (supplied)
Connector
A
Right
Center
speaker
Left
Surround speaker Front speaker Subwoofer
Right Left
continued

Table of Contents

Related product manuals