EasyManua.ls Logo

Sony MVC-FD73 - Page 40

Sony MVC-FD73
47 pages
Print Icon
To Next Page IconTo Next Page
To Next Page IconTo Next Page
To Previous Page IconTo Previous Page
To Previous Page IconTo Previous Page
Loading...
MVC-FD73
– 13 –
– 14 –
TO PK-46 BOARD
TO PK-46 BOARD
TO PK-46 BOARD
TO PK-46 BOARD
TO PK-46 BOARD
TO PK-46 BOARD
TO PK-46 BOARD
TO PK-46 BOARD
TO PK-46 BOARD
TO PK-46 BOARD
TO PK-46 BOARD
TO PK-46 BOARD
TO PK-46 BOARD
TO PK-46 BOARD
TO PK-46 BOARD
TC74HC4066AFS-EL : SHARP
TC74HC4066AFT(EL) : CASIO
IC903
TO PK-46 BOARD
TO PK-46 BOARD
TO PK-46 BOARD
09
180k : SHARP
120k : CASIO
180k : SHARP
120k : CASIO
18k
22k ±0.5% : SHARP
0 : CASIO
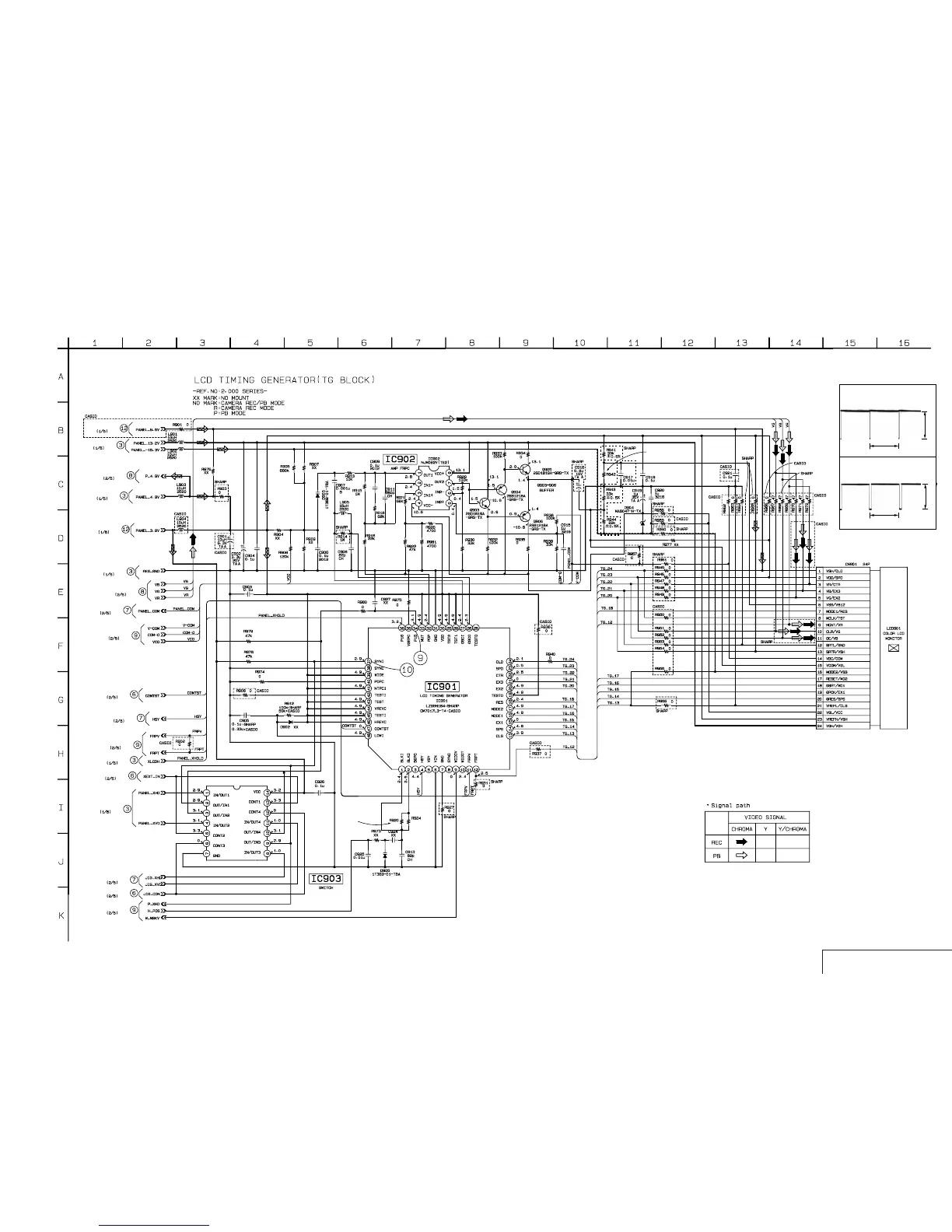
PK-46 BOARD (3/5)
PK-46
BOARD
(3/5)
9
IC901 REC/PB
IC901 REC/PB
3.2Vp-p
3.2Vp-p
V
H
LCD TIMING GENERATOR
PK-46 (3/5)
PK-46 (LCD TIMING GENERATOR) SCHEMATIC DIAGRAM See page 3 for PK-46 BOARD printed wiring board.

Related product manuals