EasyManua.ls Logo

Sony MVC-FD73 - Page 41

Sony MVC-FD73
47 pages
Print Icon
To Next Page IconTo Next Page
To Next Page IconTo Next Page
To Previous Page IconTo Previous Page
To Previous Page IconTo Previous Page
Loading...
MVC-FD73
– 15 –
– 16 –
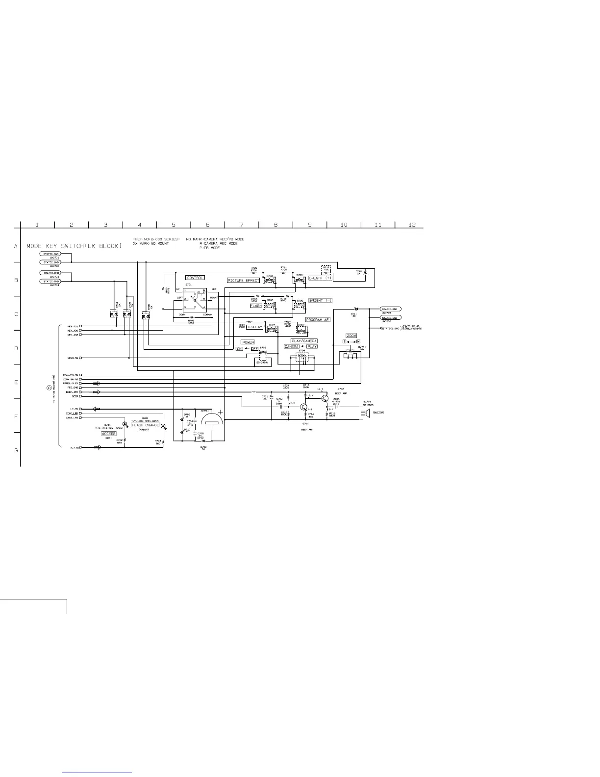
PK-46 BOARD (4/5)
09
2SD2216J-QR(K8).SO
(CASIO)
2SD2216J-QR(K8).SO
0 : CASIO
330uH : SHARP
L701
MODE KEY SWITCH
PK-46 (4/5)
PK-46 (MODE KEY SWITCH) SCHEMATIC DIAGRAM
See page 3 for PK-46 BOARD printed wiring board.

Related product manuals