EasyManua.ls Logo

Sony NW-E403 - Schematic Diagram - MAIN Board (5;5)

Sony NW-E403
30 pages
Print Icon
To Next Page IconTo Next Page
To Next Page IconTo Next Page
To Previous Page IconTo Previous Page
To Previous Page IconTo Previous Page
Loading...
2020
NW-E403/E405/E407
NW-E403/E405/E407
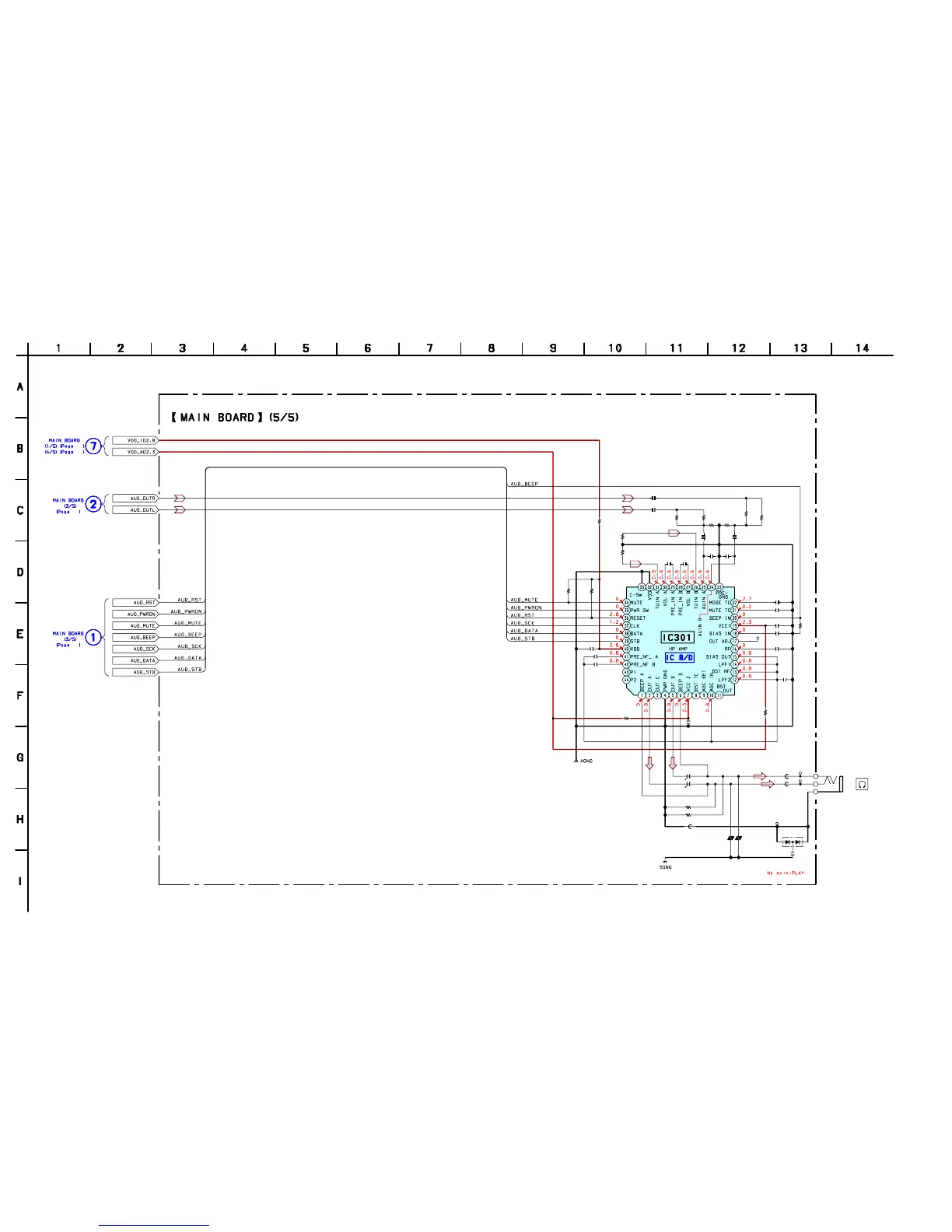
4-8. SCHEMATIC DIAGRAM – MAIN BOARD (5/5) –
See page 22 for IC Block Diagram.
16
19
18
18
D301
R301
R310 R312
R105
R205
R314
R106 R101
R102 R202
R201
R206
R319
R308
R103
R203
C318
C319
C302
VDR101
VDR201
FB211
FB111
TP211
TP111
J301
C321
C211
C111
C309
C312
C313
C314
C201
C101
TP301
C315C316
C103
C203
FB301
IC301
C202C102
C310
C311
C317
TP302
MA3J14700LSO
0
100k 100k
2.2k
2.2k
0
47k 2 2 k
10k
10k
22k
47k
100k
0
470
470
2.2
2.2
1
0H
0H
HP-R
HP-L
0.01
220 4V
220 4V
10
1
0.22
0.47
100p100p
0.470.47
1
1
0H
TB2173FTG
11
1
0.47
1
HP-COM

Related product manuals