EasyManua.ls Logo

Sony RMT-B109A - Interface and Power Block Diagrams

Sony RMT-B109A
124 pages
Print Icon
To Next Page IconTo Next Page
To Next Page IconTo Next Page
To Previous Page IconTo Previous Page
To Previous Page IconTo Previous Page
Loading...
CEC PULL-UP
ISOLATING SWITCH
V
I
D
E
O
A
M
P
I
C
1
01
I
C
1
00
3
IC907
C18
B19
C17
3
4
5
1
7
8
A19
D7
E8
Y
P
B
P
R
C8
E9
B13
A13
B14
A14
B15
B16
A16
E23
A15
12
1
0
9
1
4
Y
I
N
P
B
I
N
P
RI
N
V
I
N
M
U
T
E 2
LPF SEL
P
Y
O
U
T
P
B
O
U
T
PR
O
UT
VO
U
T
L
R
T
X
2
P
1
3
4
6
7
9
1
0
1
2
1
9
1
3
CEC
IT-CON
Q702
PAGE 3-4
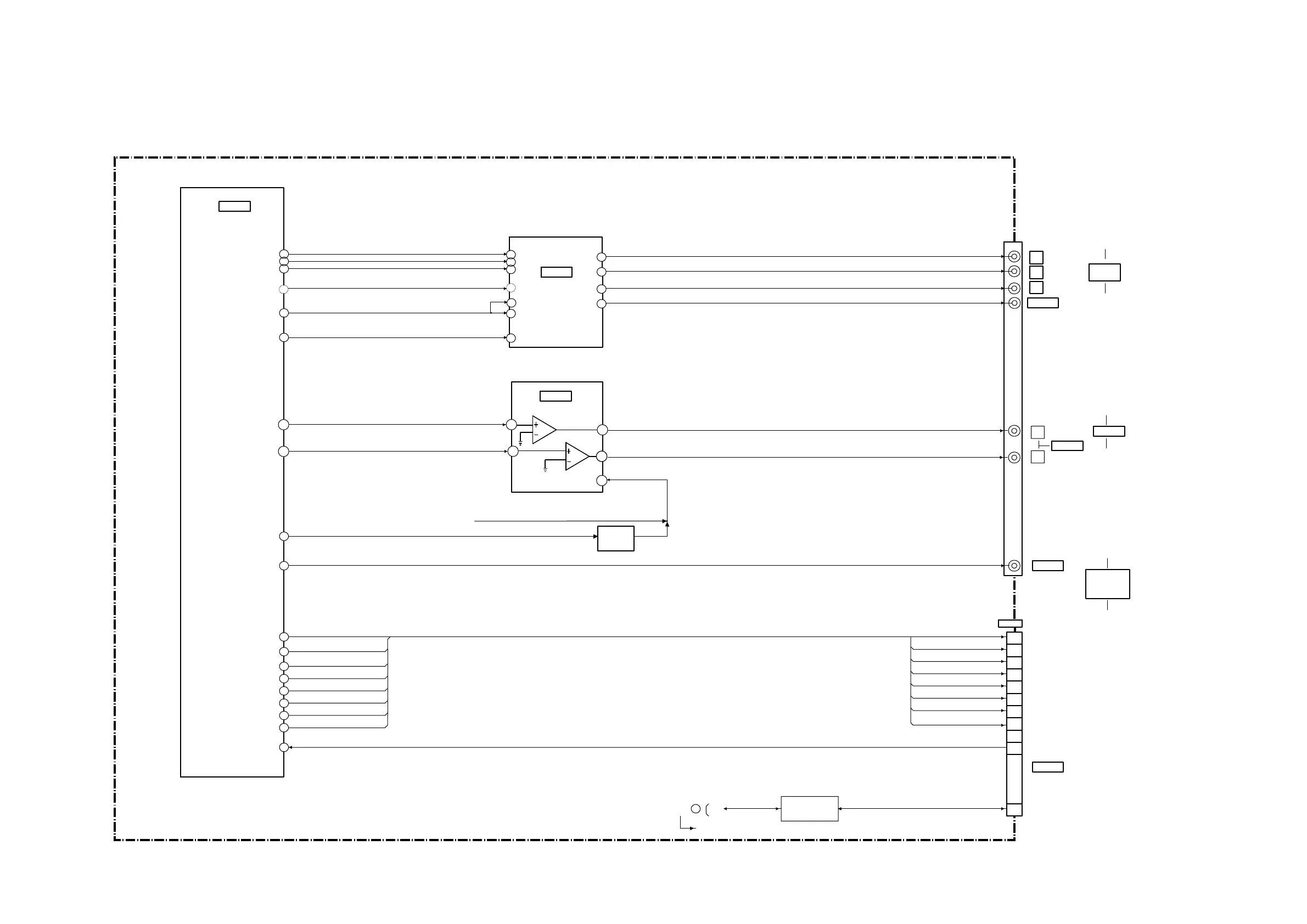
3-3. AV
OUT BLOCK DIAGRAM
3-3
BDP-BX38/S280/380/383
VIDEO
AUDIO
LINE OUT
COMPONENT
VIDEO OUT
COAXIAL
DIGITAL OUT
PCM/DTS/DOLBY
DIGITAL
CN701
J
9
01
AUDIO LINE
DRIVER
OUTL
OUTR
MUTE
INL
INR
IFCON_XMUTE
Q901
TX2N
TX1P
TX1N
TX0P
TX0N
TCKP
TCKN
TMDS DATA2+
TMDS DATA2-
TMDS DATA1+
TMDS DATA1-
TMDS DATA0+
TMDS DATA0-
TMDS CLOCK+
TMDS CLOCK-
HPD
CEC
HDMI OUT
T
X
2
P
TX2N
TX1P
TX1N
TX0P
TX0N
TCKP
TCKN
CH2_P
CH2_M
CH1_P
CH1_M
CH0_P
CH0_M
CLK_P
CLK_M
HTPLG
SPDIF
AMUTE
AOBCK/R
AOMCLK/L
SDA
SCL
VDACX_OUT
FORMAT1
XVMUTE
CVBS
Y
PB
PR
VDACR_OUT
VDACB_OUT
VDACG_OUT
LORTNOC YROMEM F/I ATAS
F/I TENREHTE IMDH ,TUO V/A
F/I BSU
BA-G7999DXC
PSD ,LORTNOC METSYS NIAM
XAMUTE
MB-138 BOARD
6
M
U
T
E 1
7P JACK
D11
C11
1
10
119
2
7
22

Table of Contents

Related product manuals