EasyManua.ls Logo

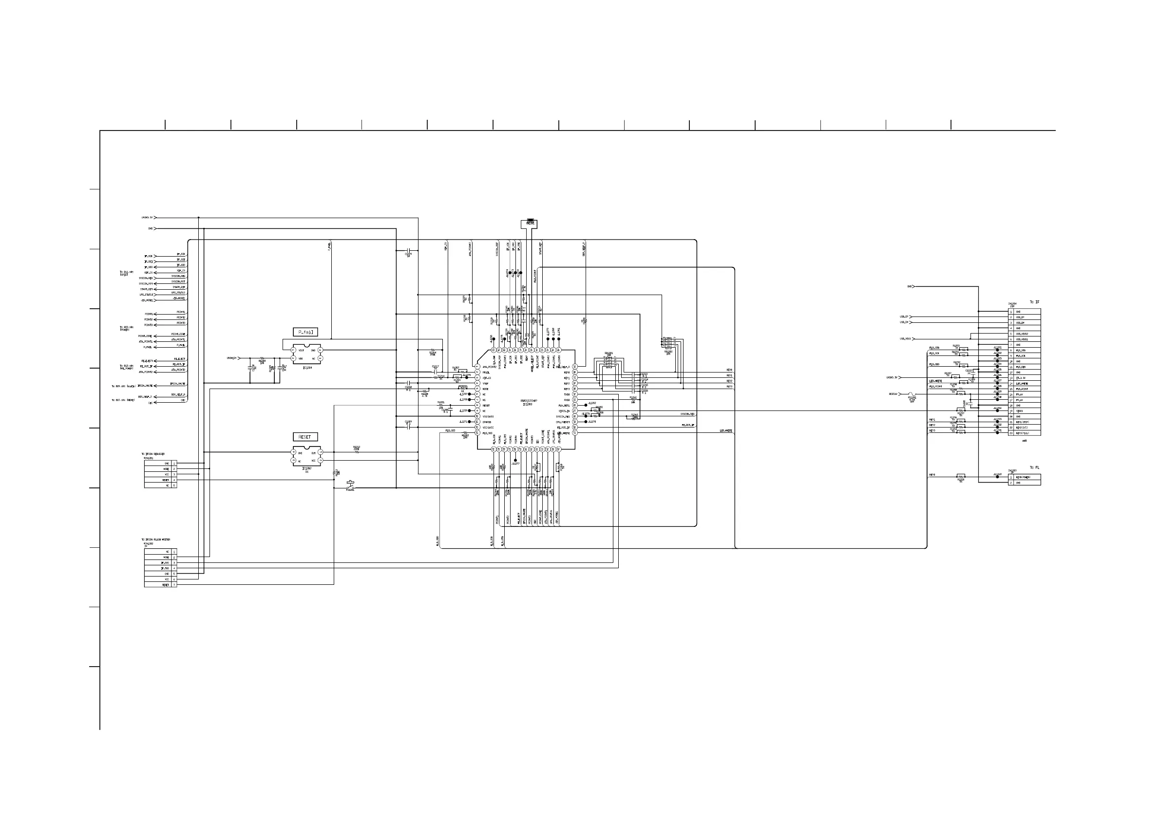
Sony RMT-B109A - Board (if CON) Schematic Diagram (12;14)

Sony RMT-B109A
124 pages
Print Icon
To Next Page IconTo Next Page
To Next Page IconTo Next Page
To Previous Page IconTo Previous Page
To Previous Page IconTo Previous Page
Loading...
BDP-BX38/S280/S380/S383
4-17
1
A
B
C
D
E
F
G
H
I
J
2
12
13
11
10
98765
43
14
4-17. MB-138 BOARD (IFCON) SCHEMATIC DIAGRAM (12/
14)
Se
e page 5-4 for printed wiring board.
- Ref. No.: MB-138 board; 10,000 series

Table of Contents

Related product manuals