EasyManua.ls Logo

Sony RMT-B109A - Board (POWER) Schematic Diagram (3;14)

Sony RMT-B109A
124 pages
Print Icon
To Next Page IconTo Next Page
To Next Page IconTo Next Page
To Previous Page IconTo Previous Page
To Previous Page IconTo Previous Page
Loading...
4-8
BDP-BX38/S280/S380/S3838
1
A
B
C
D
E
F
G
H
I
J
2
12
13
11
10
98765
43
14
The components identifi ed
by mark
or dotted line with
mark
are critical for safety.
Replace only with part number
specifi ed.
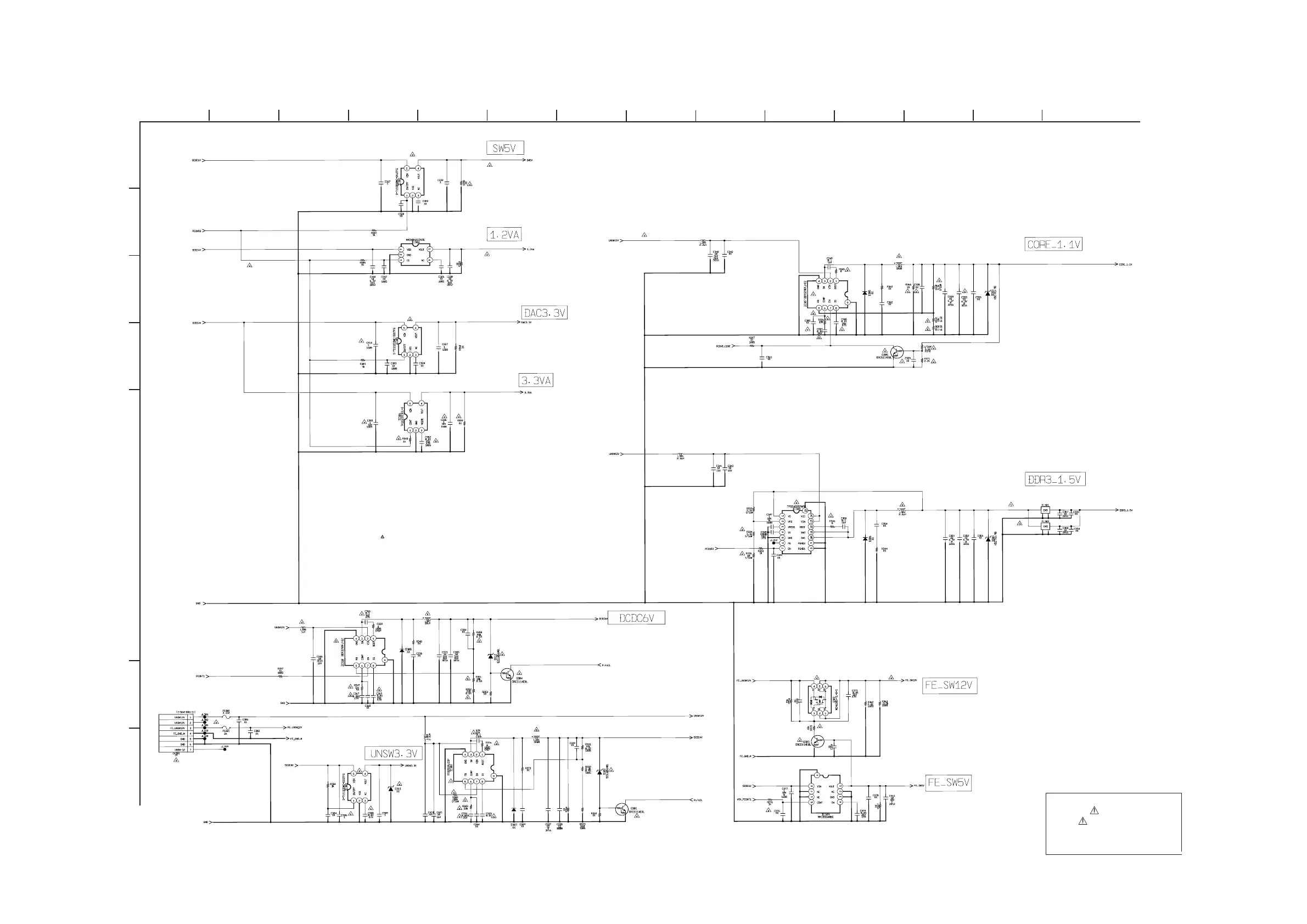
4-8. MB-138 BOARD (POWER) SCHEMATIC DIAGRAM (3/14) Se
e page 5-4 for printed wiring board.
- Ref. No.: MB-138 board; 10,000 series

Table of Contents

Related product manuals