EasyManua.ls Logo

Sony RMT-B109A - Page 49

Sony RMT-B109A
124 pages
Print Icon
To Next Page IconTo Next Page
To Next Page IconTo Next Page
To Previous Page IconTo Previous Page
To Previous Page IconTo Previous Page
Loading...
1
A
B
C
D
E
F
G
H
I
J
2
12
13
11
10
98765
43
14
4-13
BDP-BX38/S280/S380/S383
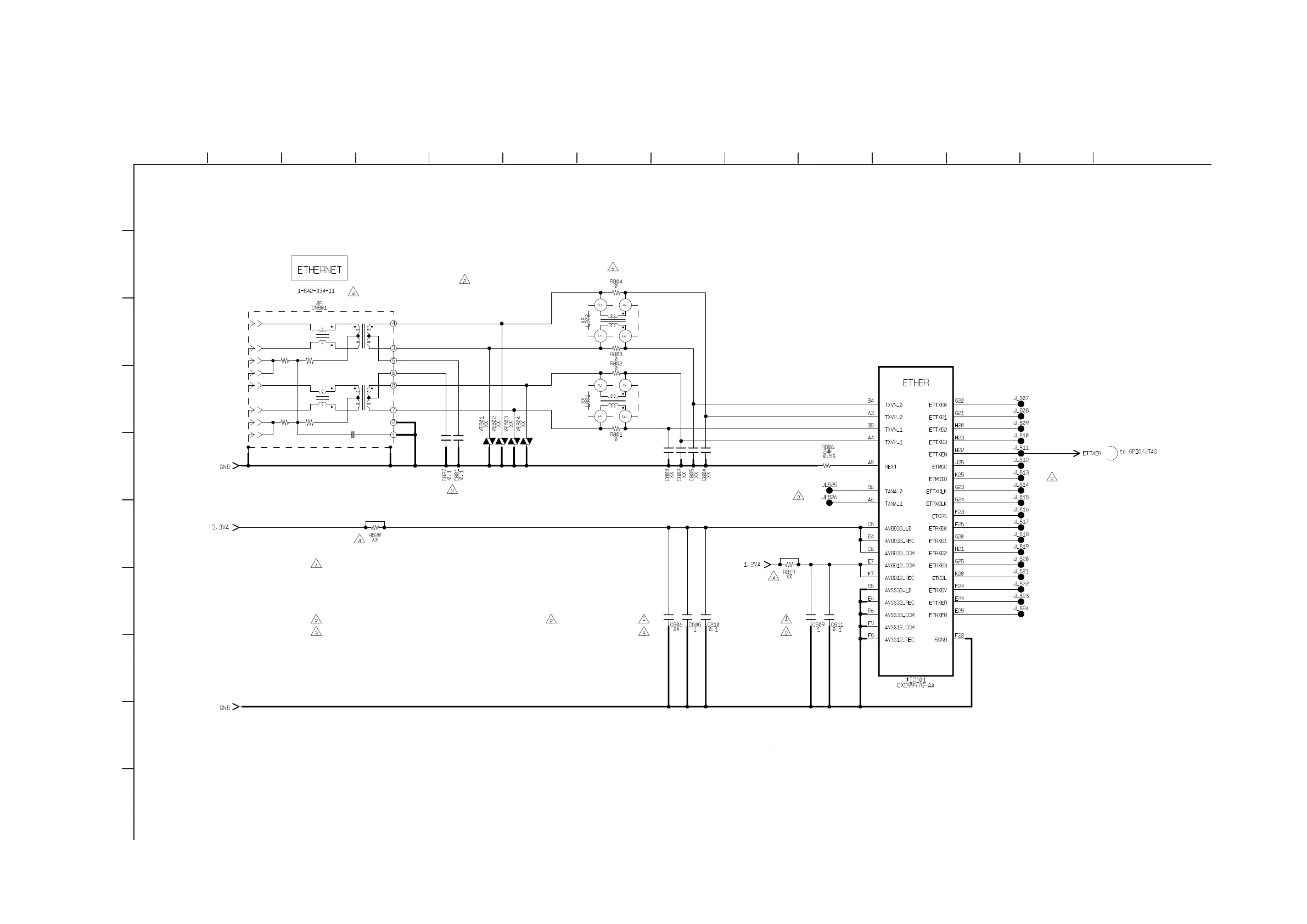
)41/8( MARGAID CITAMEHCS )TENREHTE( DRAOB 831-BM .31-4 Se
e page 5-4 for printed wiring board.
- Ref. No.: MB-138 board; 10,000 series

Table of Contents