EasyManua.ls Logo

Sony RMT-D166P - MV-044 BOARD (4;5); MV-044 BOARD (4;5) SCHEMATIC DIAGRAM

Sony RMT-D166P
82 pages
Print Icon
To Next Page IconTo Next Page
To Next Page IconTo Next Page
To Previous Page IconTo Previous Page
To Previous Page IconTo Previous Page
Loading...
DVP-NS355/NS501P/NS507P/NS525P/NS575P/NS585P
1
A
B
C
D
E
F
G
H
I
J
2
12
13
11
10
98765
43
14
15
4-13 4-14
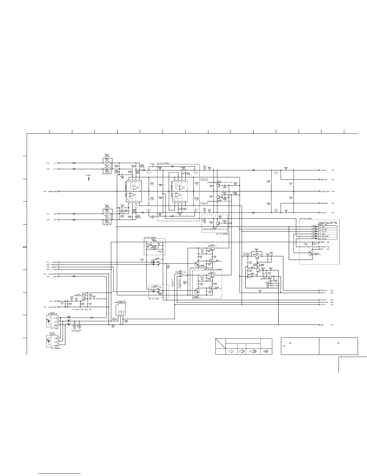
MV-044 BOARD (4/5)
AUDIO
-REF.NO.:1000 SERIES-
XX MARK:NO MOUNT
NO MARK:REC/PB MODE
For Schematic Diagram
• Refer to page 4-5 for printed wiring board of MV-044 board.
• Refer to page 4-4 for waveform
AUDIO
MV-044 (4/5)
SIGNAL PATH
VIDEO SIGNAL
CHROMA
PB
Y Y/CHROMA
AUDIO
SIGNAL
The components identified by
mark or dotted line with mark
are critical for safety.
Replace only with part
number specified.
Les composants identifiés par
une marque sont critiques
pour la sécurité. Ne les
remplacer que par une pièce
portant le numéro spécifié.

Table of Contents

Related product manuals