EasyManua.ls Logo

Sony RMT-D217P - Power Block Diagrams; Power Block Diagram Part 1; Power Block Diagram Part 2

Sony RMT-D217P
111 pages
Print Icon
To Next Page IconTo Next Page
To Next Page IconTo Next Page
To Previous Page IconTo Previous Page
To Previous Page IconTo Previous Page
Loading...
RDR-HX510
3-3 3-4
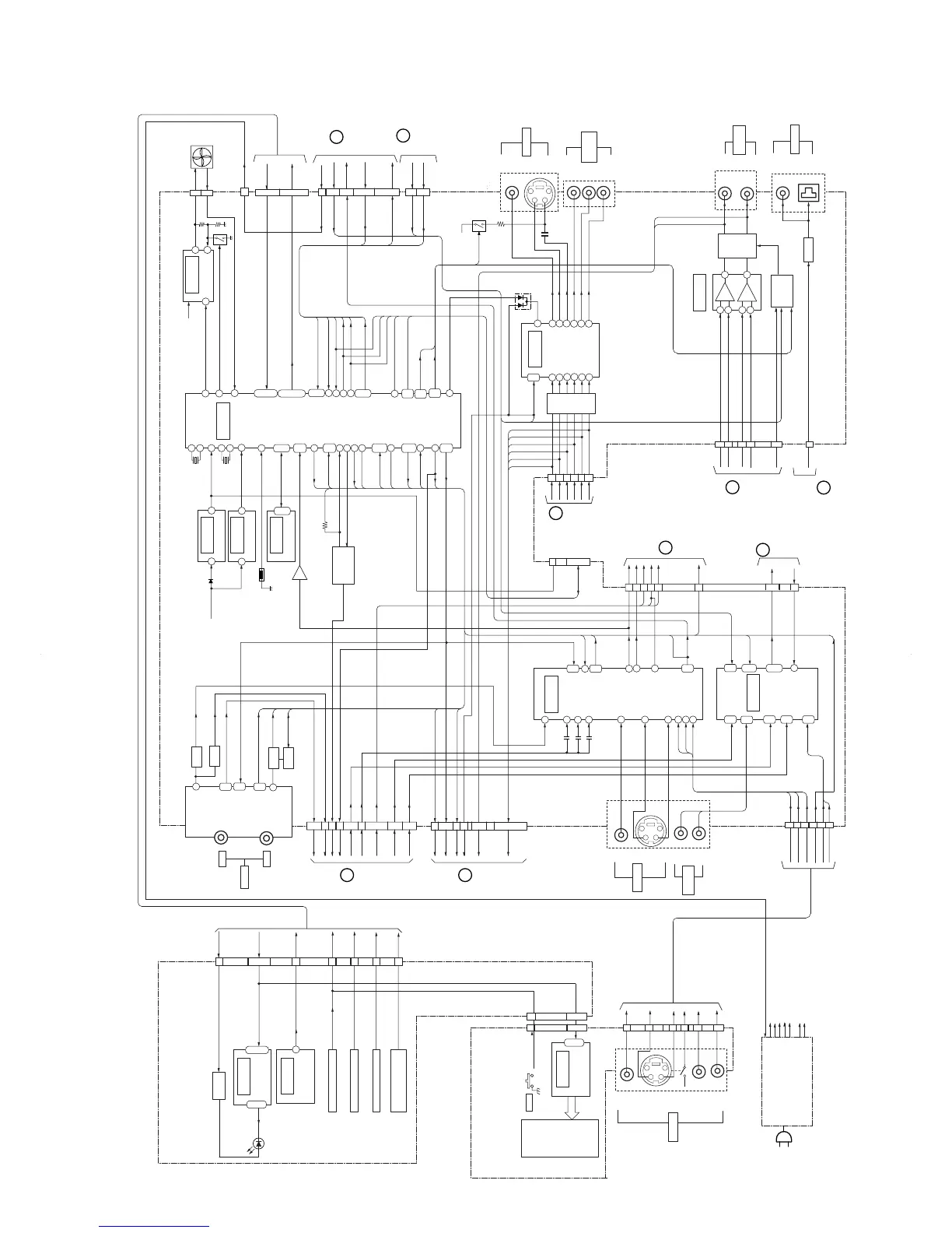
3-2. OVERALL BLOCK DIAGRAM (2/2)
+
-
-
7
2
4
26
28
24
22
20
18
14
1
6
16
12
10
8
27
2
25
23
17
19
4
1
5
7
9
11
13
1
15
10
13
11
16
9
14
12
17
LED STB
FLD CS
LED CK
LED DT
LED RST
LED DIM
SIRCS
J1301
V2
Y2
C2
S2 SW
L2
R2
6
2
4
1
8
10
CN1301
CN102
KEY1
2
S1302
POWER
61
62
63
60
FLD CS
LED CK
LED DT
LED RST
4
5
7
3
6
5
3
7
8
FL-144 BOARD
DVD,HDD,REC PAUSE,
DUB NEXT,PREV,INPUT SELECT
REMOTE
COMMANDER
RECEIVER
PLAY, PAUSE, STOP, REC STOP
S106-104,101
OPEN/CLOSE, CH+,CH-
S107,109,110
REC
S103
S112,113,102,108,114,115,116
LED DRIVE
IC102
IC101
10
9
8
11
1
LED STB
LED CK
LED DT
LED RST
FR-226 BOARD
DIMMER
SWITCH
SYNCHRO REC
TIMER REC
HDD
DVD
2
3
5
6
Q101,102
D101-104
VIDEO
FLD DRIVE
IC1301
LINE IN 2
CN1302
AUDIO LEFT
AUDIO RIGHT
S VIDEO
CN701
6
2
4
1
8
10
L
R
LEFT
RIGHT
LINE 4 IN
AUDIO
S VIDEO
VIDEO
LINE 4 IN
Y
V
C
J702
IN
AERIAL
OUT
TU401
UHF/VHF
TUNER
10
9
16
2
TU SDA
TU SCL
6
7
SIF
AM
AFT
JST
BUFFER
TU VIDEO
Q401
BUFFER
TUDV
Q403
11
BUFFER
SW
TU G MAX
TU AUTOP
AGC
SIF,AM
CN902
CN901
TUDV
AVLINK
FSW
EURO MUTE
SCL,SDA
EURO POWER
XVMUTE
ERG,ERR
ERB,ERY
ERV,ERC
TULI,TURI
VY AD
L3RC
L3B
L3G
EUAUINL1
EUAUINR1
EUAUOUTL
EUAUOUTR
EUAUINL3
EUAUINR3
Q405
Q407
AV-089 BOARD
17
TU VIDEO
13
19
48
11
VIDEO
INPUT
SELECT
43
IC701
41
39
35
36
V2
17
46
7
Y2
C2
15
44
4
TU L
TU R
AU3IN L
AU3INR
AU1IN L
AU1INR
7
38
3
42
AUDIO
INPUT SELECT
A/D CONV.
IC201
FA INL
FA INR
5
40
9
36
1
44
21
23
22
24
INSEL 1
INSEL2
INSEL TU
28
29
30
CN501
ADMUTE
XSWGBRST
27
25
21
23
9
29
30
VSYNC
FSW
19
ADDATI
ADLRCKI
ADBCKI
256FS
15
5
11
7
TO
RD-053
BOARD
CN1701
3
TO
RD-053
BOARD
CN1701
2
RECVY
RECCCR
RECBCB
RECR
RECG
33
41
37
38
42
INSEL PCONT
HDET
SYNCRO DET
TU SDA
TU SCL
CN601
3
4
5
6
7
8
XIT RST
CNVSS
M2
ITSDI5
ITSDO5
ITSCK5
V
20
28
TO
RD-053
BOARD
CN1702
12
CN502
8
16
24
4
TO
ER-036
BOARD
CN106
11
TO
ER-036
BOARD
CN105
5
Q801-806
BUFFER
RDR-HX70
CR/R
CB/B
Y/G
VIDEO
AMP
IC802
XVMUTE
3
8
6
12
15
17
7
16
VIDEO OUT
Q812
Y OUT
Y OUT
CB OUT
CR OUT
C OUT
24
22
20
33
16
29
31
48
95
XFLMRST5
XP MUTE
CNVSS
ITSDO5
ITSCK5
ITSDI5
53
108
74
75
DSEL
WIDE
XNENTMUTE
8
73
M2
SHAWAKE DONE
STATUS0
STATUS1
96
97
98
99
2
52
21
6
51
4
50
45
48
49
47
24
26
18
39
40
38
XAWAKE5
XFLMRST5
XITRST5
ITSDI5
ITSCK5
ITSDO5
ITREQ5
CN102
Q1201
1
UNSW 12V
IC1201
FAN DRIVE
4
5
CN1201
FAN
SENS
FAN 12V
3
2
P CONT
KEY1
KEY2
KEY3
KEY4
SIRCS
3
8
5
7
17
2
11
4
9
6
1
LED STB
LED DIM
LED CK
FLD CS
LED DT
LED RST
23
8
6
10
34
27
30
24
16
20
29
14
28
32
10
33
31
CN501
CN502
Q807,808
SW5V
WIDE
VIDEO OUT
J802
J801(2/2)
AUDIO
LINE OUT
LEFT
RIGHT
Q310,311
Q304,307,308,3156,316
CN301
DIGITAL OUT
CAXIAL
OPTICAL
Q313
BUFFER
EUAUOUTL
EUAUOUTR
MUTE
LOGIC
XFLMRST5
XP MUTE
3
2
IC301
5
6
7
1
AOUTR-
XAMUTE
XL MUTE
XR MUTE
SPDIF AV
34
41
37
39
TO
RD-053
BOARD
CN1702
TO
RD-053
BOARD
CN1701
CN502
CN501
1
7
AOUTL+
AOUTL-
AOUTR+
38
36
6
UNSW12V
UNSW4V
UNSW6VB
UNSW6VA
UNSW-8V
SW12V
SW5V
SWITCHING
REGULATOR
AC IN
IC602
RESET
IC605
EEPROM
BUFFER
&
SW
UNSW6V
11
IC601
POWER FAIL DET
IC604
IT CPU
79
101
76
61
60
59
X601
32.768KHz
X602
10MHz
D605
XIT RST
P FAIL
IT CON TEMP
EEP SDA
EEP SCL
EEP WP
TU G MAX
TU AFT
TH001
INSEL 1
INSEL 2
INSEL TU
88
89
90
TU SDA
TU SCL
29
28
109
113
104
116
86
87
17
HDET
SYNCRO DET
VSYNC
S2SW
20
EURO POEWR
78
FSW
FAN ON
FAN HI
FAN DET
KEY1
KEY2
KEY3
KEY4
SIRCS
LED STB
DIMMER
FLD CK
FLD CS
FLD DT
FLD RST
2
2
1
1
9
10
14
12
5
6
7
84
85
92
91
93
INSEL PCONT
27
AVLINK
3
83
EURO MUTE
TU AUTOP
Q604,605
Q611-615
JST
SLICE V
CN602
12
TO
RD-053
BOARD
CN1701
TO
RD-053
BOARD
CN1702
9
8
J801(1/2)
S VIDEO
Y
PB / CB
PR / CR
VIDEO
LINE 2 OUT
COMPONENT
1
REC MCK 1
FLD
ND1301
P CONT
V2
Y2
C2
S2 SW
L2
R2
SHAWAKE DONE
STATUS1
XAMUTE
XVMUTE
ITSCK5
ITSDI5
XAWAKE5
XITRST5
XFLMRST5
ITREQ5
STATUS0
ITSDO5
VSYNC
ADMUTE
XSWGBRST
P CONT
P CONT
ADSMUTE
AADXRST
VSYNC
IT REQ
STATUS0
IT SOUT
IT SCLK
IT SIN
XAWAKE
IT XRST
FLMRST
XAMUTE
XVMUTE
AWAKE DONE
STATUS1
VO YC
VO Y
VO C
PO Y
PO PB
PO PR
C
Y
MUTE

Table of Contents

Related product manuals