EasyManua.ls Logo

Sony SA-WMSP69 - Main Section Schematic Diagram

Sony SA-WMSP69
12 pages
Print Icon
To Next Page IconTo Next Page
To Next Page IconTo Next Page
To Previous Page IconTo Previous Page
To Previous Page IconTo Previous Page
Loading...
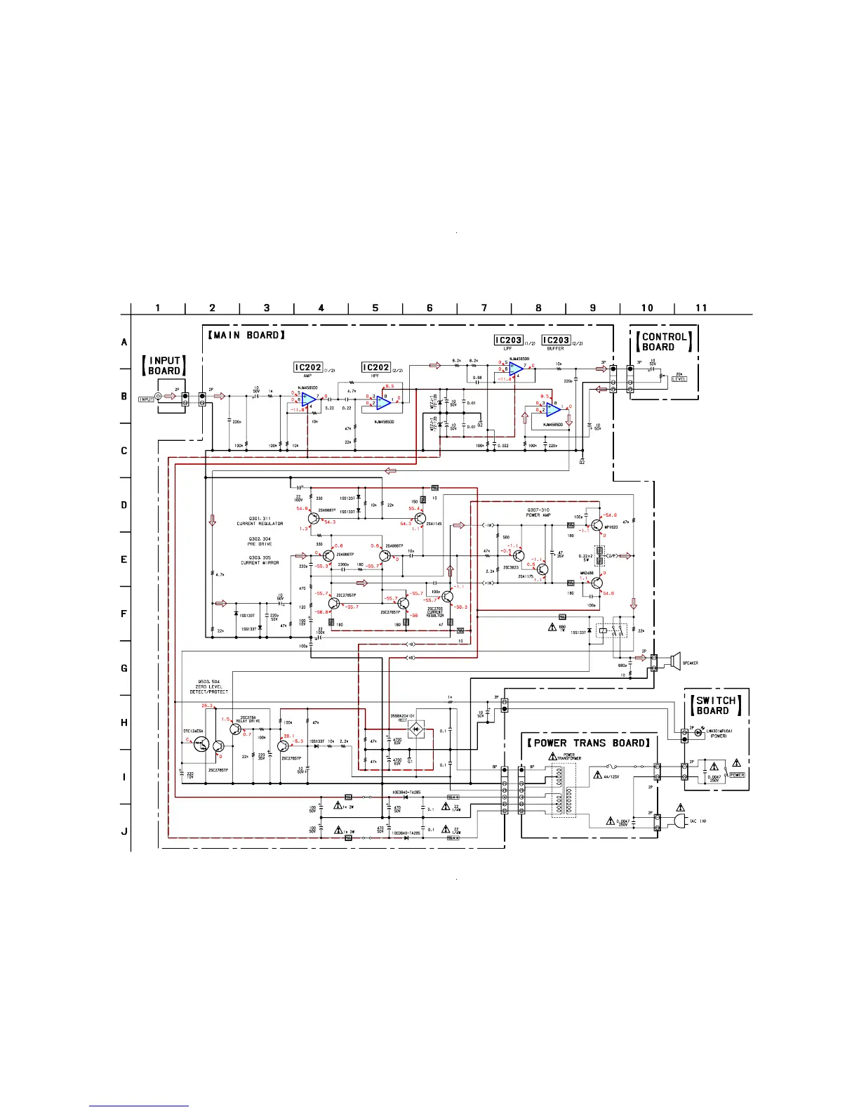
SA-WMSP69
55
SA-WMSP69
1-2. SCHEMATIC DIAGRAM — MAIN SECTION —
JW403
JW404
JW1
C209
C211
C301
C401
C402
C409
C410
D305
R110
R202
R207
R209
R212 R213
R216
R304
R305
R306
R312
R314
R317
R500R501
R502R503
R504
R505
C304
C305
C306
C308
C313
C319
C320
C407
C408
C318
D303
D304
J101
Q306
Q308
Q311
R320
R322R323
R326
R401
S901
R325
R321
C201
C203 C204
C205
C206
C302
C303
C405
C406
C501
C502
C601
C801
R327
R402
Q307
C307
C310
R307
R308
Q302
R309 R324
R310
C901
R403
R404
R206R205
C101
R211
R210
R214 C207
C208
RV801
R217
C210
R301
R313
D301
D302
C403
C404
R101
R102
CN2
CN1
CN3
CN301
RY301
C503
R311
CN101 CN201
T1
Q502
SP901
R319
R318
R329
Q310
Q309
C309
IC202(1/2)
IC202(2/2)
D205
D206
C311
C312
IC203(1/2)
IC203(2/2)
CNP111 CNP801
Q301
Q304
Q303
Q305
R316
R328
Q504
Q503
Q501
D501
D401
R601
D402
D403
CN402 CNP401
F901
C2
CN4
D901
CN204

Related product manuals