EasyManua.ls Logo

Sony SLV-ED10MPS - Video Block Diagram

Sony SLV-ED10MPS
140 pages
Print Icon
To Next Page IconTo Next Page
To Next Page IconTo Next Page
To Previous Page IconTo Previous Page
To Previous Page IconTo Previous Page
Loading...
SLV-ED10/ED40/ED60/ED70/EZ10/EZ40/EZ60/EZ70
3-5 3-6
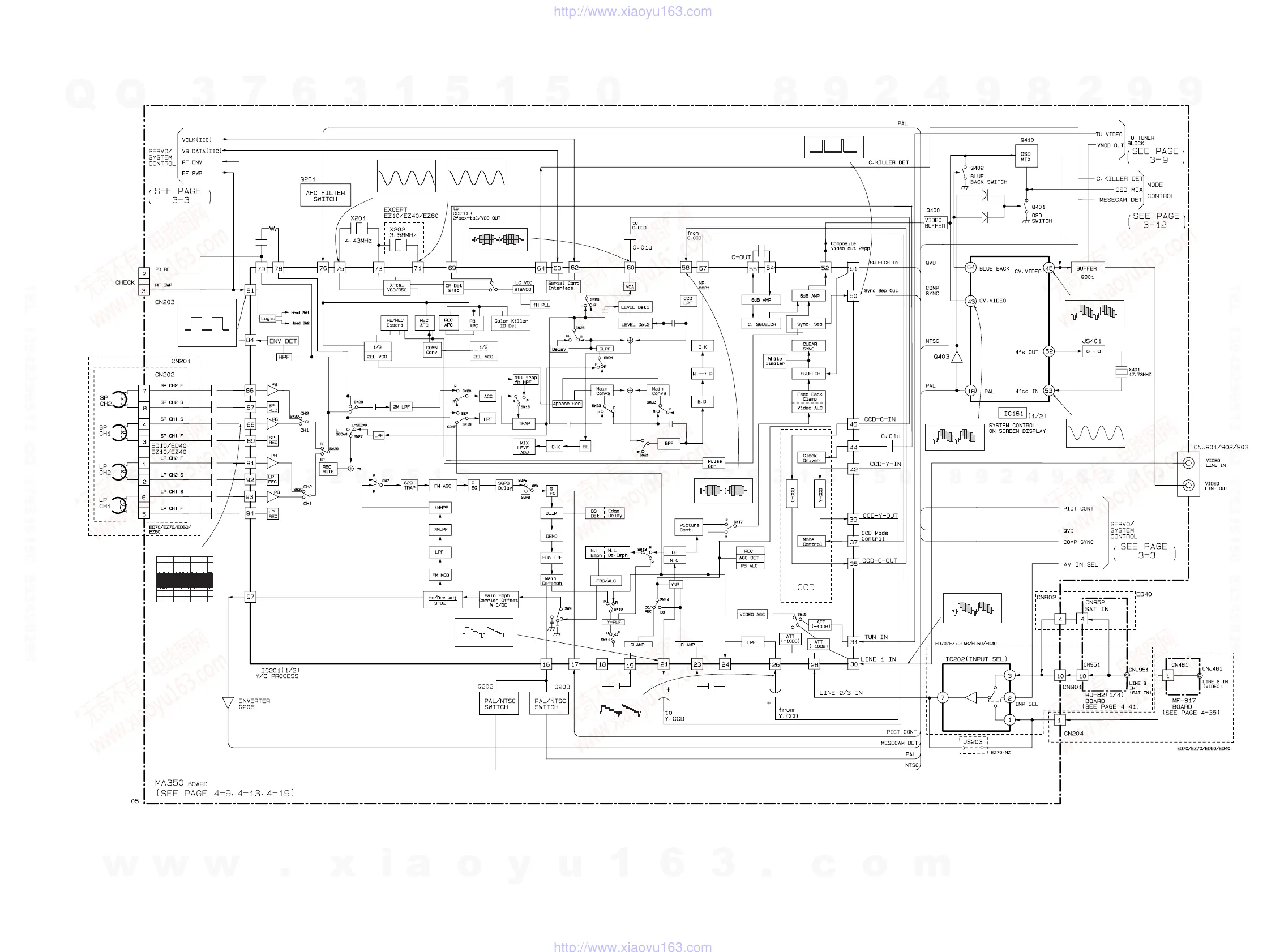
3-3. VIDEO BLOCK DIAGRAM
IC201 *• REC
1.4Vp-p(2V)
IC201 REC/PB
5.2Vp-p(2V)
IC201 &∞ REC/PB
552mVp-p(4.433619MHz)
IC201 REC/PB
120mVp-p(3.579545MHz)
IC201 REC/PB
REC:352mVp-p(H)
PB:552mVp-p(H)
IC201 REC/PB
5.4Vp-p(H)
IC201 REC
1.1Vp-p(H)
IC201 REC/PB
REC:528mVp-p(H)
PB:624mVp-p(H)
IC201 REC/PB
REC:360mVp-p(H)
PB:456mVp-p(H)
IC201 %• REC/PB
REC:512mVp-p(H)
PB:608mVp-p(H)
IC161 REC/PB
1.8Vp-p(H)
IC161 $∞ REC/PB
1.8Vp-p(H)
IC161 REC/PB
3.4Vp-p(17.734475MHz)
w
w
w
.
x
i
a
o
y
u
1
6
3
.
c
o
m
Q
Q
3
7
6
3
1
5
1
5
0
9
9
2
8
9
4
2
9
8
T
E
L
1
3
9
4
2
2
9
6
5
1
3
9
9
2
8
9
4
2
9
8
0
5
1
5
1
3
6
7
3
Q
Q
TEL 13942296513 QQ 376315150 892498299
TEL 13942296513 QQ 376315150 892498299
http://www.xiaoyu163.com
http://www.xiaoyu163.com

Table of Contents

Related product manuals