EasyManua.ls Logo

Sony SLV-ED10MPS - HS-921 SF;921 SF1 Schematic Diagram

Sony SLV-ED10MPS
140 pages
Print Icon
To Next Page IconTo Next Page
To Next Page IconTo Next Page
To Previous Page IconTo Previous Page
To Previous Page IconTo Previous Page
Loading...
SLV-ED10/ED40/ED60/ED70/EZ10/EZ40/EZ60/EZ70
4-45
POWER SUPPLY
HS-921SF/921SF1
4-46
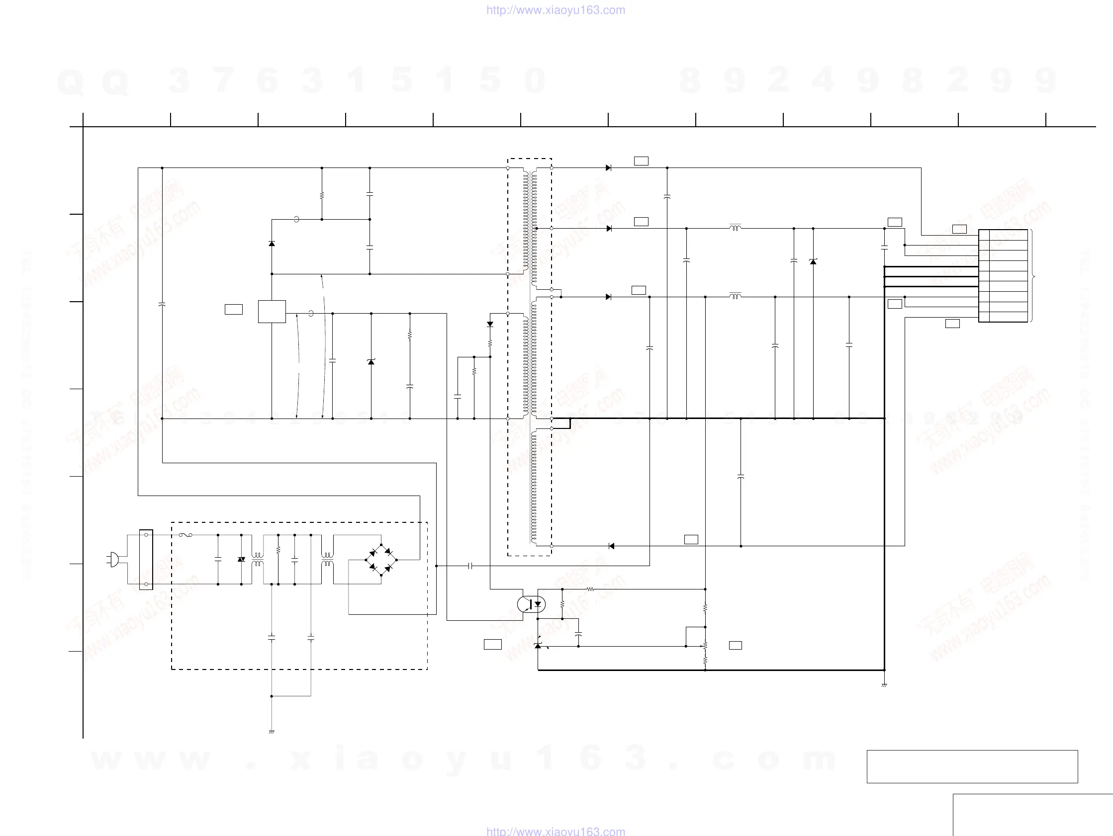
HS-921SF/921SF1 (POWER SUPPLY) SCHEMATIC DIAGRAM
– Ref. No.: HS-921SF/921SF1 board; 3,000 series –
– SLV-ED10/ED40/ED60/ED70 –
Note:The components identified by mark ! or dotted line
with mark ! are critical for safety.
Replace only with part number specified.
IC101
MIP164
R102
47K
2W
C109
0.047µF
630V
C110
68pF
2KV
D102
EG01
C111
0.1µF
R105
10K
D104
1SS270A
T101
!
D501
10ELS4
D
S
C
+
IC101
SWITCH
D106
MTZJ12A
R103
6.8
C112
100µF
35V
+
C108
150µF
450V
R104
10K
C113
0.1µF
!
!
!
!
!
!
!
!
!
!
C103
330pF
250V
C106
330pF
250V
C104
330pF
250V
D101
S1NB60
AC IN
CN101
F101
250V
2A
C101
0.1µF
250V
Z101
C102
0.1µF
250V
R101
470K
1/2W
L101
18mH
0.5A
L102
18mH
0.5A
!
!
!
!
!
!
1
2
05
+
PC101
TLP721F
R202
1K
R201
150
C207
1µF
50V
IC201
AN1431T
IC201
SHUNT REG
+
+
+
+
+
+
R203
1.8K
RV201
200
R205
1.2K
C501
220µF
25V
C202
220µF
25V
C203
0.01µF
C201
330µF
35V
D201
21DQ04
D301
S2LA20
C301
330µF
35V
C401
47µF
50V
C302
220µF
25V
D302
RD15FB2
C303
0.01µF
D401
10ELS4
L301
22µH
L201
22µH
1
2
3
4
5
6
7
8
9
35V
13V
13V
GND
GND
AU GND
6V
6V
–13V
CN201 9P
MA-350 BOARD (9/9)
CN600
(SEE PAGE 4-27)
L104
L103
!
!
!
!
HS-921SF/921SF1 BOARD
NO MARK : E-E MODE
312
5.7
4.2
2.5
+6V
B+
B+
B+
B+
B+
B+
B–
12345678910
11 12
A
B
C
D
E
F
G
B–
w
w
w
.
x
i
a
o
y
u
1
6
3
.
c
o
m
Q
Q
3
7
6
3
1
5
1
5
0
9
9
2
8
9
4
2
9
8
T
E
L
1
3
9
4
2
2
9
6
5
1
3
9
9
2
8
9
4
2
9
8
0
5
1
5
1
3
6
7
3
Q
Q
TEL 13942296513 QQ 376315150 892498299
TEL 13942296513 QQ 376315150 892498299
http://www.xiaoyu163.com
http://www.xiaoyu163.com

Table of Contents

Related product manuals