EasyManua.ls Logo

Sony SLV-ED10MPS - Hi-Fi Audio) Schematic Diagram

Sony SLV-ED10MPS
140 pages
Print Icon
To Next Page IconTo Next Page
To Next Page IconTo Next Page
To Previous Page IconTo Previous Page
To Previous Page IconTo Previous Page
Loading...
SLV-ED10/ED40/ED60/ED70/EZ10/EZ40/EZ60/EZ70
4-17
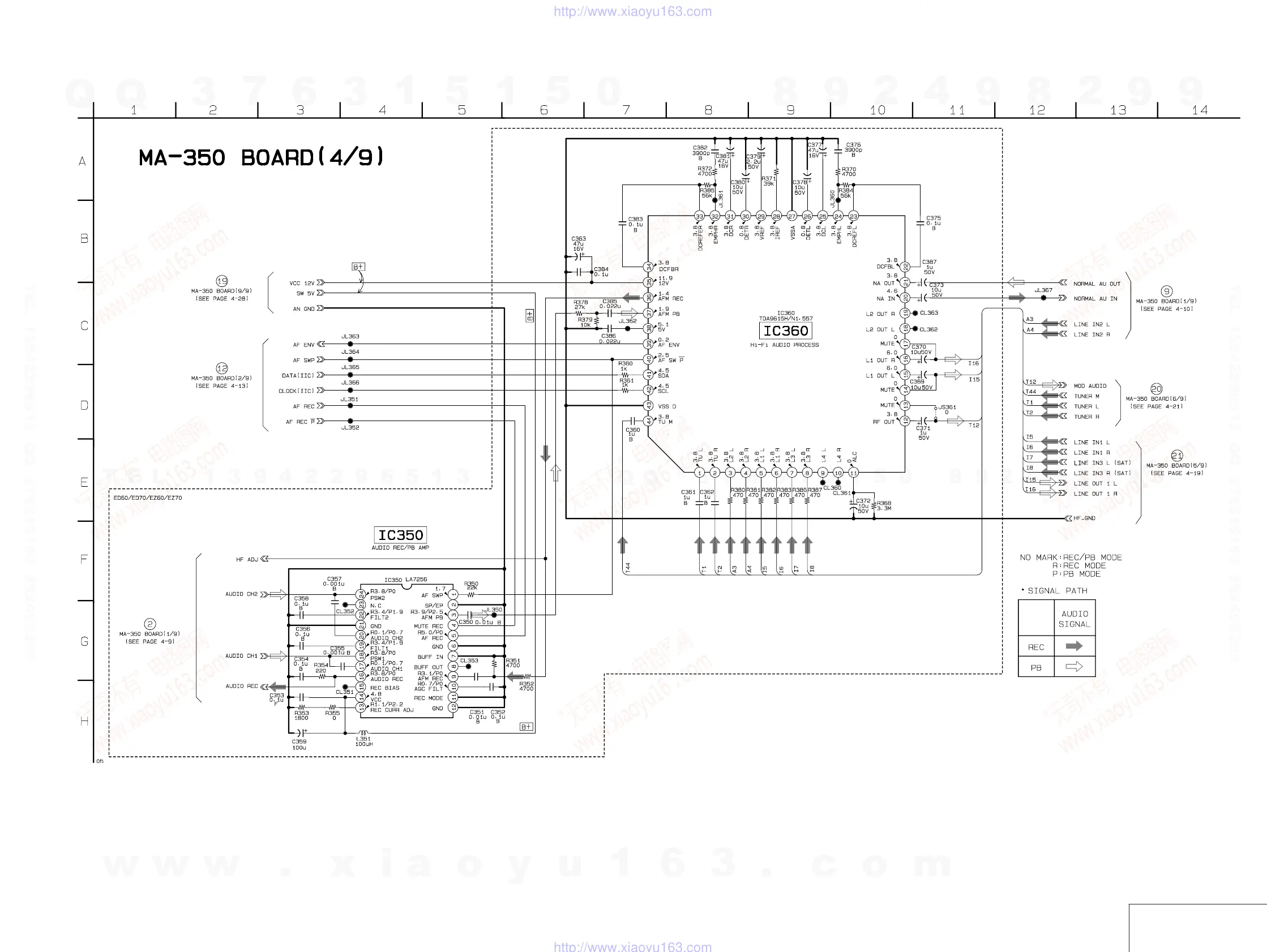
MA-350 (Hi-Fi AUDIO) SCHEMATIC DIAGRAM • See page 4-5 for printed wiring board.
– Ref. No.: MA-350 board; 1,000 series –
Hi-Fi AUDIO
MA-350 (4/9)
4-18
w
w
w
.
x
i
a
o
y
u
1
6
3
.
c
o
m
Q
Q
3
7
6
3
1
5
1
5
0
9
9
2
8
9
4
2
9
8
T
E
L
1
3
9
4
2
2
9
6
5
1
3
9
9
2
8
9
4
2
9
8
0
5
1
5
1
3
6
7
3
Q
Q
TEL 13942296513 QQ 376315150 892498299
TEL 13942296513 QQ 376315150 892498299
http://www.xiaoyu163.com
http://www.xiaoyu163.com

Table of Contents

Related product manuals