EasyManua.ls Logo

Sony SLV-EX80S - Servo;System Control Block Diagram

Sony SLV-EX80S
75 pages
Print Icon
To Next Page IconTo Next Page
To Next Page IconTo Next Page
To Previous Page IconTo Previous Page
To Previous Page IconTo Previous Page
Loading...
SLV-EX50/EX80S/EX90S
3.8Vp-p
IC101
9
REC/PB
5.0Vp-p (30Hz)
IC101 REC/PB
<z/n
4.64Vp-p (30Hz)
IC101
4
REC
4.64Vp-p (30Hz)
IC101
3
REC
5.0Vp-p (30Hz)
IC101 REC/PB
<z/b
4.32Vp-p (15.7KHz)
IC101 REC/PB
<z/n
2.6Vp-p (32.768KHz)
IC101
ug
REC/PB
2.6Vp-p (32.768KHz)
IC101
uk
REC/PB
5.0Vp-p (30Hz)
IC101 REC
<z/v
5.0Vp-p (30Hz)
IC101 REC/PB
<z/c
3-5 3-6
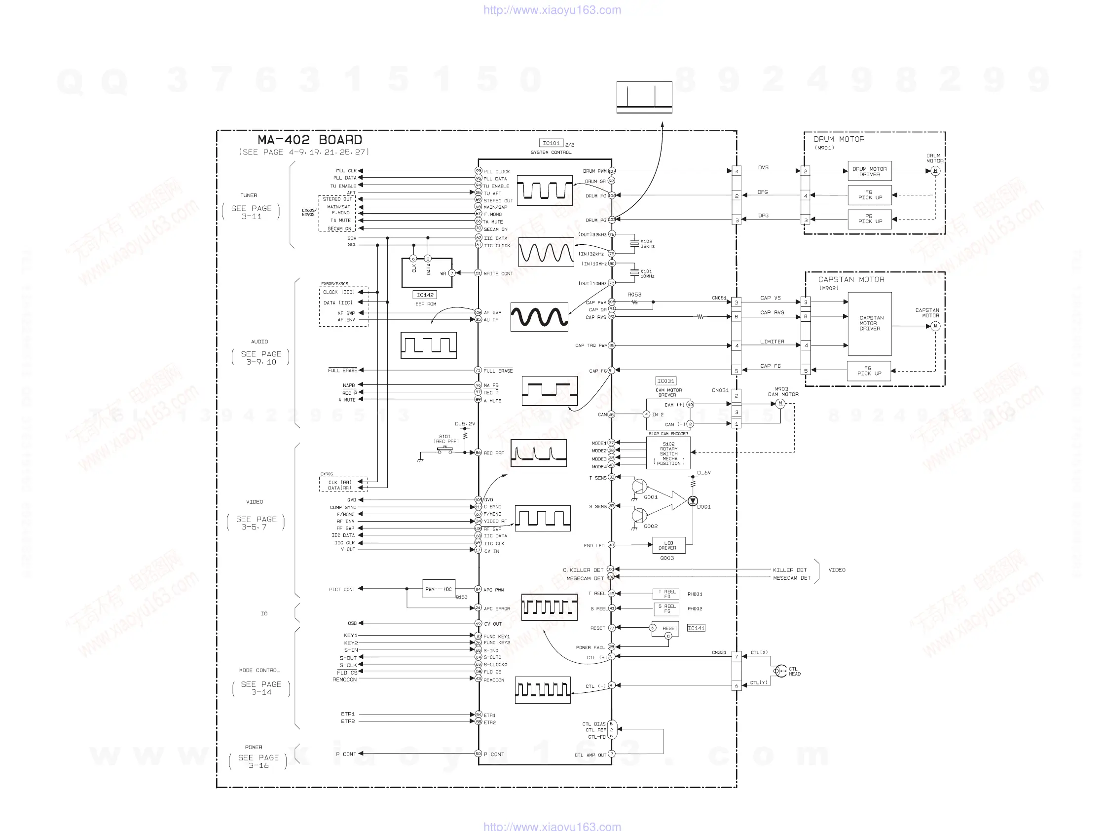
3-3. SERVO/SYSTEM CONTROL BLOCK DIAGRAM
w
w
w
.
x
i
a
o
y
u
1
6
3
.
c
o
m
Q
Q
3
7
6
3
1
5
1
5
0
9
9
2
8
9
4
2
9
8
T
E
L
1
3
9
4
2
2
9
6
5
1
3
9
9
2
8
9
4
2
9
8
0
5
1
5
1
3
6
7
3
Q
Q
TEL 13942296513 QQ 376315150 892498299
TEL 13942296513 QQ 376315150 892498299
http://www.xiaoyu163.com
http://www.xiaoyu163.com

Table of Contents

Related product manuals