EasyManua.ls Logo

Sony SS-CPX1 - Page 44

Sony SS-CPX1
68 pages
Print Icon
To Next Page IconTo Next Page
To Next Page IconTo Next Page
To Previous Page IconTo Previous Page
To Previous Page IconTo Previous Page
Loading...
42
HCD-CPX1
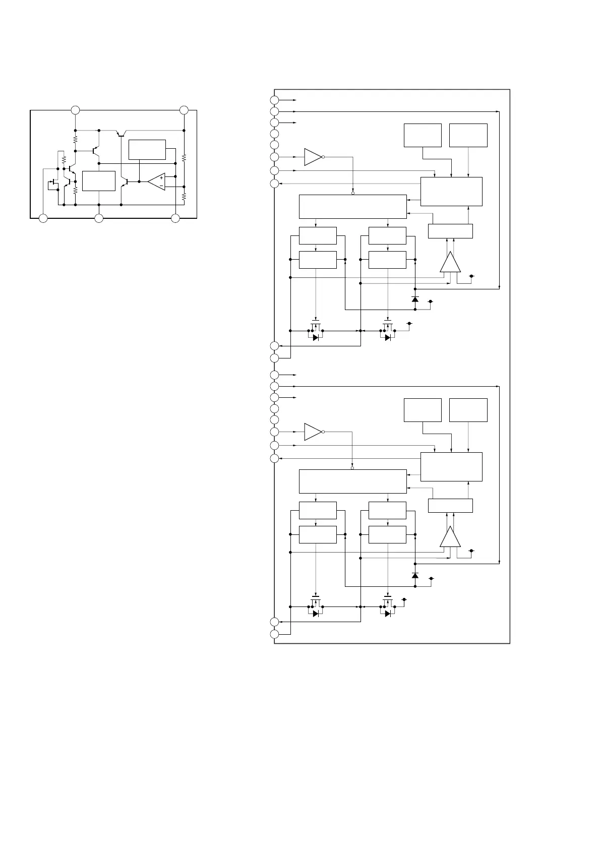
IC618 NJM2870F18 (TE2)
5
VIN
4
VOU
T
2
GND
3
NOISE
BYPASS
1
CONTROL
BANDGAP
REFERENCE
THERMAL
PROTECTION
IC650, 680 CXD9750L
CROSS OVER
DELAY
FILTER
THERMAL
SHUT DOWN
UNDER
VOLTAGE
LOCK–OUT
HIGH SIDE
LEVEL SHIFT
PROTECTOR
CIRCUIT
PRE
DRIVER
LOW SIDE
LEVEL SHIFT
PRE
DRIVER
-
16
INB
15
GNDB
14
VDDB
20
SB
19
OUTB
13
VDRVB
12
VBOOTB
11
VBBB
VDRVB
VBBB
17
ENB
18
DIAGB
CROSS OVER
DELAY
THERMAL
SHUT DOWN
UNDER
VOLTAGE
LOCK–OUT
HIGH SIDE
LEVEL SHIFT
PROTECTOR
CIRCUIT
PRE
DRIVER
LOW SIDE
LEVEL SHIFT
PRE
DRIVER
6
INA
5
GNDA
4
VDDA
10
SA
9
OUTA
3
VDRVA
2
VBOOTA
1
VBBA
VDRVA
VBBA
7
ENA
8
DIAGA
VDRVA
VDRVB
VBBA
VBBB
VBBB
+
FILTER
+
-
-
VBBA
+
+
-

Related product manuals