EasyManua.ls Logo

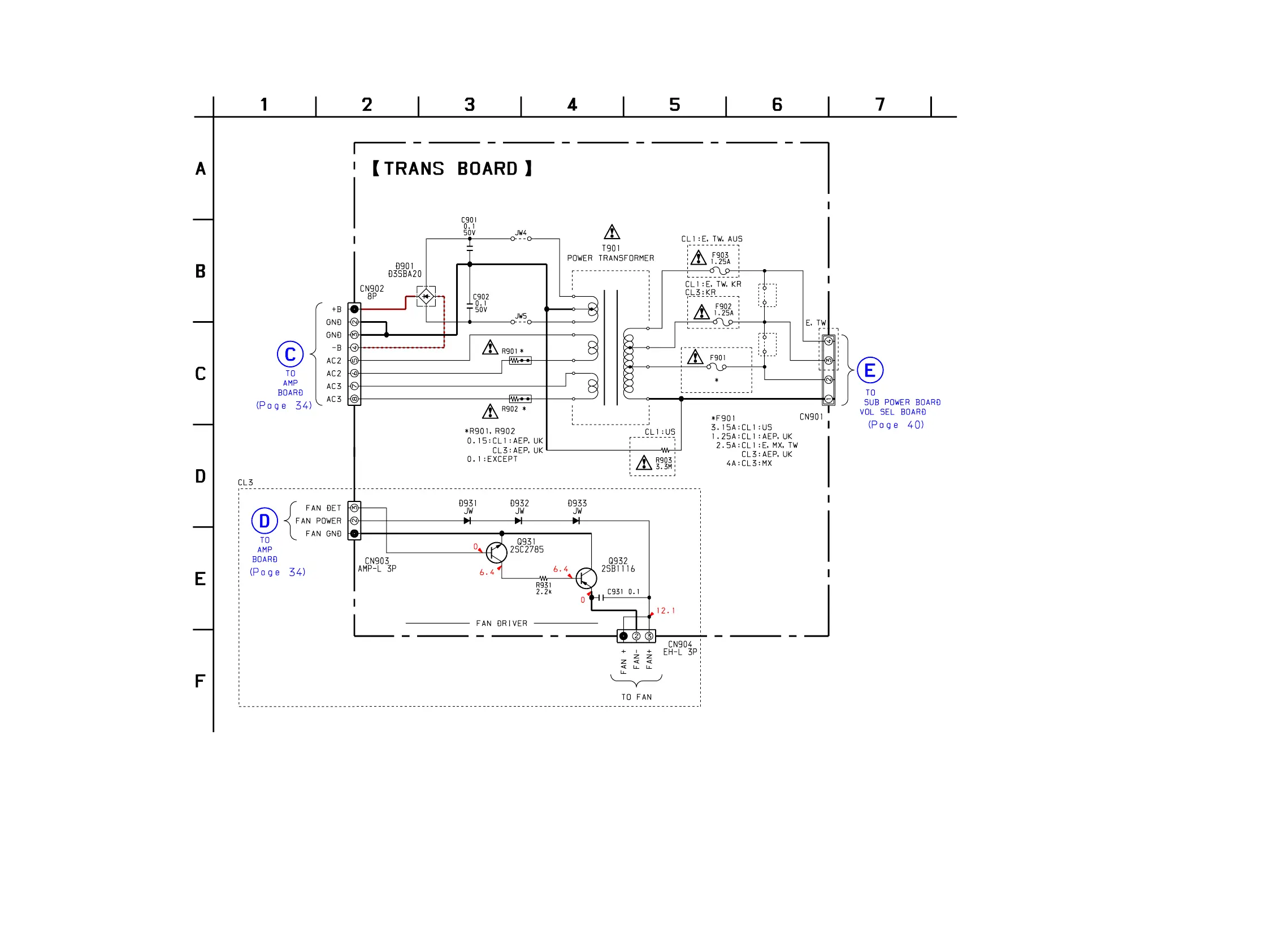
Sony SS-SCL3 - Schematic Diagram Trans Section

Sony SS-SCL3
70 pages
Print Icon
To Next Page IconTo Next Page
To Next Page IconTo Next Page
To Previous Page IconTo Previous Page
To Previous Page IconTo Previous Page
Loading...
3838
HCD-CL1/CL3
7-16. SCHEMATIC DIAGRAM TRANS SECTION
JW6 JW7
CL1:AUSCL1:AUS
CL1:
EXCEPT
CL1:AUS,KR/CL3:KR

Related product manuals