EasyManua.ls Logo

Sony SS-SCL3 - Schematic Diagram Power Section

Sony SS-SCL3
70 pages
Print Icon
To Next Page IconTo Next Page
To Next Page IconTo Next Page
To Previous Page IconTo Previous Page
To Previous Page IconTo Previous Page
Loading...
4040
HCD-CL1/CL3
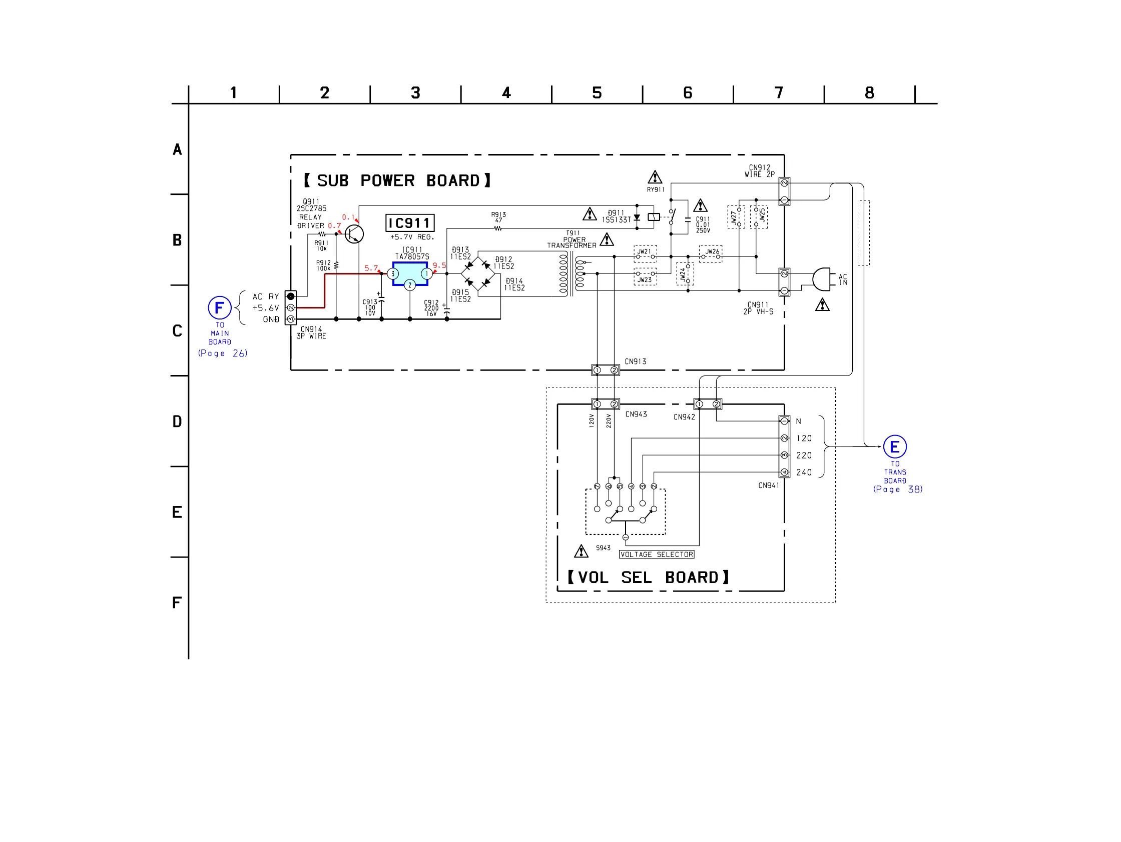
7-18. SCHEMATIC DIAGRAM POWER SECTION
CL1:
E,TW
CL1:
E,TW
CL1:
E,TW
CL1:E,TW
EXCEPT
CL1:E,TW
EXCEPT
CL1:E,TW
EXCEPT
CL1:E,TW
EXCEPT CL1:E,TW

Related product manuals