EasyManua.ls Logo

Sony STR-AV280L - Page 13

Sony STR-AV280L
24 pages
Print Icon
To Next Page IconTo Next Page
To Next Page IconTo Next Page
To Previous Page IconTo Previous Page
To Previous Page IconTo Previous Page
Loading...
1
2
3
4
5
6
7
8
9
10
11
12
13
14
15
16
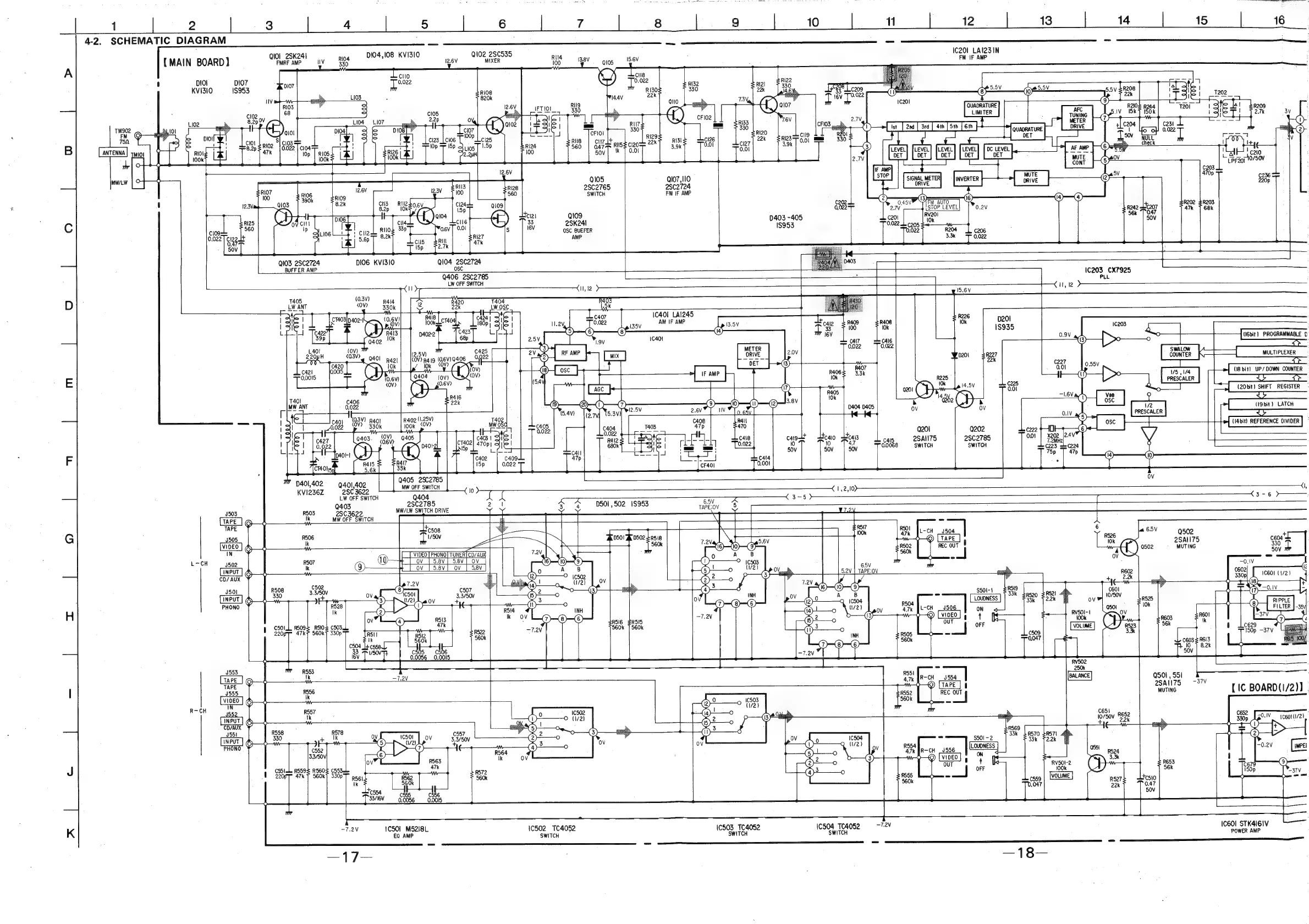
4-2.
SCHEMATIC
DIAGRAM
ae
=
=
(MAIN
BOARD}
ee
iid
Rios
eee
Bae
ee
RIG
g8v
eel
Leen
DIO!
DIO7
KVI3I0
S953
5y
£R208
IV
BOY
atk
R205
R244
Cle
WV.
15k?
150k
820
L104
L107
iy
ay
+|
C204
C)—eList
[ana [ara
[4mm
[50h Toth
|
:
OET
OET
DET
IF
AMP
Q
TO
Q105
Qi07,
110
2SC2765
2802724
SWITCH
FM
IF
AMP
i]
27V"
R202
$R203
zi2l
a8
D403
-405
201
als
iv
25K2al
1$953
OSC
BUEFER
0.022]
cla2t
AMP
04
50V
>
QI03
2SC2724
DIO6
KVI3ZIO
QI04
2SC2724
BUFFER
AMP
Osc
(C203
CX7925
Q406
2SC2785
LW
OFF
SWITCH
PLL
"
———X
1,
12
>
as
eck
ev
u,
12
-=—
1405
(03v)
:
2
LW
ANT
on
Bok
—_-
—W
rate]
craoappaoe-
Low
(0,6V)
ic40l
LAI245
et
iP
Cb
ic
me
ees
1203
J
LO
€422'
R413
Q
332
ago2
|0k
0.8
aay
Po
>
(isbit)
PROGRAMMABLE.
D
L401
(ov)
satan
A
ee
220,H
CORV>¢
040!
part
ool
37
one
Ko
MULTIPLEXER
420
10k
cai
«SRS
e
cer
J
ossy
pa:
0,0015
et)
yy
1
at
=
as
15,4
(18
bit)
UP/DOWN
COUNTER
on
erestauer
|
|
|
a5
7
225
bey
=
6.01
Q,
(20bit)
SHIFT
REGISTER
Pht
cage
CH
a
Ome
LS
g
ws:
Tlact
oer
ray,
(igbit)
LATCH
2
(03V)
(1,25V)
oulv
PRESCALER
TT
is
C401
R401
R402
igh
0.022
QV
330k
looK
fov?
ag
osc
(I4bit)
REFERENCE
DIVIDER
iSleT
TIE
a202
ze
FAO
£6)
7
1
I
TIE!
|
ooze
a
2802785
Toi
\
E>
D40r!
&
SWITCH
223
seco24
et)
75p
7
47
@
(0)
CAO
:
=a
p401,402
401,402
riot
ov
KVI236Z
PS
anion
9404
ee
(
9403
28C2785
21
4X
ps01,
502
1953
ey
&
sats
Bae
J503
R503
2503622,
MW/LW
SWITCH
DRIVE
ce
—<
TAPE
ik
MWOFF
SWITCH
TAPE
tesos
|
RSI?
41505
R506
Tivsov
050!
Hi
D502
$518
Led
coe
Q502
+
VIDEO
MW
560k
7
Ware
Soy
gf
2SAlI75
gg04
IN
VIDEO
[PHONO]
TUNER
CO/AU
72M,
‘i
A
OB
9502
MUTING
50V
L-CH
J502
R507
©
OV
|
5.8v]
58v]
OV
16
mm
10m)
t
(C503
-
INPUT
fae
ov
|
5.8v|_ov
|
5.8V
een
eee
5
I
(72)
Jy
oy
68V
=0.1V
1
CD/
AUX
Oe
ies02
|
oy
x
2
3
52)
|
Tape
oN
Rage
eo
Monee
502
"
7.2V
19
(1/2)
3
7.2V
OOS
He
ic
8
_
dees
Ic501
35
2
3
>
4
$501-1
C601
-0.1V
ms
INPUT
OV
ack
Cokeés
33/00
Oe
ov
INH
ov
0
AB
-
R621
10/50V
\)}-—*
PHONO
R528
l
Kt
(11
°
D+O-~G
@
1c504
R504
LOUDNESS
22k
ov
_
R525
RIPPLE
Ik
2
R514
INH
a
2)
|
oy
yen
J
oll
_
10k
8
Fiera
|-s4
ov
q
R513
k
ov
LW?)
@)6
losigs
kaaim
~7.2V
2
13
t
or!
My
e603
R60!
=37V
p
C5OLLL
R509S
R5IOS
C503,
th
560k
7
560k
OFF
56k
k
:
22087
47kF
S6Ok7
330p
RSII
Rel
R622
Trev
iT
VOLUME
R523
1
Lcez9
f
"
_
Stk
a
560k
INH
R505
-
509
33k
150p
-37v
:
504
Lc
avers
560k
047
cae
teas
33
7
1/50V
74
C505.
C506
10)
82k
\6V
0.0056
__0.0015
77.2V
50V
1553
R563
Ee
ee
HEE
O
HN
=7.2V
1554
|
BALANCE
Q501,551
R556
[rare
|
1
2SAI175
>
TTD)
ik
REC
OUT
MUTING
{IC
BOARD(I/2))
.
)
oe
7.
5
Fe
-
R-CH
INPUT
te
12
tai
Oe
3
Sly
REZ
cose
CO/AUX
~
x
|
5
:
1O/80V
3k
330p
ra
1c60l
(1/2)
J551
R558
R578
C557
2
3
il
R569
+
INPUT
cae
tet
Ov
3,3/50V
Oe
hi
ae
ov
J,
1c504
-
ssoi-2_)
8570
eRST!
2)—1>
PHONO
wv
0
\
72)
:
Seen
1€
R564
|
oa
LOUDNESS
551
sng
-0.2V
[wees
me
1
.
-
22
:
*
RVSOI-2
ba
R653
i
cs5ieb
R5593
R560
C5:
y
3
V
320FF
47k
F
580K7
S300
ace,
pe
R572
4/3
J
OFF
100k
56k
{8p
ae
tk
560k
559
VOLUME
R527
si0
-——
tessa
047
22k
0.47
35/eV
ot
S015
an
-7.2V
{C501
MS5218L
1c502
TC4052
1€503
TC4052
1c504
TC4052
~1.2v
IC60I
STK4I6IV
EQ
AMP
SWITCH
SWITCH
SWITCH
POWER
AMP
SS
EE