EasyManua.ls Logo

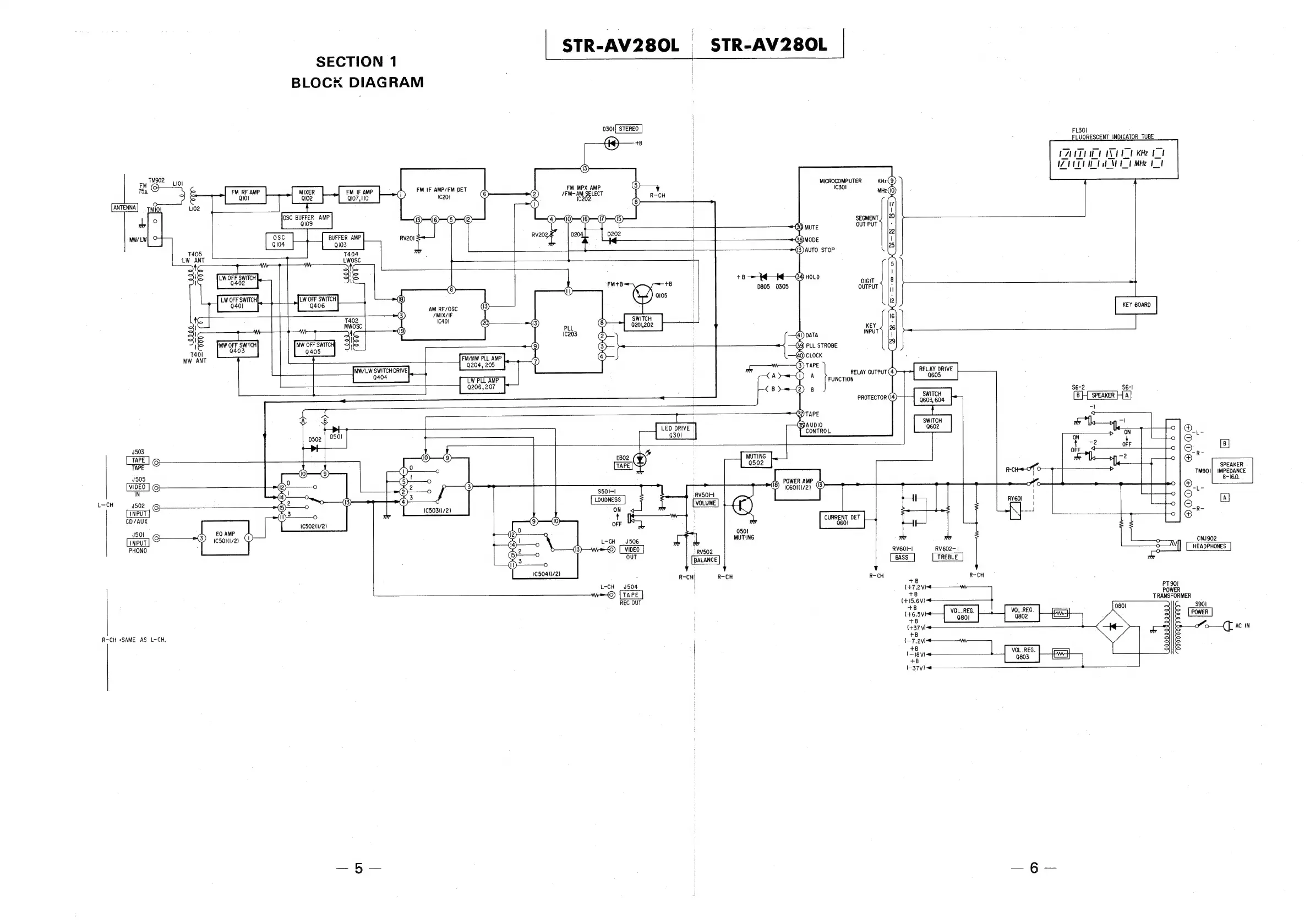
Sony STR-AV280L - Section 1 Block Diagram

Sony STR-AV280L
24 pages
Print Icon
To Next Page IconTo Next Page
To Next Page IconTo Next Page
To Previous Page IconTo Previous Page
To Previous Page IconTo Previous Page
Loading...
STR-AV280L
STR-AV280L
SECTION
1
BLOCK
DIAGRAM
|
|
03o1[
TERED]
|
es
FLUORESCENT
INDICATOR
TUBE
Ae)
I
+B
TM902
L101
iY
SPS
AME
MICROCOMPUTER
oa
eS
FM
RF
AMP
FM
IF
AMP
Mt
%
ne
|
Q107,
110
7M
ees
R-CH
ANTENNA]
TMiO1
Lio
R
H
losc
BUFFER
AMP
|
sce
i
ea)
OUT
PUT
MW/
LW
BUFFER
AMP
|
Q103
4
1404
|
(3)
AUTO
STOP
LWOSC
|
ms
\
ie
+8
34)
HOLD
DIGIT
b
FM+B
>
+8
Aas
0808
tt,
_
J
(/)
alos
LW
OFF
SWITCH
9806
AM
eee
:
/MIX/I
7402
1C401
)
SWITCH
MWOSC
PLL
201,202
1C203
x
KEY
BOARD
@)
_
OO™S)-@)
+,
MW
OFF
SWITCI
Q405
Y
a
ie
FM/MW
PLL
AMP
®
9204,
205
IMW/LW
SWITCH
DRIVE
0404
A
a
RELAY
OUTPUT
(4)
RELAY
DRIVE
eer
FUNCTION
il
,
8
$6-2
$6-1
PROTECTOR
(4)
Saleh
[8]
sPeaKer
}{a]
0603,
604
L
5 Q
-|
1
LED
DRIVE
ee
0501
L
0301
CONTROL
ome
0502
:
iS
503
TE]
©
eee
0302
MUTING
>
R-
TAPE
a
TAPE
Q502
(O—)
RecHe_O%C
SPEAKER
J505
|
IMPEDANCE
VIDEO
POWER
AMP
=
ce
é
$501-I
iceoi2)
©
a
©
0
RVSOEI
L-CH
1502
©
®
O
(13)
LOUDNESS
)
LK
rye)
|
S
INPUT
ON
4
:
LW
sod
CD
/AUX
OD)
%
t
fs
CURRENT
DET
®
OFF
601
J501
£0
AMP
ii
©
INPUT
}
IC5OI(1/2)
L-CH
506
MUTING
eusso8
iaali
©)
RV502
RVGOI-I
RVE02-|
HEADPHONES
Ou
BALANCE
TREBLE
|
-
R-CH
R-CH
R-CH
=
R-CH
L-CH
_J504
(+7,2V)
Cee
NWW£0)
[rare
]
PE
+B
0!
REC OUT
pee
TRANSFORMER
+8
VOL.REG
$30
:
Hes
(+37
V+
AC
IN
R-CH
«SAME
AS
L-CH.
#2
oT
(-7.2v)
8
|
(-18v)
+8
i
(-37v)
<4