EasyManua.ls Logo

Sony STR-AV280L - Page 14

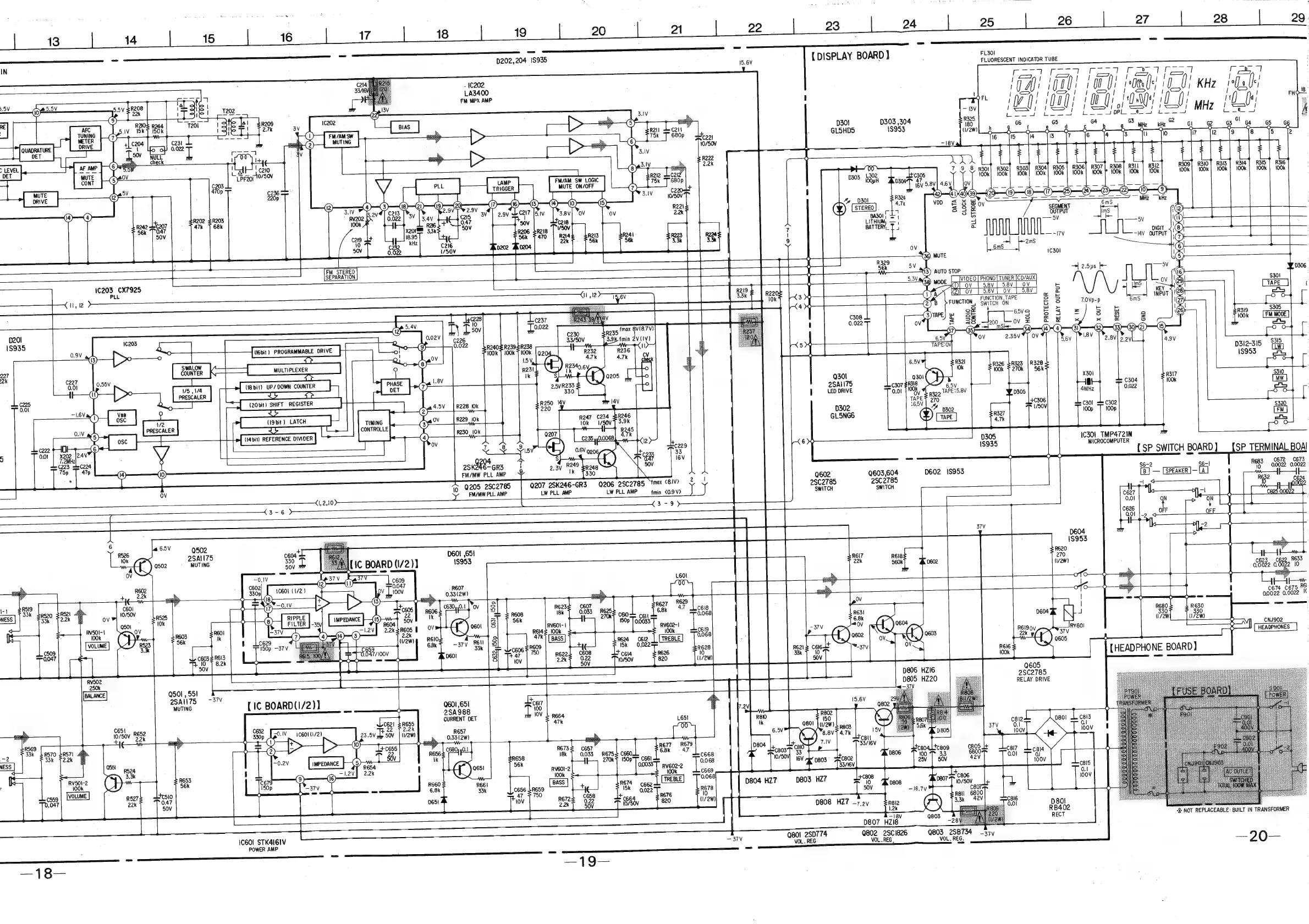
Sony STR-AV280L
24 pages
Print Icon
To Next Page IconTo Next Page
To Next Page IconTo Next Page
To Previous Page IconTo Previous Page
To Previous Page IconTo Previous Page
Loading...
202,204
1S935
ot
{DISPLAY
BOARD
]
FL301
FLUORESCENT
INDICATOR
TUBE
IN
gu
“C202
pee
Fase
Pee
esd
re
33/16
I
a
;
ol
;
|
[e!
!
I
|
is
og
Pp
ae
iat
ath
ith
ue
;
Ht
KHz
|
is
i
uf
f
d
ay
Rey
ed
ay
(Eo)
MHz
a
|
=
ic202
0301
0303
,304
QUADRATURE
:
a
rau
GLS5HD5S
1$953
9
ee
ot
8
Miz
kee
-
cl
5
|
[ver
CORR
(Ua
Cn
>
LEVEL
a
dea
|
i
|
|
R3007
R310
RB]
Raid]
REID
REI
‘Bar|
foo
foe
bor
on
ook
100k
|
100k
|
100k
}
100k
|
100k
|
100k
DRIVE
=
:
(}—N—&)
—)
2)
0
—®)
@)
Oe,
©
=>
Sas
Miz
kHz
a
(@
|_|}
Sv
——s5v
dy)
|
|
|
|
|
pigit_2,(8)
—-\7v
=l4v_
ouTPuT
|!
a
ae
$19
fess
—+
0306
SS
C203,
Cxrs25
PHONO
[
TUNER
[CO/AUX
Pt
aor
*
.
5.8
Vv
+1,
12
»-——
ay
ay
ea
2
is
ae
t
FUNCTION,
TAPE
6
5
5
04
3
SWITCH
ON
3g
tbe
Be
;
REM)
0201
a
#
1$935
Br
[
(Rice:
p3i2-315
|
Fy
227
YT
wuiripuexer
iso53
2k
R326
$R323
[R328
#3
930
aia
ees
.
ru
it
|
317
S3l
tt
Sere
comer
se
2SAl175
are
=
cot
iy
caw)
+
oor
(Obit)
SHIFT
REGISTER
|
LED
DRIVE
me
A
0.022
=
|
=16Vac)
5
eg
p302
ahead
seczo1
se
c302
[
=
a
*
>
$320
ay
nett
reat
Fon
GL5SNG6
R327
100p
100p
S
ae
can
Bre
0305
C301
TMP472IN
5
O01
}
x208
[ev
RS
isy
081
a2067—>
1$935
MICROCOMPUTER
ge
tem
eden
¢
Yast
Xb)
re
[SP
SWITCH
BOARD]
[SP
TERMINAL
BOA
=
2.3V
R2
:
a
pase
rae
.
}
0602
603,604
D602
1953
tay
fal
Me
othe
te
r
ap0s
25c2785
|
0207
25K246-GR3
0206
2502785
“Yrar
‘BY
F,
.
28¢2785
25¢3785
(renter
]—
la]
K
FM/MW
PLL
AMP
LW
PLL
AMP
LW
PLLAMP
fin
<0.9V
SWITCH
SWITCH
—{1,2,10>-
x
[
eT
|
edt;
43-6
{3-9
0.01
7
iG
626
t
a0!
|-
37V
a
6
R526
on
9502
+
10k
2SAlI75
Geot
D6OI
,65!
7
9502
MUTING
sv
1S953
[ey
Ff
a
4
oar
OG
b82
8622.
10
rege
21
[
ic6ot
112)
:
R607
zat
te
22k
|
.
3300)
©
0.33(2W)
+
ro
1
SSID
C601
7
-o.1v
ae
>
(5)
a
A
'
c674
C675
RO
NESS]
33k
R520
gat
A
10/50V
ae
7
a
Ae,
00022
0.0022
K
33k)
ov
|
wo,
|
@
[Ritts
Say
&
Rs
3
gs
-
SOI“
>
NOV
naa
Py
72
(72W)
d
100k
(*)
Regs
ik
(7)
aay
CNJ902
ae
VOLUME]
St/
Regs
*
0,047
>
.
603
R6I3
10.)
8.2k
ae
sh
D806
HZI6
0
28C2785
BALANCE
Q501,
55!
am
Pe
HZ20
RELAY
DRIVE
2SAlI75
MUTING
Q601,65!
tc6i7
2SA988
IOV
|
ree
CURRENT
DET
=
R664
‘ee
R657
0.33
(2W)
Wi
-
R569
33k
R570
¢R57I
33k
F2.2k
D804
HZ7
D803
HZ?
RV5OI-2
100k
C559
0.047
+
NOT
REPLACEABLE:
BUILT
IN
TRANSFORMER
=!
D807_HZIi
801
280774
Q802
2SC1826
0803.
258734
_3zy
VOL.
REG
VOL.REG.
VOL.
REG,
=
I0=
BV
8
IC601
STK4I6IV
POWER
AMP