EasyManua.ls Logo

Sony STR-DE335 - Page 11

Sony STR-DE335
45 pages
Print Icon
To Next Page IconTo Next Page
To Next Page IconTo Next Page
To Previous Page IconTo Previous Page
To Previous Page IconTo Previous Page
Loading...
STR-DE335/SE391/V323
– 13 – – 14 –
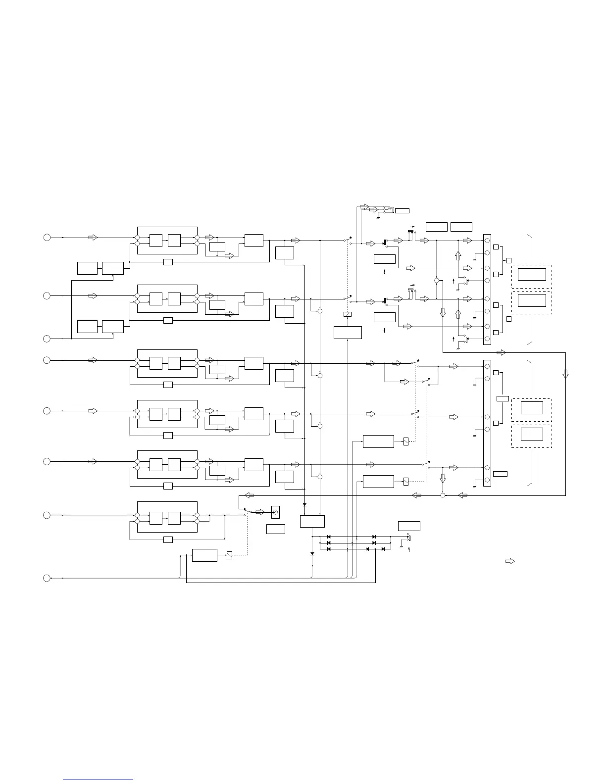
5-2. BLOCK DIAGRAM – MAIN Section (2/2) –
POWER AMP
IC701 (1/2)
05
D
(Page 10)
SIGNAL PATH
: TUNER (FM)
LCH
WOOFER-RLY,
SP-RLY,
SURR-RLY,
REAR-RLY,
PROTECT
WOOFER-RLY
SP-RLY
SURR-RLY
REAR-RLY
PROTECT
PRE
DRIVE
DRIVER
CENTER
REAR
TM601
TM701
SPEAKERS FRONT
IMPEDANCE
USE 8 – 16
L
R
BASS BOOST
FILTER AMP
Q452
BASS BOOST
SWITCH
Q401
FINAL
DRIVER
Q703, 704
OVER LOAD
DETECT
Q720
BIAS
Q701, 702
NF
J253
WOOFER
AUDIO OUT
(Page 10)
G
S701–3–1
PHONES
J741
+VOUT1
–VOUT1
IN1
NF1
–1
–2
5
6
3
2
POWER AMP
IC702 (1/2)
E
(Page 10)
H
(Page 13)
RCH
BASS
BOOST
PRE
DRIVE
DRIVER
BASS BOOST
FILTER AMP
Q402
BASS BOOST
SWITCH
Q451
FINAL
DRIVER
Q753, 754
OVER LOAD
DETECT
Q770
BIAS
Q751, 752
NF
+VOUT1
–VOUT1
IN1
NF1
5
6
3
2
POWER AMP
IC701 (2/2)
B
(Page 10)
S-LCH
PRE
DRIVE
DRIVER
FINAL
DRIVER
Q653, 654
OVER LOAD
DETECT
Q670
BIAS
Q651, 652
NF
+VOUT2
–VOUT2
IN2
NF2
9
8
11
12
POWER AMP
IC501 (1/2)
C
(Page 10)
S-RCH
PRE
DRIVE
DRIVER
FINAL
DRIVER
Q503, 504
OVER LOAD
DETECT
Q520
BIAS
Q501, 502
NF
+VOUT1
–VOUT1
IN1
NF1
5
6
3
2
POWER AMP
IC702 (2/2)
F
(Page 10)
CENTER
PRE
DRIVE
DRIVER
FINAL
DRIVER
Q603, 604
PROTECT
SWITCH
Q721 – 723
WOOFER SELECT
RELAY DRIVE
Q367
OVER LOAD
DETECT
Q620
BIAS
Q601, 602
NF
+VOUT2
–VOUT2
IN2
NF2
9
8
11
12
POWER AMP
IC501 (2/2)
RY301
D721
A
(Page 10)
WOOFER
PRE
DRIVE
DRIVER
NF
+VOUT2
–VOUT2
IN2
NF2
9
8
11
12
SPEAKER PROTECT
RELAY DRIVE
Q610
RY601
SPEAKER PROTECT
RELAY DRIVE
Q510
RY551
–1
–2
–2
SPEAKER PROTECT
RELAY DRIVE
Q710
RY701
–1
D725
D728
D727
D726
D723
D312
D311
D203
+
+
+
+
+
+
S701–4–2
SPEAKERS A
Ø ON ø OFF
ON
OFF
S701–3
SPEAKERS A
Ø ON ø OFF
S701–1–1
SPEAKERS B
Ø ON ø OFF
S701–2
SPEAKERS A
Ø ON ø OFF
ON
OFF
ON
OFF
S701–2–1
ONOFF
S701–2–2
ONOFF
OFF
ON
S701–1–2
SPEAKERS B
Ø ON ø OFF
OFF
ON
A
A
R
B
B
S701–3–2
+
+
+
+
+
+
+
L
(EXCEPT STR-DE335: AEP)
SPEAKERS FRONT
IMPEDANCE
USE 4 – 16
(STR-DE335: AEP)
SPEAKERS
IMPEDANCE
USE 8 – 16
(EXCEPT STR-DE335: AEP)
SPEAKERS
IMPEDANCE
USE 4 – 16
(STR-DE335: AEP)

Other manuals for Sony STR-DE335

Related product manuals