EasyManua.ls Logo

Sony STR-DE425 - Schematic Diagram - Main Section (2;3)

Sony STR-DE425
33 pages
Print Icon
To Next Page IconTo Next Page
To Next Page IconTo Next Page
To Previous Page IconTo Previous Page
To Previous Page IconTo Previous Page
Loading...
STR-DE425
— 19 — — 20 —
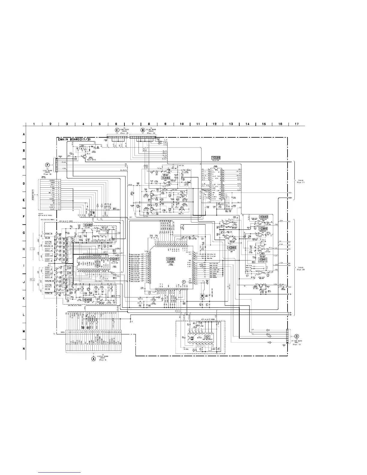
3-8. SCHEMATIC DIAGRAM — MAIN SECTION (1/3) —

Other manuals for Sony STR-DE425

Related product manuals