EasyManua.ls Logo

Sony STR-DE425 - System Block Diagram

Sony STR-DE425
33 pages
Print Icon
To Next Page IconTo Next Page
To Next Page IconTo Next Page
To Previous Page IconTo Previous Page
To Previous Page IconTo Previous Page
Loading...
STR-DE425
— 7 — — 8 —
DATA
L OUTFM
AM R OUT
CLK
CE
TUNED
STEREO
T MUITE
DO
R CH
FM ANT
(75)
AM ANT
SD ATA
SCLK
SLAT
AUTO STOP
STEREO
T MUTE
DO
J401
L
R
PHONO
R CH
J402
L
R
R CH
L
R
R CH
J403
L
R
R CH
L
R
R CH
VIDEO
IN
EQ AMP
IC402
+15V
REG
IC801
28
TUNER BLOCK
SIGNAL
SIG
DET OUT
L
R
R CH
CD
L
R
R CH
TV/LD
VIDEO
OUT
TAPE
IN
TAPE
OUT
J403
VIDEO
IN
CD
TV/LD
VIDEO
OUT
TAPE
IN
TAPE
OUT
J402
30
29
24
25
26
22
21
CL
15
DI
14
CE
13
27
23
20
S DATA
S CLK
SLAT
AUDIO SELECTOR
IC401
DATA
35 37
CLK
34 38
CE
30
24
L OUT
9
C OUT
22
S OUT
LT IN
45
31
32
X301
8MHz
DATA
CLK
S DATA
S CLK
SURROUND
PROCESSOR
IC300
J501
L
R
FRONT
R CH
L
R
R CH
REAR
501
INPUT
CENTER
WOOFER
5.1 I/P
MONITER
TV/LD
VIDEO 1
IN
OUT
J252
J251
BASS
RV421
TREBLE
RV422
DBFB
CONTROL
Q451,452
AMP
IC404
6
5
21
22
3
2
1
IC502(1/2)
IC302
(1/2)
IC302
(2/2)
IC501(1/2)
9
+15V
DI
14
CL
15
CE
13
8
20
4
11
SELECTOR
IC500
S DAT
S CLK
S LAT
4
2
16
13 14
X1
4.33MHz
RDS
IC1
MUTE
Q361
BALANCE
RV423
MUTE
Q365
MUTE
Q363
MUTE
Q366
VOLUME
RV404
SURROUND
AMP
M
DOWN
UP
BIAS
Q701,Q702
14
15
6
2
3
VEE
VCC
IN
+VE
-VE
13 VCC
POWER AMP
IC701
+B
-B
POWER
AMP
Q703
CURRENT
DET
Q720
POWER
AMP
Q704
7
1
6
5
VEE
IN
+VE
-VE
9 VCC
POWER AMP
IC551
+B
-B
POWER
AMP
Q553
CURRENT
DET
Q570
POWER
AMP
Q554
SURROUND
AMP
IC601
WOOFER
AMP
IC502(2/2)
PROTECTOR
Q721-723
RELAY
DRIVE
Q710
RY701
J253
C
S(L)
S(R)
SURROUND
SPEAKER
WOOFER
J741
PHONS
TM601
FRONT
SPEAKER
TM701
R CH
L
R
RELAY
DRIVE
Q560
RY551
RELAY
DRIVE
Q610
RY601
RELAY
DRIVE
Q367
RY301
D321
+B
D311D728
D727
D726
D725
D723D203
D724
SPEAKER A
SPEAKER B
ON
OFF
ON
OFF
S701
R CH
R CH
R CH
R CH
BA
8 7
3 2
MOTOR
DRIVER
IC202
UP
DOWN
VIDEO SELECT
IC251
V3
12
V1
1
MON
10
V2
3
OUT
5
13
S1
2
S2
4
S2
11
MUTE
S1
58
S2
57
MUTE
36
SYSTEM CONTROL
IC201
46
RDS DATA
45
4545
RDS CLK
11
PLL DATA
40
T MUTE
19
STEREO
18
AUTO STOP
25
SIGNAL
12
S CE
9
S CLK
10
S DATA
13
S CE
53
LOW BASS
DO
T MUTE
STEREO
AUTO STOP
SIG
S LAT
S CLK
S DATA
55
MUTE S.L
54
MUTE FUNC
41
UP
42
DOWN
16
PROTECT
21
SP RY
22
SURR RY
14
REAR RY
VERSION
56
X1
34
X2
35
X201
4.198MHz
LED SW
Q230
5.1 CH
51
HALL
39
SIMULATED
38
PROLOGIC
37
MUTING
43
5.1/
VDD
MUTINGHALL PROLOGIC
C
STUDIO
LED +5V
D235 D236D234 D237 D238
FUNCTION
KEY
A/D 2
27
A/D 1
28
A/D 3
26
S217-239
S241-243
S240
FUNCTION
KEY
S201-216
KI 1
60
KI 2
59
S200
SYSTEM
POWER
SYS POWER
44 77 72
.
70 62
71
.
80 78
S1 15 G1 10
S8-15
D221-225
FL201
FLOURESCENT
INDICATOR TUBE
F1
F2
F1
F2
13
-15V
REG
IC802
23
+9V REG
Q808
+15V
-24V REG
Q801
+9V
-15V
+B
-B
-24V
D802
T901
D803
F802
F801
F901
RELAY
DRIVE
Q809
RY801
RY852
RY851
RY801
RY901
RELAY
DRIVE
Q802
JW335
JW336
CNJ902
US,CND MODEL
CNJ902
EXCEPT
US,CND,UK MODEL
EXCEPT
US,CND MODEL
CNP903
AC
IN
F902
T902
STANDBY
IC950
6
58
DELAY
+B SW
Q951
D810-813
RESET
Q201,202
REMOTE
CONTROL
RECEIVER
21
3
D202
D201
D901
L401
LED +5V
IC201 +B
TUNER/RDS +5V
+5.6V
IC203
15
BRIDGE
23
POWER RY
47
STOP
17
RESET
49
SIRCS
11
16
: FM
: CD (ANALOG)
• Signal Path
• RCH is omitted
: VIDEO
: PHONO
46
LED SW
Q231
D239
BASS
BOOST
LED +5V
AEP, UK, G, EE MODEL
EXCEPT AEP, UK, G,
EE MODEL
AEP, UK, G, EE MODEL
BIAS
Q551,Q552
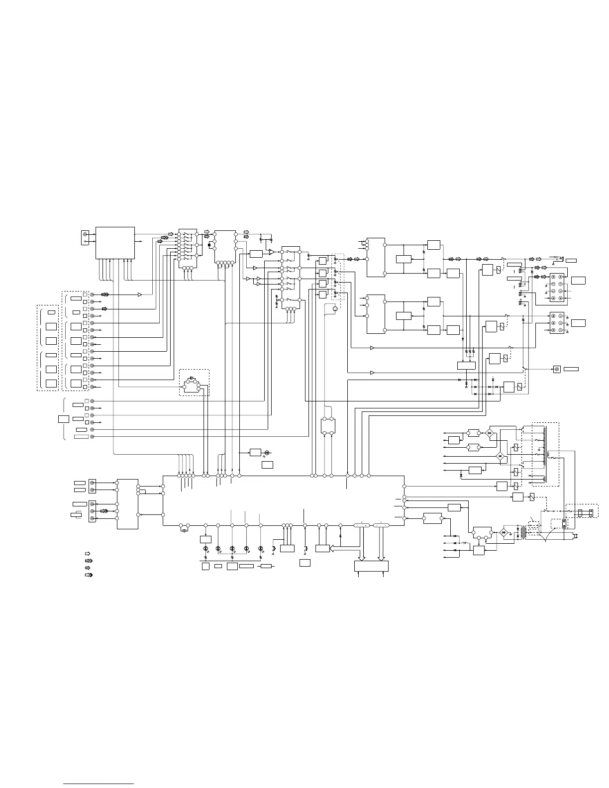
3-2. BLOCK DIAGRAM

Other manuals for Sony STR-DE425

Related product manuals